Foram encontradas 120 questões.

Metais como ferro, cobre, alumínio e ouro são classificados como ferromagnéticos por serem fortemente afetados por ímãs.
Provas
Questão presente nas seguintes provas

A figura ilustra as linhas de força do campo magnético gerado por um ímã na presença de limalhas de ferro.
Provas
Questão presente nas seguintes provas
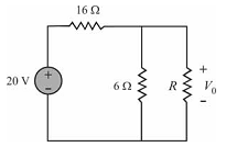
- EletrotécnicaCircuitos Elétricos em Eletricidade
- EletrotécnicaCircuitos de Corrente Contínua e de Corrente Alternada

Caso Vo seja igual a 4 V, então o valor de R será igual a 12 Ω.
Provas
Questão presente nas seguintes provas
- EletrotécnicaCircuitos Elétricos em Eletricidade
- EletrotécnicaCircuitos de Corrente Contínua e de Corrente Alternada

A resistência equivalente do circuito é menor que 16 Ω.
Provas
Questão presente nas seguintes provas
- EletrotécnicaCircuitos Elétricos em Eletricidade
- EletrotécnicaCircuitos de Corrente Contínua e de Corrente Alternada

O circuito da figura II apresenta uma capacitância equivalente igual a 0,04 µF.
Provas
Questão presente nas seguintes provas
- EletrotécnicaCircuitos Elétricos em Eletricidade
- EletrotécnicaCircuitos de Corrente Contínua e de Corrente Alternada

A capacitância equivalente do circuito da figura I é maior que 0,25 µF.
Provas
Questão presente nas seguintes provas
- EletrotécnicaCircuitos Elétricos em Eletricidade
- EletrotécnicaCircuitos de Corrente Contínua e de Corrente Alternada

A capacitância equivalente do circuito da figura III é maior que 0,15 µF.
Provas
Questão presente nas seguintes provas
- EletrotécnicaCircuitos Elétricos em Eletricidade
- EletrotécnicaCircuitos de Corrente Contínua e de Corrente Alternada

Na figura IV, a indutância equivalente formada por L2, L3, L4 e L5 é superior a 3H.
Provas
Questão presente nas seguintes provas

A indutância equivalente da figura III é maior que 3 H.
Provas
Questão presente nas seguintes provas

A indutância equivalente da figura II é maior que 2 mH.
Provas
Questão presente nas seguintes provas
Cadernos
Caderno Container