Foram encontradas 1.565 questões.

Considerando a figura apresentada, que mostra o diagrama de fase simplificado de determinada substância, julgue o item que se segue.
A mudança de fase acontece de forma rápida, pois não há troca de calor.
Provas
Em um laboratório, 300 g de gelo que se encontra a -10 ºC deverá ser transformado em água a +50 ºC. Considerando o calor latente de fusão do gelo igual a 80 cal/g, o calor específico do gelo igual a 0,5 cal/g ºC e o calor específico da água igual a 1 cal /g ºC, julgue o item subsequente.
A quantidade total de calor necessária para que todo o gelo a -10 ºC se transforme em água a +50 ºC é maior que 40.000 cal.
Provas

Considerando a figura apresentada, que mostra o diagrama de fase simplificado de determinada substância, julgue o item que se segue.
Não é possível um processo isotérmico que vá do estado com pressão P2 e temperatura T2 até um estado com pressão P1 e temperatura T2, pois existe uma transição de fase no meio do processo.
Provas

Um violão é um instrumento de cordas tensionadas por um trasto que, ao ser tangido, vibra em frequências características. A nota musical está relacionada com a frequência fundamental de cada corda.
Considerando essas informações e a figura precedente, julgue o próximo item.
Se o comprimento entre a pestana e o rastilho — isto é, o tamanho útil da corda — for 640 mm e se a frequência desejada da corda for o lá padrão 440 Hz, a velocidade de propagação da onda emitida por essa corda será inferior à velocidade do som no ar, isto é, 360 m/s.
Provas
A figura a seguir ilustra um diagrama T–S (temperatura (T) versus entropia (S)) de um motor que obedece a um ciclo de Carnot ideal, tendo como substância de trabalho um gás ideal.

Considerando que o trabalho realizado por esse sistema seja igual a 3.000 J, julgue o próximo item.
A diferença entre as energias absorvida e transferida pelo sistema é de 1.500 J.
Provas

Considerando a figura apresentada, que mostra o diagrama de fase simplificado de determinada substância, julgue o item que se segue.
Se uma substância tiver uma temperatura T1 e pressão P2, e, em uma transformação isobárica, for para um estado com temperatura T2, esse material terá passado por uma transição de fase denominada sublimação.
Provas

Dentro de um recipiente graduado, coloca-se água até completar o volume de 60,0 mL. Em seguida, é totalmente mergulhado nesse recipiente um objeto feito de cobre, sustentado por um dinamômetro, conforme ilustrado na figura precedente. O dinamômetro registra 0,80 N antes de o objeto ser colocado na água, e registra 0,71 N quando este está submerso na água. Após o mergulho do objeto de cobre, é registrado um volume igual a 69,2 mL.
A partir dessas informações e da figura precedente, julgue o item subsequente, considerando que o sistema esteja em equilíbrio e sabendo que a aceleração da gravidade é igual a 9,8 m/s2 e a densidade da água é de 1,0 g/mL.
Se o mesmo objeto de cobre for mergulhado em um líquido de densidade igual ao dobro da densidade da água, o valor a ser registrado no dinamômetro será igual à metade do mostrado quando do mergulho do referido objeto na água.
Provas
Um fio de cobre de 40 cm de comprimento e área de seção transversal desprezível, a uma temperatura inicial de 30 ºC (ou 18 ºX, em que ºX é outra escala termométrica), foi aquecido até atingir uma temperatura de 100 ºC (60 ºX).
Com base nessas informações, julgue o seguinte item, considerando o coeficiente de dilatação linear do cobre igual a 17 × 10-6 / ºC, e considerando também os princípios relacionados a escalas termométricas, equilíbrio térmico e dilatação térmica.
Dois corpos que estejam em equilíbrio térmico apresentam a mesma temperatura em Kelvin; o mesmo processo não ocorrerá caso essa temperatura seja medida em graus Celsius.
Provas

Dentro de um recipiente graduado, coloca-se água até completar o volume de 60,0 mL. Em seguida, é totalmente mergulhado nesse recipiente um objeto feito de cobre, sustentado por um dinamômetro, conforme ilustrado na figura precedente. O dinamômetro registra 0,80 N antes de o objeto ser colocado na água, e registra 0,71 N quando este está submerso na água. Após o mergulho do objeto de cobre, é registrado um volume igual a 69,2 mL.
A partir dessas informações e da figura precedente, julgue o item subsequente, considerando que o sistema esteja em equilíbrio e sabendo que a aceleração da gravidade é igual a 9,8 m/s2 e a densidade da água é de 1,0 g/mL.
O valor de empuxo é igual a 0,71 N.
Provas
- EletromagnetismoElétricaCircuitos Elétricos Especiais: Leis de Kirchhoff e Ponte de Wheatstone
- EletromagnetismoElétricaEletricidade
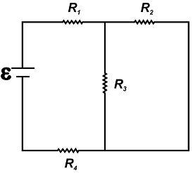
A figura a seguir ilustra um circuito constituído por uma bateria ideal de força eletromotriz ε = 20 V e quatro resistores idênticos com resistências iguais a 10 Ω cada uma.

Com base nessas informações, julgue o item a seguir.
Em 10 minutos a resistência R2 dissipa uma energia de 860 J.
Provas
Caderno Container