Foram encontradas 70 questões.
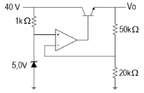
A figura abaixo mostra um circuito regulador de tensão com um amplificador operacional ideal.

O valor da tensão Vo na saída do circuito é de
Provas
A respeito do transistor tipo MOSFET, assinale a afirmativa correta.
Provas
A fim de determinar a resistência do resistor r foi montado um circuito, conforme a figura abaixo.

O resistor RVar foi ajustado a um valor igual a R/16, fazendo com que a leitura do voltímetro V indicasse zero.
O valor de r é igual a
Provas
Ao realizar uma auditoria em um contrato de manutenção de um hospital, verificou-se que nos últimos quatro anos, das despesas autorizadas, apenas uma parte foi empenhada e uma parte, ainda menor, liquidada, conforme o gráfico abaixo.

A opção que explica, na sua totalidade, as condições sinalizadas nesse cenário é a deficiência no(a)
Provas
Uma das maneiras de se avaliar a manutenção e a obsolescência de um equipamento é por meio da Análise Custo-Efetividade. A tabela a seguir apresenta os custos e os índices de resultados clínicos (em que índices maiores indicam performances melhores) para cada uma das opções apresentadas.
| Opções | Custos - R$ | Índice de Resultados Clínicos |
| Manutenção Tipo 1 | 30.000,00 | 3 |
| Manutenção Tipo 2 | 40.000,00 | 8 |
| Manutenção Tipo 3 | 10.000,00 | 2 |
| Manutenção Tipo 4 | 20.000,00 | 5 |
| Substituição do Equipamento | 100.000,00 | 20 |
Baseado nesta análise, a melhor opção é a
Provas
A desativação de um equipamento médico hospitalar pode ser motivada por vários fatores, de forma isolada ou em conjunto.
A falta recorrente de insumos para manutenção está mais fortemente associada à (ao)
Provas
Em uma sala cirúrgica, o sistema de ar-condicionado, além de propiciar o conforto térmico é responsável pela(o)
Provas
Na central de atendimento de uma enfermaria são previstos equipamentos para dar suporte aos pacientes internados. A esse respeito, analise as afirmativas a seguir.
I. O paciente deve ser capaz de acionar a enfermaria do leito e do banheiro.
II. Na central de atendimento deve ser prevista a indicação da pressão dos gases medicinais.
III. O equipamento de identificação das chamadas dispensa a indicação do quarto e do leito.
Está correto somente o que se apresenta em
Provas
O sistema elétrico IT-médico possui características que o tornam mais seguros. Assinale a opção que indica o equipamento desse sistema responsável por identificar a primeira falta na instalação.
Provas
Para prover qualidade e segurança em sistemas de imagens por ressonância magnética nuclear, o local em que o equipamento é instalado é dividido por zonas. A zona onde é realizada a anamnese, esclarecimentos e preparo do paciente é a zona
Provas
Caderno Container