Foram encontradas 50 questões.
Analise o diagrama unifilar da Figura 7 abaixo e assinale a alternativa que descreve
as cores utilizadas nos condutores do circuito 1, de acordo com a norma NBR5410.


Provas
Questão presente nas seguintes provas
Um equipamento possui duas fontes independentes, uma para o circuito eletrônico,
outra para energizar um motor CC de 6V de alimentação. Durante a montagem do equipamento,
notou-se a falta da fonte DC do motor, e então, foi utilizada uma fonte disponível de 12V. Nessas
condições, assinale a alternativa correta.
Provas
Questão presente nas seguintes provas
Um motor monofásico está ligado diretamente a uma fonte de tensão de corrente
alternada de 200V/0º e a potência consumida é de S = 1k√2 W + 1k√2 V Ar. Determine o fator de
potência e a corrente circulante na carga.
Provas
Questão presente nas seguintes provas
A montagem da Figura 6 foi realizada às pressas por um estagiário.

Quais seriam as leituras esperadas nos instrumentos de medida voltímetro e amperímetro, respectivamente?
Provas
Questão presente nas seguintes provas
Sobre as orientações básicas de segurança em laboratório, pode-se afirmar que:
I. Não existe nenhuma recomendação ou norma que estabeleça o tipo de calçado a ser utilizado no laboratório, permitindo-se inclusive sandálias, contanto que estejam sendo usadas meias longas e grossas. II. É proibido comer, beber ou fumar no interior dos laboratórios. III. Durante realização de atividade em laboratório, é vedado o uso de adornos pessoais (relógio, aliança, correntes, piercing, etc.).
Quais estão corretas?
I. Não existe nenhuma recomendação ou norma que estabeleça o tipo de calçado a ser utilizado no laboratório, permitindo-se inclusive sandálias, contanto que estejam sendo usadas meias longas e grossas. II. É proibido comer, beber ou fumar no interior dos laboratórios. III. Durante realização de atividade em laboratório, é vedado o uso de adornos pessoais (relógio, aliança, correntes, piercing, etc.).
Quais estão corretas?
Provas
Questão presente nas seguintes provas
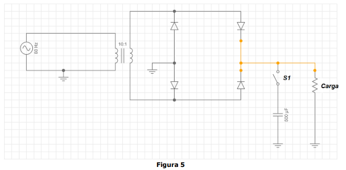
Observe o circuito da Figura 5, que se encontra incialmente descarregado e com a
chave S1 aberta e analise as assertivas abaixo: 
I. Trata-se de um circuito oscilador, aplicando sinal senoidal sobre a carga. II. Trata-se de um retificador de meia onda. III. A chave S1, quando fechada, irá reduzir o ripple de tensão sobre a carga. IV. Trata-se de um retificador de onda completa em ponte.
Quais estão corretas?

I. Trata-se de um circuito oscilador, aplicando sinal senoidal sobre a carga. II. Trata-se de um retificador de meia onda. III. A chave S1, quando fechada, irá reduzir o ripple de tensão sobre a carga. IV. Trata-se de um retificador de onda completa em ponte.
Quais estão corretas?
Provas
Questão presente nas seguintes provas
O circuito da Figura 3 é uma típica aplicação em eletrônica e utiliza um CI conhecido
há décadas.

Assinale a alternativa na qual consta a aplicação do circuito e a forma de onda de saída, ilustrada na Figura 4.

Assinale a alternativa na qual consta a aplicação do circuito e a forma de onda de saída, ilustrada na Figura 4.
Provas
Questão presente nas seguintes provas
Uma montagem feita em protoboard possui dois resistores ligados em paralelo:
• R1: Azul-Azul-Marrom – tolerância: dourado.
• R2: Laranja-Laranja-marrom - tolerância: dourado.
Por questões de espaço, tais resistores deverão ser substituídos pelo valor equivalente do paralelo, que então será:
Provas
Questão presente nas seguintes provas
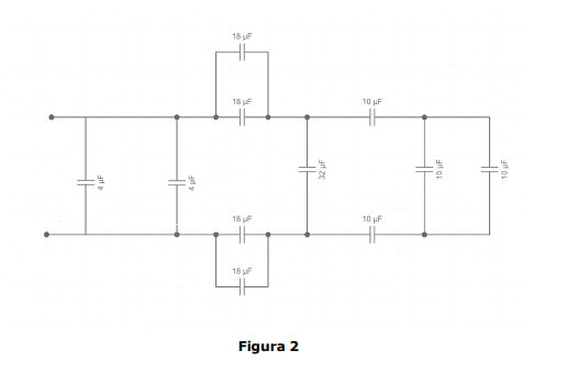
Determine o capacitor equivalente no circuito da Figura 2.

Provas
Questão presente nas seguintes provas
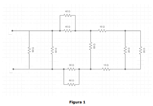
Determine a resistência equivalente no circuito da Figura 1.

Provas
Questão presente nas seguintes provas
Cadernos
Caderno Container