Foram encontradas 50 questões.
Para o projeto do para-raios da questão 49, determine o número de cabos de descida.

Provas
Questão presente nas seguintes provas
2778551
Ano: 2023
Disciplina: Segurança e Saúde no Trabalho (SST)
Banca: FUNDATEC
Orgão: GHC
Disciplina: Segurança e Saúde no Trabalho (SST)
Banca: FUNDATEC
Orgão: GHC
Provas:
A NR-33 prevê no seu item 33.3.3.5 que os procedimentos de entrada em espaços
confinados devem ser revistos quando ocorrerem algumas circunstâncias. Sobre as circunstâncias
mencionadas, analise as assertivas abaixo e assinale V, se verdadeiras, ou F, se falsas.
( ) Entrada não autorizada num espaço confinado. ( ) Identificação de riscos previstos na Permissão de Entrada e Trabalho. ( ) Acidente, incidente ou condição não prevista durante a entrada. ( ) Qualquer mudança na atividade desenvolvida ou na configuração do espaço confinado. ( ) Solicitação do SESMT ou da Cipa. ( ) Identificação de condição de trabalho mais segura.
A ordem correta de preenchimento dos parênteses, de cima para baixo, é:
( ) Entrada não autorizada num espaço confinado. ( ) Identificação de riscos previstos na Permissão de Entrada e Trabalho. ( ) Acidente, incidente ou condição não prevista durante a entrada. ( ) Qualquer mudança na atividade desenvolvida ou na configuração do espaço confinado. ( ) Solicitação do SESMT ou da Cipa. ( ) Identificação de condição de trabalho mais segura.
A ordem correta de preenchimento dos parênteses, de cima para baixo, é:
Provas
Questão presente nas seguintes provas
2778550
Ano: 2023
Disciplina: Segurança e Saúde no Trabalho (SST)
Banca: FUNDATEC
Orgão: GHC
Disciplina: Segurança e Saúde no Trabalho (SST)
Banca: FUNDATEC
Orgão: GHC
Provas:
A NR-33 prevê no teu item 33.4.1 que o empregador deve elaborar os procedimentos
de emergência que deve conter no mínimo alguns elementos. Analise as assertivas abaixo e assinale
V, se verdadeiras, ou F, se falsas.
( ) Descrição dos possíveis cenários de acidentes, obtidos a partir do PPCI.
( ) Descrição das medidas de salvamento e primeiros socorros a serem executados em caso de emergência.
( ) Seleção e técnicas de utilização dos equipamentos de comunicação, iluminação de emergência, busca, resgate, primeiros socorros e transporte de vítimas.
( ) Acionamento de equipe responsável, pública ou privada, pela execução das medidas de resgate e primeiros socorros para cada serviço a ser realizado.
( ) Exercício simulado a cada semestre de salvamento nos possíveis cenários de acidentes em espaços confinados.
A ordem correta de preenchimento dos parênteses, de cima para baixo, é:
( ) Descrição dos possíveis cenários de acidentes, obtidos a partir do PPCI.
( ) Descrição das medidas de salvamento e primeiros socorros a serem executados em caso de emergência.
( ) Seleção e técnicas de utilização dos equipamentos de comunicação, iluminação de emergência, busca, resgate, primeiros socorros e transporte de vítimas.
( ) Acionamento de equipe responsável, pública ou privada, pela execução das medidas de resgate e primeiros socorros para cada serviço a ser realizado.
( ) Exercício simulado a cada semestre de salvamento nos possíveis cenários de acidentes em espaços confinados.
A ordem correta de preenchimento dos parênteses, de cima para baixo, é:
Provas
Questão presente nas seguintes provas
Considere um projeto de uma sala com pé direito de 3,5 m cujas lâmpadas ficarão
no teto. O plano de trabalho está a 0,7 m do piso. Para o projeto, será adotada uma lâmpada TMS
500 40 W que tem 1000 lm. Considere a reflexão do teto de 70%, parede de 50% e piso 10%. O
ambiente é limpo e será usado fator de depreciação de 0,91. Determine o número mínimo de lâmpadas
necessárias para um ambiente classe C que requer 1500 lux pelo método dos lúmens.


Provas
Questão presente nas seguintes provas
Determine o diâmetro do eletroduto de PVC para o trecho entre as caixas de
passagem (CP) 1 e 2 baseados na tabela de eletrodutos. Os condutores do tipo cabo do circuito estão
descritos com a seção nominal conforme tabela abaixo.

Dados: Circuito 1: Cabo 2 x 2,5 mm2 ; Circuito 2: Cabo 3 x 10 mm2 .

Dados: Circuito 1: Cabo 2 x 2,5 mm2 ; Circuito 2: Cabo 3 x 10 mm2 .
Provas
Questão presente nas seguintes provas
Considere o gráfico abaixo, que apresenta o comportamento de disparo de um
disjuntor termomagnético acionando cargas resistivas. Considere que o disjuntor foi projetado para
atender uma corrente nominal de 10 A. Para uma corrente de sobrecarga de 25 A, determine o tempo
de atuação do disjuntor.


Provas
Questão presente nas seguintes provas
2778546
Ano: 2023
Disciplina: Segurança e Saúde no Trabalho (SST)
Banca: FUNDATEC
Orgão: GHC
Disciplina: Segurança e Saúde no Trabalho (SST)
Banca: FUNDATEC
Orgão: GHC
Provas:
A NR-10 prevê no item 10.3 Segurança em Projetos, uma séria de requisitos. Analise
as assertivas abaixo e assinale V, se verdadeiras, ou F, se falsas.
( ) É recomendável que os projetos de instalações elétricas especifiquem dispositivos de desligamento de circuitos que tenham recursos para impedimento de reenergização, para sinalização de advertência com indicação da condição operativa.
( ) O projeto elétrico obrigatoriamente deve prever a instalação de dispositivo de seccionamento de ação simultânea que permita a aplicação de impedimento de reenergização do circuito.
( ) O projeto de instalações elétricas deve considerar o espaço seguro, quanto ao dimensionamento e a localização de seus componentes e as influências externas, quando da operação e da realização de serviços de construção e manutenção.
A ordem correta de preenchimento dos parênteses, de cima para baixo, é:
( ) É recomendável que os projetos de instalações elétricas especifiquem dispositivos de desligamento de circuitos que tenham recursos para impedimento de reenergização, para sinalização de advertência com indicação da condição operativa.
( ) O projeto elétrico obrigatoriamente deve prever a instalação de dispositivo de seccionamento de ação simultânea que permita a aplicação de impedimento de reenergização do circuito.
( ) O projeto de instalações elétricas deve considerar o espaço seguro, quanto ao dimensionamento e a localização de seus componentes e as influências externas, quando da operação e da realização de serviços de construção e manutenção.
A ordem correta de preenchimento dos parênteses, de cima para baixo, é:
Provas
Questão presente nas seguintes provas
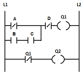
Para o diagrama Ladder a seguir, determine a expressão booleana equivalente para a saída Q2.

Provas
Questão presente nas seguintes provas
Uma carga de 30 KW está conectada a uma linha de 230 V e apresenta Fator de Potência (FP) 0,5 indutivo. A empresa que fornece energia para os consumidores industriais está exigindo FP = 0,866 indutivo. Determine o valor do banco de capacitor que corrige o fator de potência. A frequência da rede elétrica é de 50 Hz. Considere valor de \( \pi \) = 3,14.
Provas
Questão presente nas seguintes provas
Determine a expressão booleana equivalente ao circuito com portas lógicas
apresentado na imagem a seguir: 

Provas
Questão presente nas seguintes provas
Cadernos
Caderno Container