Foram encontradas 50 questões.
Analise a imagem a seguir. Sabendo que a fonte fornece 1 W, determine o valor de R.

Provas
Questão presente nas seguintes provas
Analise a imagem a seguir. A área de engenharia de uma empresa de tecnologia
detectou um problema de ruído na faixa de 22Khz. Para resolver o problema, definiram que seria
implementado um filtro passa baixa uma oitava abaixo do sinal de ruído. Determine o valor do indutor
para que o projeto atenda a especificação. Considere π = 3,14 e o valor do indutor arredondado sem
casas decimais.


Provas
Questão presente nas seguintes provas
Determine a impedância equivalente no formato retangular para o circuito
apresentado na imagem a seguir. Considere o valor arredondado sem casas decimais e π = 3,14.


Provas
Questão presente nas seguintes provas
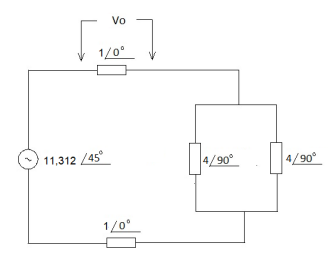
Determine a tensão Vo na forma retangular para o circuito apresentado na imagem a seguir:

Provas
Questão presente nas seguintes provas
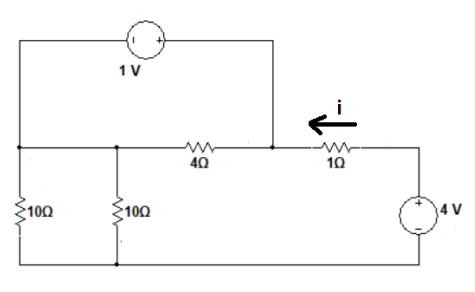
Para o circuito apresentado na imagem a seguir, determine a corrente “i”.

Provas
Questão presente nas seguintes provas
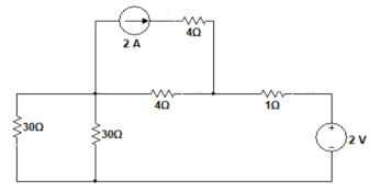
Para o circuito apresentado na imagem a seguir, determine a potência no resistor de 1Ω.

Provas
Questão presente nas seguintes provas
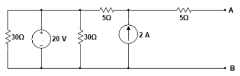
Para o circuito apresentado na imagem a seguir, determine a corrente e a resistência
de Norton entre os terminais A e B.


Provas
Questão presente nas seguintes provas
Sabendo que a leitura do amperímetro ideal é de -333 mA, determine o valor da
resistência equivalente do circuito apresentado na imagem a seguir.


Provas
Questão presente nas seguintes provas
- SUSLei 8.080/1990: Lei Orgânica da SaúdeSistema Único de SaúdeArts. 8º ao 14-B: Organização, Direção e Gestão
- Planejamento e Gestão
Relacione a Coluna 1 à Coluna 2, associando as comissões intergestores com as
atribuições, organização e funcionamento.
Coluna 1 1. CIT (Comissão Intergestora Tripartite). 2. CIB (Comissão Intergestora Bipartite). 3. CIR (Comissão Intergestora Regional).
Coluna 2 ( ) Vinculada ao Ministério da Saúde para efeitos administrativos e operacionais.
( ) Pactuação dos critérios para o planejamento integrado das ações e serviços de saúde da Região de Saúde, em razão do compartilhamento da gestão.
( ) Vinculada à Secretaria Estadual de Saúde para efeitos administrativos e operacionais, devendo observar as diretrizes da CIB.
( ) Vinculada à Secretaria Estadual de Saúde para efeitos administrativos e operacionais.
A ordem correta de preenchimento dos parênteses, de cima para baixo, é:
Coluna 1 1. CIT (Comissão Intergestora Tripartite). 2. CIB (Comissão Intergestora Bipartite). 3. CIR (Comissão Intergestora Regional).
Coluna 2 ( ) Vinculada ao Ministério da Saúde para efeitos administrativos e operacionais.
( ) Pactuação dos critérios para o planejamento integrado das ações e serviços de saúde da Região de Saúde, em razão do compartilhamento da gestão.
( ) Vinculada à Secretaria Estadual de Saúde para efeitos administrativos e operacionais, devendo observar as diretrizes da CIB.
( ) Vinculada à Secretaria Estadual de Saúde para efeitos administrativos e operacionais.
A ordem correta de preenchimento dos parênteses, de cima para baixo, é:
Provas
Questão presente nas seguintes provas
Assinale a alternativa correta quanto ao planejamento do SUS conforme o
Decreto nº 7.508/2011.
Provas
Questão presente nas seguintes provas
Cadernos
Caderno Container