Foram encontradas 2.101 questões.
Considere que uma carga R está ligada a uma fonte de alimentação V1 e dissipa uma
Potência P1. Em dado momento, essa mesma carga teve a sua fonte de alimentação substituída por
outra de V2 = 3xV1. Sendo assim, assinale a alternativa correta.
Provas
Questão presente nas seguintes provas
Analise o circuito da figura abaixo e determine a corrente total circulante para as
duas posições X (Ix) e Y (Iy) da chave S.


Provas
Questão presente nas seguintes provas
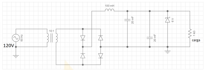
Analise o circuito da figura abaixo e assinale a alternativa correta. Considere que
Vz = 6 V e que todos os componentes são ideais.


Provas
Questão presente nas seguintes provas
Com base no circuito da figura abaixo, no qual todos os diodos zener Vz = 10 V,
determine as leituras máxima e mínima do voltímetro. Assuma comportamento ideal para todos os
componentes.


Provas
Questão presente nas seguintes provas
Considerando a figura abaixo, que apresenta um triângulo de potências de um
sistema elétrico monofásico, determine o Fator de Potência (FP). Realize arredondamentos a partir da
3ª casa decimal.


Provas
Questão presente nas seguintes provas
Para configurar uma conexão de servidor automaticamente, são aplicados os passos
a seguir: primeiro, no aplicativo Configurações (representado pelo ícone de uma engrenagem),
deve-se selecionar “Rede e Internet”, e, depois, “Proxy” e, na sequência:
Provas
Questão presente nas seguintes provas
A configuração de um proxy no ambiente Linux envolve a inspeção do conteúdo das
variáveis de ambiente. Para verificar se as variáveis de proxy foram definidas para a sessão atual,
qual é o comando usado no terminal para que a existência e o conteúdo possa ser listado?
Provas
Questão presente nas seguintes provas
Para que o cliente extraia as mensagens de e-mail do servidor, é necessário um
agente de acesso à mensagem, como o protocolo de acesso à mensagem
Provas
Questão presente nas seguintes provas
Para os agentes de transferência de correio eletrônico (MTAs), qual é a função
fundamental do protocolo SMTP?
Provas
Questão presente nas seguintes provas
3746854
Ano: 2025
Disciplina: TI - Organização e Arquitetura dos Computadores
Banca: FUNDATEC
Orgão: GHC
Disciplina: TI - Organização e Arquitetura dos Computadores
Banca: FUNDATEC
Orgão: GHC
Provas:
No contexto da computação, os computadores ou sistemas computacionais que
atendem requisições de dispositivos clientes, através de uma ou mais redes, capazes de executar
aplicações, prover processamento e ter capacidade de armazenamento de dados são denominados:
Provas
Questão presente nas seguintes provas
Cadernos
Caderno Container