Foram encontradas 1.792 questões.

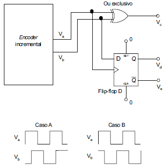
Um encoder incremental possui dois sinais de saída, na forma de onda quadrada, de mesma frequência e defasados em ¼ de ciclo. Assumindo que as saídas dos canais tenham ciclo de trabalho de 50%, existem duas possibilidades para a temporização dos mesmos, conforme indicado por caso A e caso B na figura acima. Os sinais do encoder incremental são processados pelo circuito digital indicado na mesma figura. Acerca do funcionamento desse circuito em regime permanente, e considerando que todos os componentes do circuito são ideais, julgue o item subsequente.
Se as saídas do encoder incremental se comportarem conforme ilustrado no caso A, então a saída Vd do flip-flop do tipo D sempre estará em nível lógico alto.
Provas

Um encoder incremental possui dois sinais de saída, na forma de onda quadrada, de mesma frequência e defasados em ¼ de ciclo. Assumindo que as saídas dos canais tenham ciclo de trabalho de 50%, existem duas possibilidades para a temporização dos mesmos, conforme indicado por caso A e caso B na figura acima. Os sinais do encoder incremental são processados pelo circuito digital indicado na mesma figura. Acerca do funcionamento desse circuito em regime permanente, e considerando que todos os componentes do circuito são ideais, julgue o item subsequente.
Se o sinal Vb estivesse sempre em nível alto, a porta ou-exclusivo (exclusive-Or) inverteria o sinal Va.
Provas

Um encoder incremental possui dois sinais de saída, na forma de onda quadrada, de mesma frequência e defasados em ¼ de ciclo. Assumindo que as saídas dos canais tenham ciclo de trabalho de 50%, existem duas possibilidades para a temporização dos mesmos, conforme indicado por caso A e caso B na figura acima. Os sinais do encoder incremental são processados pelo circuito digital indicado na mesma figura. Acerca do funcionamento desse circuito em regime permanente, e considerando que todos os componentes do circuito são ideais, julgue o item subsequente.
O sinal Vc possui frequência duas vezes maior que a frequência do sinal Vb.
Provas
É normal em satélites modernos a utilização de transponders. A respeito desse assunto, julgue o item abaixo.
Cada transponder consiste de um diplexer, o qual realiza simultaneamente as funções de receptor e transmissor.
Provas
Com referência aos padrões PAL, PAL-M, NTSC e SECAM, julgue o item que se segue.
Em alguns países, o padrão SECAM é exatamente igual ao padrão NTSC. Por essa razão, o padrão SECAM é o preferido nos serviços de TV a cabo.
Provas
Com referência aos padrões PAL, PAL-M, NTSC e SECAM, julgue o item que se segue.
O padrão PAL pode variar conforme o país que o adota.
Provas
Considere que um fornecedor oferece um dispositivo com ótimo preço, que possui, entre outras características, capacidade para sintonizar até 181 canais de TV, codificador MPEG embutido, funciona com TV a cabo, permite a captura de vídeo em padrão NTSC e PAL. A respeito dessas informações, julgue o item a seguir.
A descrição do dispositivo oferecido pelo fornecedor é típica de uma placa de rede PCI, com capacidade de pelo menos 100 Mbps.
Provas
Com referência a sistemas de comunicação via rádio, julgue o item que se segue.
Em um sistema de transmissão via rádio, o transmissor e os possíveis receptores têm que estar fisicamente localizados em uma mesma linha reta (alinhados).
Provas
Com referência a sistemas de comunicação via rádio, julgue o item que se segue.
Os canais de rádio não precisam de cabos físicos para o estabelecimento de comunicação entre um transmissor e um receptor.
Provas
Acerca dos meios físicos para transmissão de dados, que incluem cabos coaxiais, par trançado, fibra óptica, transmissão via rádio, transmissão via satélite etc., julgue o item que se segue.
O meio de transmissão do tipo cabo coaxial possui melhor blindagem que o cabo par trançado.
Provas
Caderno Container