Foram encontradas 880 questões.
Determinado engenheiro mecânico está revisando um projeto de um sistema de tubulação utilizando o software AutoCAD. Ele precisa verificar o ângulo de inclinação de um segmento inclinado; medir a distância entre dois pontos ao longo de um tubo; e identificar as propriedades geométricas de um objeto no modelo. Sobre o uso dos comandos disponíveis no AutoCAD para a realização da tarefa, assinale a afirmativa correta.
Provas
O ciclo refrigeração de compressão de vapor surge a partir de alterações no ciclo de Carnot reverso. Para torná-lo possível, essas alterações são: a vaporização completa do fluido refrigerante antes de sua entrada no compressor e a substituição da turbina por um dispositivo de estrangulamento, como uma válvula de expansão ou um tubo capilar. Assim, o ciclo é composto de quatro processos ideais. Nesse contexto, assinale a alternativa em que a descrição de um dos processos NÃO está corretamente apresentada.
Provas
Uma máquina térmica é um dispositivo que transforma a energia interna de um combustível em energia mecânica. Também pode ser definida como o dispositivo capaz de converter calor em trabalho. Tanto as máquinas térmicas a vapor, que operam com o vapor d'água produzido em uma caldeira, quanto as máquinas térmicas de combustão interna, que operam devido aos gases gerados pela queima de combustíveis, têm seu funcionamento baseado no aumento da energia interna das substâncias envolvidas e no trabalho realizado; e, ainda, tanto a energia interna quanto o trabalho dependem da quantidade de energia na forma de calor que foi transferida à substância. Considere que determinada máquina térmica absorve de uma fonte de calor 2 kCal de energia térmica e dissipa 2 kJ para um sorvedouro frio. O rendimento dessa máquina é:
Provas
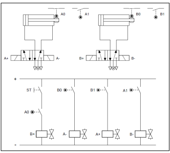
Uma máquina automatizada está sendo projetada para aumentar a eficiência do processo de fracionamento do plasma sanguíneo em uma empresa de biotecnologia. O sistema utiliza dois cilindros pneumáticos de dupla ação, controlados por solenoides de válvulas direcionais e sensores fim de curso, conforme evidenciado na imagem a seguir:

Com base no esquema apresentado, marque V para as afirmativas verdadeiras e F para as falsas.
( ) A sequência correta é B+ A+ B- A- e o sensor A0 confirma o fim do ciclo de retorno do cilindro A.
( ) O sensor fim de curso de B1 comanda o avanço de A, enquanto o sensor fim de curso de A1 comanda o retorno de B.
( ) A sequência correta é B+ A- A+ B- e o retorno do cilindro B ocorre apenas após o retorno do cilindro A ao ponto final.
( ) O cilindro B não pode reiniciar o processo antes do retorno completo do cilindro A.
( ) O retorno do cilindro B é comandado pelo sensor posicionado no início do curso de A (A0).
A sequência está correta em
Provas
O ar-condicionado um equipamento é cada dia mais indispensável nos lares. As ondas de calor devido ao aquecimento global se tornam cada dia mais desproporcionais às médias de temperatura esperadas, principalmente em locais tropicais e subtropicais. Apesar de existirem vários modelos disponíveis no mercado, todos operam com os mesmos princípios básicos para refrigerar o ambiente e proporcionar uma sensação de conforto. O sistema de refrigeração do ar-condicionado é baseado na reprodução de ciclos de compressão e expansão de um gás refrigerante, tipicamente formado por substâncias como CHClF2 e CHF3, que flui por um sistema fechado. A representação esquemática a seguir ilustra simplificadamente o processo:

Sobre o sistema de refrigeração, assinale afirmativa correta.
Provas
Um engenheiro mecânico está projetando uma tubulação para transporte de água de resfriamento em uma usina industrial. O ambiente ao redor contém uma alta concentração de cloretos, o que aumenta o risco de corrosão. Considerando os diferentes tipos de corrosão e as características dos materiais, bem como a melhor abordagem para prevenir a corrosão nesse sistema hipotético, assinale a afirmativa correta.
Provas
Em uma indústria de hemoderivados, determinado engenheiro mecânico está projetando um sistema de escoamento para um fluido newtoniano através de um tubo de diâmetro constante. A temperatura do fluido não sofrerá variações ao longo do escoamento e o fluido pode ser considerado incompressível ou compressível, dependendo das condições de operação. Da mesma forma, o engenheiro mecânico deve avaliar se o escoamento é turbulento ou laminar. Com base nas informações fornecidas, sobre as propriedades e a natureza do fluido, assinale a afirmativa correta.
Provas
Plasma humano tratado com densidade de 1 g/cm³ flui para baixo ao longo de um tubo inclinado 60° em relação à horizontal, conforme evidenciado na imagem a seguir. A diferença de pressão entre os pontos A e B é igual a 2 kPa. Considere a densidade relativa do mercúrio igual a 14 g/cm³ e a aceleração da gravidade igual a 10 m/s²:

Com base nas informações fornecidas, qual o valor aproximado de L se a altura h for igual a 50 mm? √\( 3 \) = \( 1 \), \( 7 \)?
Provas
Determinado engenheiro mecânico está desenvolvendo um projeto para a fabricação de um eixo que será submetido a grandes deformações antes de atingir o limite de ruptura. Para analisar as propriedades de dois possíveis materiais, A e B, ele utiliza o gráfico tensão-deformação apresentado a seguir:

Com base nas propriedades mecânicas dos materiais, assinale a afirmativa correta.
Provas
Determinado engenheiro mecânico é responsável por simular a distribuição de fluidos em uma planta industrial. Para isso, ele precisa identificar possíveis perdas de carga em tubulações e turbulências, otimizar a eficiência do sistema e prever comportamentos do fluido sob diferentes condições de operação. Nesse contexto, qual software e método são considerados mais adequados para realizar essa análise, respectivamente?
Provas
Caderno Container