Foram encontradas 60 questões.
Disciplina: Legislação das Casas Legislativas
Banca: SELECON
Orgão: HEMOMINAS
Segundo o Decreto 47998/2020 da Assembleia Legislativa de Minas Gerais, a classificação atribuída como “Hospital e assemelhado” é a:
Provas
Com relação a elevadores de emergência, de acordo com o CBMMG, sua instalação é obrigatória em ocupações institucionais de classe:
Provas
Observe a imagem a seguir:

Fonte: CBMMG (2020), editado.
Por determinação do CBMMG, uma escada usada como rota de saída de emergência deve cumprir, como requisito, uma altura mínima de pé direito medida verticalmente da parte inferior do teto (ou similar) a uma linha que una as pontas dos bocéis ou quinas dos degraus. Essa dimensão mínima, representada na imagem como “x”, é de:
Provas
- Tecnologia das ConstruçõesSistemas e Elementos ConstrutivosSistemas EstruturaisEstruturas de Concreto
Observe a imagem a seguir:

A imagem é de uma viga em concreto armado, demonstrando componentes do elemento estrutural que devem ser considerados em seu cálculo. Assim, pode-se considerar que os elementos 1, 2 e 3 são, respectivamente:
Provas
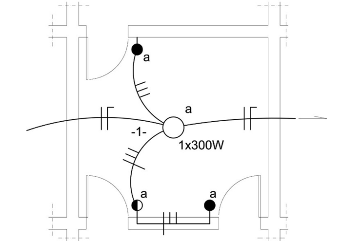
Observe a imagem a seguir:

Fonte: NISKIER, Julio; MACINTYRE, Archibald Joseph (2008), editado.
Com relação à instalação elétrica representada em planta baixa, ela refere-se a uma lâmpada acionada por:
Provas
A ventilação cruzada em edificações é uma estratégia de conforto ambiental que se otimiza ao considerar:
Provas
Numa edificação situada na Região Sudeste, o dispositivo que melhor favorece ao uso de iluminação natural em um ambiente é a:
Provas
De acordo com a Lei Federal 12651/2012, denominada “Novo Código Florestal Brasileiro”, é determinado que se reserve uma faixa marginal de proteção no entorno de lagos e lagoas urbanas de, no mínimo:
Provas
O índice adotado pelas prefeituras municipais das cidades brasileiras que corresponde ao percentual mínimo de área do terreno a ser mantida descoberta, em terreno natural e dotada de vegetação e arborização, chama-se:
Provas
Disciplina: Legislação Específica das Agências Reguladoras
Banca: SELECON
Orgão: HEMOMINAS
De acordo com a RDC 50/2002, que regulamenta o planejamento, a programação, a elaboração e a avaliação de projetos físicos de estabelecimentos assistenciais de saúde, a unidade de Hemoterapia e Hematologia deve prever, dentro do Atendimento a Pacientes Hematológicos, pelo menos uma sala de coleta de material com, no mínimo:
Provas
Caderno Container