Foram encontradas 393 questões.
Para uma aula de Ergonomia, o professor solicitou ao técnico de laboratório que verificasse antes da aula as condições ambientais de trabalho de acordo com a Norma Regulamentadora 17 (NR 17), Ergonomia, em quatro ambientes diferentes conforme descrição:
| Ambiente |
Índice de
Temperatura
Efetiva (°C)
|
Velocidade
do Ar (m/s)
|
Umidade
Relativa
do Ar (%)
|
|
I. Sala de
Controle
|
23 | 0,55 | 60 |
| II. Laboratório | 20 | 0,65 | 45 |
| III. Escritório | 24 | 0,55 | 35 |
| IV. Carpintaria | 26 | 1 | 50 |
Quais ambientes se enquadram nas condições ambientais de trabalho de acordo com a NR 17?
Provas
Questão presente nas seguintes provas
Dadas as afirmativas referentes à Instrução Normativa INSS/PRES nº 45 de 06/08/10 – O Perfil Profissiográfico Previdenciário – PPP,
I. Deverá ser emitido pela empresa empregadora e assinado por representante do SESMT da empresa.
II. As demonstrações ambientais requeridas no PPP podem ser preenchidas com base no PPRA.
III. Tem como finalidade comprovar as condições para habilitação de benefícios e serviços previdenciários, em especial, o benefício de auxílio-doença.
IV. Será impresso sempre que solicitado pelo trabalhador, para fins de requerimento de reconhecimento de períodos laborados em condições especiais.
verifica-se que estão corretas apenas
Provas
Questão presente nas seguintes provas
Para determinar as propriedades calorimétricas de uma amostra sólida de 500,0 g, dispõe-se de um sistema de aquecimento controlado. A figura apresenta o gráfico do comportamento do processo de aquecimento dessa amostra durante o intervalo de tempo de 4 minutos.

Se assumirmos que o equipamento fornece calor numa taxa de 15 kJ/min, qual o calor latente de fusão do sólido?
Provas
Questão presente nas seguintes provas
Qual a forma de corrosão que se caracteriza por um ataque localizado, geralmente associado ao rompimento local de uma película passiva e, muitas vezes, acontecendo na presença de cloretos ou de uma passivação incompleta?
Provas
Questão presente nas seguintes provas
Modulação é o processo no qual a informação transmitida numa comunicação é adicionada a ondas portadoras. O circuito modulador adiciona a informação numa onda especial de tal forma que poderá ser recuperada por um receptor através de um processo reverso chamado demodulação. Dadas as afirmativas sobre a modulação em amplitude (AM),
I. Na modulação AM, a portadora sofre variações em sua amplitude e frequência.
II. O circuito de demodulação AM pode ser construído a partir de um simples diodo, um resistor e um capacitor.
III. A modulação AM tem uma menor imunidade a ruídos quando comparada com a modulação FM.
IV. A modulação FSK é uma aplicação digital da modulação AM.
verifica-se que estão corretas apenas
Provas
Questão presente nas seguintes provas
Em instalações elétricas, há várias formas diferentes de controle de iluminação. No diagrama elétrico, os círculos menores totalmente preenchidos correspondem a interruptores paralelos e os parcialmente preenchidos, a interruptores intermediários. Considerando as luminárias aterradas, assinale a alternativa que apresenta os condutores que passam no eletroduto entre as duas luminárias.

Provas
Questão presente nas seguintes provas
Para facilitar o conhecimento e seleção do melhor método para uma extinção rápida e segura, os incêndios são organizados em classes A, B, C, D e K, de acordo com as características dos seus combustíveis. Assinale a alternativa que se refere aos incêndios de Classe K.
Provas
Questão presente nas seguintes provas
2350694
Ano: 2016
Disciplina: Administração Financeira e Orçamentária
Banca: UFAL
Orgão: IF-AL
Disciplina: Administração Financeira e Orçamentária
Banca: UFAL
Orgão: IF-AL
Provas:
Uma entidade do setor público adquiriu um veículo a prazo por R$ 60.000,00. Que tipo de variação no patrimônio da entidade essa transação provocou?
Provas
Questão presente nas seguintes provas
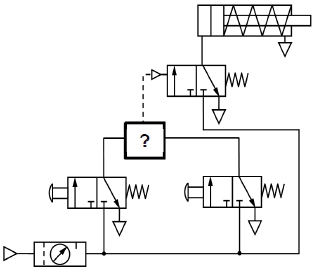
A figura representa um circuito pneumático de fixação de uma máquina que utiliza lógica "ou" onde o cilindro avança quando o operador aciona uma das duas válvulas 3/2 vias com acionamento por botão. Qual a alternativa que representa a simbologia da válvula marcada com uma interrogação?

Provas
Questão presente nas seguintes provas
Um torneiro mecânico usinando um parafuso cuja rosca a ser aberta seria Whitworth, procura o seu supervisor e comunica que devido a um problema operacional no torno, a reversão não está funcionando e não seria possível concluir a tarefa, pois precisaria da reversão da máquina para a abertura da rosca. Por se tratar de uma situação de urgência, o supervisor contra argumenta com o torneiro que volta para o torno e conclui a atividade. Qual foi o argumento usado pelo supervisor para orientar o torneiro?
Provas
Questão presente nas seguintes provas
Cadernos
Caderno Container