Foram encontradas 840 questões.
Considere o seguinte enunciado:
“A integral de linha do vetor campo magnético ao longo de uma trajetória fechada é diretamente proporcional à quantidade de corrente enlaçada pela trajetória.”
A qual lei do eletromagnetismo o enunciado se refere?
Provas
Observe a figura a seguir.

É correto afirmar sobre a forma de onda acima, que a frequência, valor de pico, valor de pico a pico e valor RMS são, respectivamente,
Provas
Uma máquina elétrica monofásica com tensão de 220 V e corrente elétrica de 25 A possui um fator de potência (FP) = cos 60°.
Qual a potência ativa dessa máquina elétrica e o valor do ângulo do cosseno dessa mesma máquina, caso ela fosse totalmente resistiva?
Provas
Para se utilizar um equipamento elétrico com tensão nominal de 127 V em uma residência cuja tensão da energia elétrica é de 220 V, é necessária a utilização de um transformador.
De acordo com essa informação, é correto afirmar que o número de espiras no primário (Np) em relação ao número de espiras no secundário (Ns) e a corrente elétrica no primário (ip) em relação à corrente elétrica no secundário (is) desse transformador é de, aproximadamente,
Provas
Em determinada região rural a energia elétrica disponível pela linha de transmissão é de 13800 V. Com a aquisição de um transformador deseja-se baixar essa tensão para 220 V.
Sobre este transformador é correto afirmar que
Provas
Sobre o indutor é correto afirmar que(,)
Provas
Sobre o capacitor é correto afirmar que(,)
Provas
Considerando-se uma máquina síncrona instalada em uma rede elétrica onde a frequência é de 60 Hz e tensão de 440 V, trabalhando em plena carga, qual será a sua frequência mecânica em Hz, se essa máquina for dotada de 2, 4, 6 e 8 polos, respectivamente?
Provas
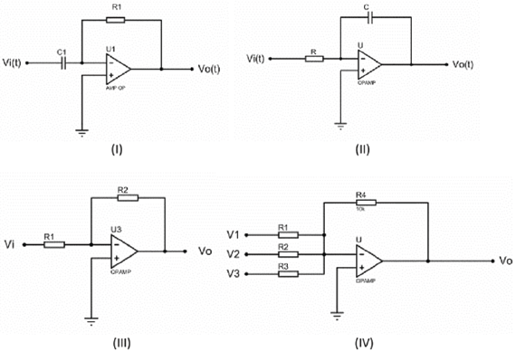
A figura na sequência I, II, III e IV a seguir demostra os amplificadores operacionais.

Os amplificadores operacionais são corretamente apresentados nas respectivas configurações:
Provas
Observe o circuito a seguir.

Determine a corrente elétrica total do circuito de acionamento.
Provas
Caderno Container