Foram encontradas 50 questões.
- UniãoExecutivoDecreto 1.171/1994: Código de Ética do Servidor Público Civil do Poder Executivo Federal
Sobre o Decreto nº 1.171, de 22 de junho de 1994, que aprova o Código de Ética Profissional do Servidor Público, analise as assertivas a seguir.
I - É dever fundamental do servidor jamais retardar qualquer prestação de contas, condição essencial da gestão dos bens, direitos e serviços da coletividade a seu cargo.
II - É dever fundamental do servidor ter consciência de que seu trabalho é regido por princípios éticos que se materializam na adequada prestação dos serviços públicos.
III - É dever fundamental do servidor ser, em função de seu espírito de solidariedade, conivente com erro ou infração a este Código de Ética ou ao Código de Ética de sua profissão.
Está correto apenas o que se afirma em
Provas
Considere o circuito ilustrado na sequência, composto por capacitores e diodos ideais.

Se a fonte de tensão alternada varia senoidalmente no tempo com um valor de pico igual a 10 V, qual a tensão eficaz na saída do circuito (!$ \nu_0 !$) para uma condição de operação em regime permanente (ou seja, circuito energizado há muito tempo)?
Provas
A figura da questão ilustra um circuito composto por elementos passivos ideais (resistores, indutores e capacitores), alimentados por uma fonte de tensão contínua de 30 V.

Qual a potência total dissipada no resistor de 2 !$ \Omega !$ para a condição de regime permanente de operação?
Provas
Preencha corretamente as lacunas do texto a seguir a respeito dos transistores de efeito de campo metal-óxido-semicondutor (MOSFET) e suas características construtivas.
Em um MOSFET tipo de canal que apresenta todos os seus terminais em aberto, a base de silício na qual o dispositivo é construído (chamada substrato) é formada por um semicondutor com dopagem tipo e o canal existente que interliga o terminal de Dreno ao terminal Fonte é formado por um semicondutor com dopagem tipo .
A sequência que preenche corretamente as lacunas do texto é
Provas
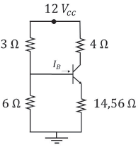
Um circuito muito empregado para a polarização CC de um transistor é apresentado na figura a seguir.

Sabendo-se que a queda de tensão base-emissor pode ser aproximada por 0,7 V e que o ganho !$ \beta !$ do TBJ é de 49, qual o valor da corrente IB na base do transistor?
Provas
Um técnico, ao realizar a manutenção em um circuito RL de primeira ordem (ilustrado a seguir), constatou curtos-circuitos em algumas espiras do indutor, ocasionando a diminuição de sua indutância à metade de seu valor original.

Sabendo-se que, ao energizar o circuito defeituoso com uma fonte de tensão contínua (chave S é fechada em t=0 s), é correto afirmar que
Provas
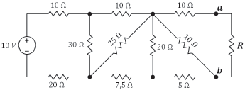
Observe o circuito ilustrado a seguir, composto por elementos passivos ideais e por uma fonte de tensão contínua.

Qual o valor do resistor R que promove a condição de máxima transferência de potência através dos terminais a e b?
Provas
Sobre o efeito dos raios nos diversos elementos dos sistemas elétricos de potência é INCORRETO afirmar que (,)
Provas
Analise as afirmações indicadas na sequência, referentes à ABNT NBR 5410.
I - O barramento de equipotencialização local é destinado a servir de via de interligação de todos os elementos que podem ser incluídos em uma equipotencialização suplementar.
II - A proteção básica contra choques elétricos constitui um meio destinado a suprir a proteção quando partes condutivas se tornam acidentalmente vivas.
III - O disjuntor DR é dimensionado para realizar o seccionamento mecânico (ou abertura de contatos) quando a corrente de fuga na instalação supera um limiar pré-estabelecido.
IV - OS DPS são dispositivos dimensionados para proteger a instalação elétrica contra correntes de curto circuito de baixa frequência.
Está correto apenas o que se afirma em
Provas
Analise as afirmações elencadas na sequência, referentes a sistemas de aterramentos elétricos.
I - O Método de Frank-Wenner é utilizado para se determinar diretamente a resistência de aterramento de configurações complexas.
II - Para fenômenos de frequências mais elevadas, tais como as descargas atmosféricas, a representação do aterramento como uma resistência elétrica não é suficiente para descrever a resposta do sistema.
III - Quanto menor a condutividade do solo onde está instalada uma linha de transmissão, melhor o seu desempenho frente à incidência de raios.
IV - O tratamento químico do solo apresenta-se como uma solução pouco efetiva para redução drástica da resistência de aterramento de configurações extensas de eletrodos.
Está correto apenas o que se afirma em
Provas
Caderno Container