Foram encontradas 60 questões.
A resistência elétrica equivalente entre os pontos A e B, para o circuito mostrado na figura abaixo, é, aproximadamente,

Provas
Questão presente nas seguintes provas
Leia o texto e responda a questão abaixo.
n.º 118/2009/GR
Em 7 de maio de 2009.
Ao Senhor Chefe do Departamento de Administração
Assunto: Instalação de microcomputadores
1. Nos termos do Plano Geral de informatização, solicitamos a 1 verificar a possibilidade de que sejam instalados três microcomputadores neste Departamento.
2. Ressaltamos que o equipamento seja dotado de disco rígido e de monitor padrão EGA. Quanto a programas, haverá necessidade de dois tipos: um processador de textos e outro gerenciador de banco de dados.
3. Sugerimos que o treinamento de pessoal para operação dos micros esteja a cargo da Seção de Treinamento do Departamento de Modernização, cuja chefia já manifestou seu acordo a respeito.
4. Mencionamos, por fim, que a informatização dos trabalhos deste Departamento ensejará racional distribuição de tarefas entre os servidores e, sobretudo, uma melhoria na qualidade dos serviços prestados. Atenciosamente,
[nome]
[cargo]
Disponível em <http://redacaooficial.ufsc.br>
O pronome de tratamento que completa adequadamente a lacuna 1 do texto é
Provas
Questão presente nas seguintes provas
O tipo de componente do estado sólido, que é utilizado no circuito de potência de um inversor de frequência, e o tipo de modulação empregada para a formação da onda senoidal de saída do inversor são, respectivamente,
Provas
Questão presente nas seguintes provas
A carga de uma instalação industrial é 40 kW, com fator de potência indutivo 0,8. Deseja-se corrigir o fator de potência, para que seja unitário. Neste caso, é necessário acrescentar um banco de capacitores com potência reativa de
Provas
Questão presente nas seguintes provas
No sistema internacional de unidades (SI), o comprimento, a potência elétrica, a tensão elétrica e o tempo são, respectivamente, expressos em
Provas
Questão presente nas seguintes provas
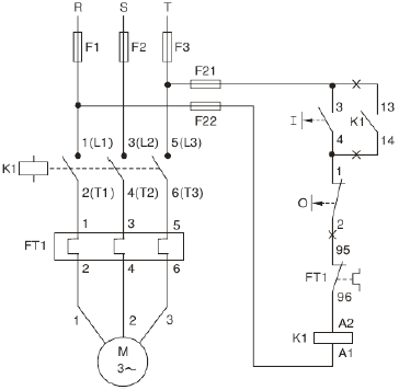
A figura representa o diagrama de força para partida de um motor de indução trifásico.

Este esquema refere-se à partida
Provas
Questão presente nas seguintes provas
A figura mostra a tabela verdade para um circuito lógico combinacional com três variáveis: C, B e A.
| C | B | A | Y |
| 0 | 0 | 0 | 0 |
| 0 | 0 | 1 | 0 |
| 0 | 1 | 0 | 1 |
| 0 | 1 | 1 | 1 |
| 1 | 0 | 0 | 1 |
| 1 | 0 | 1 | 1 |
| 1 | 1 | 0 | 0 |
| 1 | 1 | 1 | 0 |
A expressão lógica simplificada para a saída Y deste circuito é
Provas
Questão presente nas seguintes provas
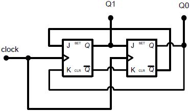
A sequência da contagem realizada pelo contador síncrono, mostrado no circuito da figura abaixo, admitindo-se que Q1 é o bit mais significativo, é

Provas
Questão presente nas seguintes provas
TEXTO 1
UM AMIGO POR UM DEFUNTO
Quanto à outra pessoa que teve a força obliterativa, foi o meu colega Escobar que no domingo, antes do meio-dia, veio ter a Mata-cavalos. Um amigo supria assim um defunto, e tal amigo que durante cerca de cinco minutos esteve com a minha mão entre as suas, como se me não visse desde longos meses.
– Você – janta comigo, Escobar?
– Vim para isto mesmo.
Minha mãe agradeceu-lhe a amizade que me tinha, e ele respondeu com muita polidez, ainda que um tanto atado, como se carecesse de palavra pronta. Já viste que não era assim, a palavra obedecia-lhe, mas o homem não é sempre o mesmo em todos os instantes. O que ele disse, em resumo, foi que me estimava pelas minhas boas qualidades e aprimorada educação; no seminário todos me queriam bem, nem podia deixar de ser assim, acrescentou. Insistia na educação, nos bons exemplos, "na doce e rara mãe" que o céu me deu... Tudo isso com a voz engasgada e trêmula.
Todos ficaram gostando dele. Eu estava tão contente como se Escobar fosse invenção minha. José Dias desfechou-lhe dois superlativos, tio Cosme dois capotes, e prima Justina não achou tacha que lhe pôr; depois, sim, no segundo ou terceiro domingo, veio ela confessar-nos que o meu amigo Escobar era um tanto metediço e tinha uns olhos policiais a que não escapava nada.
– São os olhos dele, expliquei.
– Nem eu digo que sejam de outro.
– São olhos refletidos, opinou tio Cosme.
– Seguramente, acudiu José Dias; entretanto, pode ser que a senhora D. Justina tenha alguma razão. A verdade é que uma coisa não impede outra, e a reflexão casa-se muito bem à curiosidade natural. Parece curioso, isso parece, mas...
– A mim parece-me um mocinho muito sério, disse minha mãe.
– Justamente! confirmou José Dias para não discordar dela.
Quando eu referi a Escobar aquela opinião de minha mãe (sem lhe contar as outras, naturalmente), vi que o prazer dele foi extraordinário. Agradeceu, dizendo que eram bondades, e elogiou também minha mãe, senhora grave, distinta e moça, muito moça... Que idade teria?
– Já fez quarenta, respondi eu vagamente por vaidade.
– Não é possível! exclamou Escobar. Quarenta anos! Nem parece trinta; está muito moça e bonita. Também a alguém há de você sair, com esses olhos que Deus lhe deu; são exatamente os dela. Enviuvou há muitos anos?
Contei-lhe o que sabia da vida dela e de meu pai. Escobar escutava atento,perguntando mais, pedindo explicação das passagens omissas ou só escuras. Quando eu lhe disse que não me lembrava nada da roça, tão pequenino viera, contou-me duas ou três reminiscências dos seus três anos de idade, ainda agora frescas. E não contávamos voltar à roça?
– Não, agora não voltamos mais. Olhe, aquele preto que ali vai passando, é de lá.Tomás!
– Nhonhô!
Estávamos na horta da minha casa, e o preto andava em serviço; chegou-se a nós e esperou.
– É casado, disse eu para Escobar. Maria onde está?
– Está socando milho, sim, senhor.
– Você ainda se lembra da roça, Tomás?
– Alembra, sim, senhor.
– Bem, vá-se embora.
Mostrei outro, mais outro, e ainda outro, este Pedro, aquele José, aquele outro Damião...
– Todas as letras do alfabeto, interrompeu Escobar.
Com efeito, eram diferentes letras, e só então reparei nisto; apontei ainda outros escravos, alguns com os mesmos nomes, distinguindo-se por um apelido, ou da pessoa, como João Fulo, Maria Gorda, ou de nação como Pedro Benguela, Antônio Moçambique...
– E estão todos aqui em casa? perguntou ele.
– Não, alguns andam ganhando na rua, outros estão alugados. Não era possível ter todos em casa. Nem são todos os da roça; a maior parte ficou lá.
– O que me admira é que D. Glória se acostumasse logo a viver em casa da cidade, onde tudo é apertado; a de lá é naturalmente grande. ]
– Não sei, mas parece. Mamãe tem outras casas maiores que esta; diz porém que há de morrer aqui. As outras estão alugadas. Algumas são bem grandes, como a da Rua da Quitanda...
– Conheço essa; é bonita.
– Tem também no Rio Comprido, na Cidade-Nova, uma no Catete...
– Não lhe hão de faltar tetos, concluiu ele sorrindo com simpatia.
Caminhamos para o fundo. Passamos o lavadouro; ele parou um instante aí, mirando a pedra de bater roupa e fazendo reflexões a propósito do asseio; depois continuamos. Quais foram as reflexões não me lembra agora; lembra-me só que as achei engenhosas, e ri, ele riu também. A minha alegria acordava a dele, e o céu estava tão azul, e o ar tão claro, que a natureza parecia rir também conosco. São assim as boas horas deste mundo. Escobar confessou esse acordo do interno com o externo, por palavras tão finas e altas que me comoveram; depois, a propósito da beleza moral que se ajusta à física, tornou a falar de minha mãe, "um anjo dobrado", disse ele.
ASSIS, Machado de. Dom Casmurro. Texto de referência: Obras Completas de Machado de Assis, vol. I, Nova Aguilar, Rio de Janeiro, 1994. Publicado originalmente pela Editora Garnier, Rio de Janeiro, 1899.
Disponível em <http://machado.mec.gov.br/images/stories/pdf/romance/marm08.pdf>
A oração destacada em "(...) o céu estava tão azul, e o ar tão claro, que a natureza parecia rir também conosco.", expressa ideia de
Provas
Questão presente nas seguintes provas
Observe os principais componentes básicos internos de um instrumento de medição, descritos na figura.
a = Gancho (bobinado secundário do TC)
b = Retificador
c = Resistor Shunt para medições amperimétricas
d = Escala
e = Terminais
f = Seletor de escala
g = Resistor de amortecimento para medições voltimétricas
b = Retificador
c = Resistor Shunt para medições amperimétricas
d = Escala
e = Terminais
f = Seletor de escala
g = Resistor de amortecimento para medições voltimétricas

Este instrumento é o
Provas
Questão presente nas seguintes provas
Cadernos
Caderno Container