Foram encontradas 60 questões.
Considere-se que um motor trifásico de 12 terminais pode ser ligado nos quatro modos dados abaixo.

Caracteriza, coerentemente, cada modo de ligação em relação à tensão de linha de alimentação do motor em, respectivamente,
Provas
Questão presente nas seguintes provas
Sobre motores de indução, analise as afirmativas.
I. Motores a duplo capacitor combinam as vantagens da operação silenciosa e do controle limitado da velocidade de um motor a capacitor permanente, com o torque de partida elevado de um motor com partida a capacitor.
II. Motores de indução de polos sombreados possuem usualmente polos salientes, com uma porção de cada polo envolvida por uma espira de cobre em curto-circuito, chamada bobina de arraste.
III. Motores de fase dividida apresentam dois enrolamentos no estator: o enrolamento principal e o enrolamento auxiliar. Como em um motor bifásico, os eixos deste enrolamento estão defasados entre si em 90º elétricos no espaço.
IV. Motores com partida a capacitor também são de fase dividida, mas o deslocamento da fase, no tempo entre as duas correntes, é obtido por meio de um capacitor em paralelo com o enrolamento auxiliar.
Estão corretas:
Provas
Questão presente nas seguintes provas
Sobre os semicondutores MOSFET e IGBT, é correto afirmar-se que
Provas
Questão presente nas seguintes provas
TEXTO 1
UM AMIGO POR UM DEFUNTO
Quanto à outra pessoa que teve a força obliterativa, foi o meu colega Escobar que no domingo, antes do meio-dia, veio ter a Mata-cavalos. Um amigo supria assim um defunto, e tal amigo que durante cerca de cinco minutos esteve com a minha mão entre as suas, como se me não visse desde longos meses.
– Você – janta comigo, Escobar?
– Vim para isto mesmo.
Minha mãe agradeceu-lhe a amizade que me tinha, e ele respondeu com muita polidez, ainda que um tanto atado, como se carecesse de palavra pronta. Já viste que não era assim, a palavra obedecia-lhe, mas o homem não é sempre o mesmo em todos os instantes. O que ele disse, em resumo, foi que me estimava pelas minhas boas qualidades e aprimorada educação; no seminário todos me queriam bem, nem podia deixar de ser assim, acrescentou. Insistia na educação, nos bons exemplos, "na doce e rara mãe" que o céu me deu... Tudo isso com a voz engasgada e trêmula.
Todos ficaram gostando dele. Eu estava tão contente como se Escobar fosse invenção minha. José Dias desfechou-lhe dois superlativos, tio Cosme dois capotes, e prima Justina não achou tacha que lhe pôr; depois, sim, no segundo ou terceiro domingo, veio ela confessar-nos que o meu amigo Escobar era um tanto metediço e tinha uns olhos policiais a que não escapava nada.
– São os olhos dele, expliquei.
– Nem eu digo que sejam de outro.
– São olhos refletidos, opinou tio Cosme.
– Seguramente, acudiu José Dias; entretanto, pode ser que a senhora D. Justina tenha alguma razão. A verdade é que uma coisa não impede outra, e a reflexão casa-se muito bem à curiosidade natural. Parece curioso, isso parece, mas...
– A mim parece-me um mocinho muito sério, disse minha mãe.
– Justamente! confirmou José Dias para não discordar dela.
Quando eu referi a Escobar aquela opinião de minha mãe (sem lhe contar as outras, naturalmente), vi que o prazer dele foi extraordinário. Agradeceu, dizendo que eram bondades, e elogiou também minha mãe, senhora grave, distinta e moça, muito moça... Que idade teria?
– Já fez quarenta, respondi eu vagamente por vaidade.
– Não é possível! exclamou Escobar. Quarenta anos! Nem parece trinta; está muito moça e bonita. Também a alguém há de você sair, com esses olhos que Deus lhe deu; são exatamente os dela. Enviuvou há muitos anos?
Contei-lhe o que sabia da vida dela e de meu pai. Escobar escutava atento,perguntando mais, pedindo explicação das passagens omissas ou só escuras. Quando eu lhe disse que não me lembrava nada da roça, tão pequenino viera, contou-me duas ou três reminiscências dos seus três anos de idade, ainda agora frescas. E não contávamos voltar à roça?
– Não, agora não voltamos mais. Olhe, aquele preto que ali vai passando, é de lá.Tomás!
– Nhonhô!
Estávamos na horta da minha casa, e o preto andava em serviço; chegou-se a nós e esperou.
– É casado, disse eu para Escobar. Maria onde está?
– Está socando milho, sim, senhor.
– Você ainda se lembra da roça, Tomás?
– Alembra, sim, senhor.
– Bem, vá-se embora.
Mostrei outro, mais outro, e ainda outro, este Pedro, aquele José, aquele outro Damião...
– Todas as letras do alfabeto, interrompeu Escobar.
Com efeito, eram diferentes letras, e só então reparei nisto; apontei ainda outros escravos, alguns com os mesmos nomes, distinguindo-se por um apelido, ou da pessoa, como João Fulo, Maria Gorda, ou de nação como Pedro Benguela, Antônio Moçambique...
– E estão todos aqui em casa? perguntou ele.
– Não, alguns andam ganhando na rua, outros estão alugados. Não era possível ter todos em casa. Nem são todos os da roça; a maior parte ficou lá.
– O que me admira é que D. Glória se acostumasse logo a viver em casa da cidade, onde tudo é apertado; a de lá é naturalmente grande. ]
– Não sei, mas parece. Mamãe tem outras casas maiores que esta; diz porém que há de morrer aqui. As outras estão alugadas. Algumas são bem grandes, como a da Rua da Quitanda...
– Conheço essa; é bonita.
– Tem também no Rio Comprido, na Cidade-Nova, uma no Catete...
– Não lhe hão de faltar tetos, concluiu ele sorrindo com simpatia.
Caminhamos para o fundo. Passamos o lavadouro; ele parou um instante aí, mirando a pedra de bater roupa e fazendo reflexões a propósito do asseio; depois continuamos. Quais foram as reflexões não me lembra agora; lembra-me só que as achei engenhosas, e ri, ele riu também. A minha alegria acordava a dele, e o céu estava tão azul, e o ar tão claro, que a natureza parecia rir também conosco. São assim as boas horas deste mundo. Escobar confessou esse acordo do interno com o externo, por palavras tão finas e altas que me comoveram; depois, a propósito da beleza moral que se ajusta à física, tornou a falar de minha mãe, "um anjo dobrado", disse ele.
ASSIS, Machado de. Dom Casmurro. Texto de referência: Obras Completas de Machado de Assis, vol. I, Nova Aguilar, Rio de Janeiro, 1994. Publicado originalmente pela Editora Garnier, Rio de Janeiro, 1899.
Disponível em <http://machado.mec.gov.br/images/stories/pdf/romance/marm08.pdf>
Passando, corretamente, os verbos dos fragmentos abaixo, extraídos do texto, que se encontram no imperativo afirmativo, para o imperativo negativo, temos, respectivamente,
"Olhe, aquele preto que ali vai passando, é de lá. Tomás!".
"– Bem, vá-se embora."
Provas
Questão presente nas seguintes provas
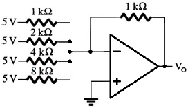
O circuito abaixo representa um amplificador inversor somador. O valor da tensão de saída Vo é

Provas
Questão presente nas seguintes provas
Ao transformar a fonte de corrente abaixo para uma fonte de tensão, é correto afirmar-se que

Provas
Questão presente nas seguintes provas
TEXTO 1
UM AMIGO POR UM DEFUNTO
Quanto à outra pessoa que teve a força obliterativa, foi o meu colega Escobar que no domingo, antes do meio-dia, veio ter a Mata-cavalos. Um amigo supria assim um defunto, e tal amigo que durante cerca de cinco minutos esteve com a minha mão entre as suas, como se me não visse desde longos meses.
– Você – janta comigo, Escobar?
– Vim para isto mesmo.
Minha mãe agradeceu-lhe a amizade que me tinha, e ele respondeu com muita polidez, ainda que um tanto atado, como se carecesse de palavra pronta. Já viste que não era assim, a palavra obedecia-lhe, mas o homem não é sempre o mesmo em todos os instantes. O que ele disse, em resumo, foi que me estimava pelas minhas boas qualidades e aprimorada educação; no seminário todos me queriam bem, nem podia deixar de ser assim, acrescentou. Insistia na educação, nos bons exemplos, "na doce e rara mãe" que o céu me deu... Tudo isso com a voz engasgada e trêmula.
Todos ficaram gostando dele. Eu estava tão contente como se Escobar fosse invenção minha. José Dias desfechou-lhe dois superlativos, tio Cosme dois capotes, e prima Justina não achou tacha que lhe pôr; depois, sim, no segundo ou terceiro domingo, veio ela confessar-nos que o meu amigo Escobar era um tanto metediço e tinha uns olhos policiais a que não escapava nada.
– São os olhos dele, expliquei.
– Nem eu digo que sejam de outro.
– São olhos refletidos, opinou tio Cosme.
– Seguramente, acudiu José Dias; entretanto, pode ser que a senhora D. Justina tenha alguma razão. A verdade é que uma coisa não impede outra, e a reflexão casa-se muito bem à curiosidade natural. Parece curioso, isso parece, mas...
– A mim parece-me um mocinho muito sério, disse minha mãe.
– Justamente! confirmou José Dias para não discordar dela.
Quando eu referi a Escobar aquela opinião de minha mãe (sem lhe contar as outras, naturalmente), vi que o prazer dele foi extraordinário. Agradeceu, dizendo que eram bondades, e elogiou também minha mãe, senhora grave, distinta e moça, muito moça... Que idade teria?
– Já fez quarenta, respondi eu vagamente por vaidade.
– Não é possível! exclamou Escobar. Quarenta anos! Nem parece trinta; está muito moça e bonita. Também a alguém há de você sair, com esses olhos que Deus lhe deu; são exatamente os dela. Enviuvou há muitos anos?
Contei-lhe o que sabia da vida dela e de meu pai. Escobar escutava atento,perguntando mais, pedindo explicação das passagens omissas ou só escuras. Quando eu lhe disse que não me lembrava nada da roça, tão pequenino viera, contou-me duas ou três reminiscências dos seus três anos de idade, ainda agora frescas. E não contávamos voltar à roça?
– Não, agora não voltamos mais. Olhe, aquele preto que ali vai passando, é de lá.Tomás!
– Nhonhô!
Estávamos na horta da minha casa, e o preto andava em serviço; chegou-se a nós e esperou.
– É casado, disse eu para Escobar. Maria onde está?
– Está socando milho, sim, senhor.
– Você ainda se lembra da roça, Tomás?
– Alembra, sim, senhor.
– Bem, vá-se embora.
Mostrei outro, mais outro, e ainda outro, este Pedro, aquele José, aquele outro Damião...
– Todas as letras do alfabeto, interrompeu Escobar.
Com efeito, eram diferentes letras, e só então reparei nisto; apontei ainda outros escravos, alguns com os mesmos nomes, distinguindo-se por um apelido, ou da pessoa, como João Fulo, Maria Gorda, ou de nação como Pedro Benguela, Antônio Moçambique...
– E estão todos aqui em casa? perguntou ele.
– Não, alguns andam ganhando na rua, outros estão alugados. Não era possível ter todos em casa. Nem são todos os da roça; a maior parte ficou lá.
– O que me admira é que D. Glória se acostumasse logo a viver em casa da cidade, onde tudo é apertado; a de lá é naturalmente grande. ]
– Não sei, mas parece. Mamãe tem outras casas maiores que esta; diz porém que há de morrer aqui. As outras estão alugadas. Algumas são bem grandes, como a da Rua da Quitanda...
– Conheço essa; é bonita.
– Tem também no Rio Comprido, na Cidade-Nova, uma no Catete...
– Não lhe hão de faltar tetos, concluiu ele sorrindo com simpatia.
Caminhamos para o fundo. Passamos o lavadouro; ele parou um instante aí, mirando a pedra de bater roupa e fazendo reflexões a propósito do asseio; depois continuamos. Quais foram as reflexões não me lembra agora; lembra-me só que as achei engenhosas, e ri, ele riu também. A minha alegria acordava a dele, e o céu estava tão azul, e o ar tão claro, que a natureza parecia rir também conosco. São assim as boas horas deste mundo. Escobar confessou esse acordo do interno com o externo, por palavras tão finas e altas que me comoveram; depois, a propósito da beleza moral que se ajusta à física, tornou a falar de minha mãe, "um anjo dobrado", disse ele.
ASSIS, Machado de. Dom Casmurro. Texto de referência: Obras Completas de Machado de Assis, vol. I, Nova Aguilar, Rio de Janeiro, 1994. Publicado originalmente pela Editora Garnier, Rio de Janeiro, 1899.
Disponível em <http://machado.mec.gov.br/images/stories/pdf/romance/marm08.pdf>
De acordo com o texto, é correto inferir que
Provas
Questão presente nas seguintes provas
TEXTO 1
UM AMIGO POR UM DEFUNTO
Quanto à outra pessoa que teve a força obliterativa, foi o meu colega Escobar que no domingo, antes do meio-dia, veio ter a Mata-cavalos. Um amigo supria assim um defunto, e tal amigo que durante cerca de cinco minutos esteve com a minha mão entre as suas, como se me não visse desde longos meses.
– Você – janta comigo, Escobar?
– Vim para isto mesmo.
Minha mãe agradeceu-lhe a amizade que me tinha(a), e ele respondeu com muita polidez, ainda que um tanto atado, como se carecesse de palavra pronta. Já viste que não era assim, a palavra obedecia-lhe, mas o homem não é sempre o mesmo em todos os instantes(b). O que ele disse, em resumo, foi que me estimava pelas minhas boas qualidades e aprimorada educação; no seminário todos me queriam bem(c), nem podia deixar de ser assim, acrescentou. Insistia na educação, nos bons exemplos, "na doce e rara mãe" que o céu me deu... Tudo isso com a voz engasgada e trêmula.
Todos ficaram gostando dele. Eu estava tão contente como se Escobar fosse invenção minha. José Dias desfechou-lhe dois superlativos, tio Cosme dois capotes, e prima Justina não achou tacha que lhe pôr; depois, sim, no segundo ou terceiro domingo, veio ela confessar-nos que o meu amigo Escobar era um tanto metediço e tinha uns olhos policiais a que não escapava nada.
– São os olhos dele, expliquei.
– Nem eu digo que sejam de outro.
– São olhos refletidos, opinou tio Cosme.
– Seguramente, acudiu José Dias; entretanto, pode ser que a senhora D. Justina tenha alguma razão. A verdade é que uma coisa não impede outra, e a reflexão casa-se muito bem à curiosidade natural. Parece curioso, isso parece, mas...
– A mim parece-me um mocinho muito sério, disse minha mãe.
– Justamente! confirmou José Dias para não discordar dela.
Quando eu referi a Escobar aquela opinião de minha mãe (sem lhe contar as outras, naturalmente), vi que o prazer dele foi extraordinário. Agradeceu, dizendo que eram bondades, e elogiou também minha mãe, senhora grave, distinta e moça, muito moça... Que idade teria?
– Já fez quarenta, respondi eu vagamente por vaidade.
– Não é possível! exclamou Escobar. Quarenta anos! Nem parece trinta; está muito moça e bonita. Também a alguém há de você sair, com esses olhos que Deus lhe deu; são exatamente os dela. Enviuvou há muitos anos?
Contei-lhe o que sabia da vida dela e de meu pai(d). Escobar escutava atento,perguntando mais, pedindo explicação das passagens omissas ou só escuras. Quando eu lhe disse que não me lembrava nada da roça(e), tão pequenino viera, contou-me duas ou três reminiscências dos seus três anos de idade, ainda agora frescas. E não contávamos voltar à roça?
– Não, agora não voltamos mais. Olhe, aquele preto que ali vai passando, é de lá.Tomás!
– Nhonhô!
Estávamos na horta da minha casa, e o preto andava em serviço; chegou-se a nós e esperou.
– É casado, disse eu para Escobar. Maria onde está?
– Está socando milho, sim, senhor.
– Você ainda se lembra da roça, Tomás?
– Alembra, sim, senhor.
– Bem, vá-se embora.
Mostrei outro, mais outro, e ainda outro, este Pedro, aquele José, aquele outro Damião...
– Todas as letras do alfabeto, interrompeu Escobar.
Com efeito, eram diferentes letras, e só então reparei nisto; apontei ainda outros escravos, alguns com os mesmos nomes, distinguindo-se por um apelido, ou da pessoa, como João Fulo, Maria Gorda, ou de nação como Pedro Benguela, Antônio Moçambique...
– E estão todos aqui em casa? perguntou ele.
– Não, alguns andam ganhando na rua, outros estão alugados. Não era possível ter todos em casa. Nem são todos os da roça; a maior parte ficou lá.
– O que me admira é que D. Glória se acostumasse logo a viver em casa da cidade, onde tudo é apertado; a de lá é naturalmente grande. ]
– Não sei, mas parece. Mamãe tem outras casas maiores que esta; diz porém que há de morrer aqui. As outras estão alugadas. Algumas são bem grandes, como a da Rua da Quitanda...
– Conheço essa; é bonita.
– Tem também no Rio Comprido, na Cidade-Nova, uma no Catete...
– Não lhe hão de faltar tetos, concluiu ele sorrindo com simpatia.
Caminhamos para o fundo. Passamos o lavadouro; ele parou um instante aí, mirando a pedra de bater roupa e fazendo reflexões a propósito do asseio; depois continuamos. Quais foram as reflexões não me lembra agora; lembra-me só que as achei engenhosas, e ri, ele riu também. A minha alegria acordava a dele, e o céu estava tão azul, e o ar tão claro, que a natureza parecia rir também conosco. São assim as boas horas deste mundo. Escobar confessou esse acordo do interno com o externo, por palavras tão finas e altas que me comoveram; depois, a propósito da beleza moral que se ajusta à física, tornou a falar de minha mãe, "um anjo dobrado", disse ele.
ASSIS, Machado de. Dom Casmurro. Texto de referência: Obras Completas de Machado de Assis, vol. I, Nova Aguilar, Rio de Janeiro, 1994. Publicado originalmente pela Editora Garnier, Rio de Janeiro, 1899.
Disponível em <http://machado.mec.gov.br/images/stories/pdf/romance/marm08.pdf>
A alteração da posição do pronome oblíquo, em relação ao verbo, se mantém de acordo com a língua culta padrão em
Provas
Questão presente nas seguintes provas
TEXTO 2
Segundo um novo estudo desenvolvido por pesquisadores do Instituto de Psiquiatria do Estado de Nova York e da Universidade de Columbia, nos Estados Unidos, pessoas com depressão leve, ou seja, com sintomas menos intensos da doença, também podem se beneficiar com o uso de antidepressivos. A pesquisa, divulgada nesta sexta-feira na versão online do periódico Journal of Clinical Psychiatry, se opõe a levantamentos anteriores que haviam identificado efeitos positivos desses medicamentos somente em pacientes com quadros de depressão grave.
"Atualmente existe uma concepção válida de que, se uma pessoa não tem um quadro de depressão tão grave e que não dura tanto tempo, ela pode melhorar sozinha ou somente com terapias", afirma David Hellerstein, médico da Universidade de Columbia e um dos autores do estudo. Para ele, porém, a decisão dos profissionais de receitar ou não antidepressivos não deve se basear necessariamente no grau do problema, mas sim na persistência dos sintomas.
"Pacientes que conseguem melhorar, após algumas semanas, com mudança na dieta ou praticando atividades físicas não precisam dos medicamentos", disse o médico à agência Reuters. "Porém aqueles com depressão mais persistente devem ser avaliados e os antidepressivos podem ser uma boa opção, mesmo para sintomas moderados da doença."
Foram coletados dados de seis estudos diferentes feitos no próprio Instituto de Psiquiatria do Estado de Nova York entre os anos de 1985 e 2000. Ao todo, essas pesquisas analisaram as características de 825 pessoas com depressão moderada e duradoura. Em metade dos casos, os pacientes que tomaram antidepressivos apresentaram uma melhora mais acentuada nos sintomas depressivos do que aqueles que receberam placebo.
"Esse resultado é suficiente para os profissionais cogitarem recomendar esse tratamento", afirma o estudo. Porém, os pesquisadores ressaltam que isso não significa que todas as pessoas com depressão leve devam receber antidepressivos, já que pacientes com esse problema costumam responder bem a psicoterapias. Além disso, os medicamentos podem apresentar efeitos colaterais para o organismo.
Disponível em <http://veja.abril.com.br/noticia/saude/antidepressivos-tambem-podembeneficiar-pessoas-com-depressao-leve>
Usa-se vírgula pelo mesmo motivo que na expressão destacada "Para ele, porém, a decisão dos profissionais de receitar ou não antidepressivos não deve se basear necessariamente no grau do problema, mas sim na persistência dos sintomas", no item
Provas
Questão presente nas seguintes provas
Um técnico em eletrotécnica, ao analisar, com um equipamento adequado, um transistor de um determinado circuito, verificou que, com o circuito ligado, as junções Base-Emissor e Coletor-Base estavam polarizadas diretamente e que a tensão coletor-emissor (VCE) era, aproximadamente, zero. É correto o técnico conclurir que o transmissor está
Provas
Questão presente nas seguintes provas
Cadernos
Caderno Container