Foram encontradas 50 questões.


Figura Questão 48
Em relação ao circuito da questão 48, considere todos os componentes funcionando corretamente e as formas de onda mostradas. Marque o opção que apresenta as leituras aproximadas de um multímetro digital, no modo “Tensão cc”, referentes à tensão na fonte e à tensão na carga, respectivamente:
Provas


Figura Questão 48
Considerando que, no circuito da questão 48, o diodo se danifique e permaneça em curto permanentemente. Nesse caso, a condição da tensão eficaz no resistor
Provas
No circuito mostrado a seguir, todos os componentes estão interligados e funcionando corretamente. As formas de onda mostradas são referentes à tensão da fonte e à tensão no resistor. Marque a opção correta quanto aos valores aproximados da tensão eficaz da fonte e da tensão eficaz na carga, respectivamente:


Provas
Em relação ao componente eletrônico apresentado a seguir, marque a opção correta quanto a: tensão de bloqueio, queda de tensão direta, corrente contínua nominal, e corrente de surto, respectivamente.

Figura Questão 47; Fonte: folheto componente 40EPS08 – International Rectifier
Provas
No circuito a seguir, os componentes foram escolhidos para que, ao se fechar a chave “Ch” indicada, o tiristor iniciasse a condução, fazendo o diodo emissor de luz (led) conduzir e acender, já que o mesmo se encontra em série com o resistor de 470 ohms. Considere a chave “Ch” fechada e o diodo emissor de luz aceso. Ao se abrir a chave, o diodo emissor de luz deverá ficar

Provas
A figura a seguir mostra a tensão e a corrente de uma carga conectada a uma fonte senoidal. Marque a opção correta quanto ao estado da corrente em relação à tensão, e ao ângulo aproximado, em módulo, entre os sinais.

Provas
Uma onda quadrada, gerada por um gerador de sinais, está sendo ajustada por meio de um osciloscópio. Após o ajuste de um botão disponível no painel de um gerador de sinais, o aspecto do sinal passou pela transformação ilustrada na figura a seguir, tornando-se simétrico, isto é, o semiciclo positivo agora possui a mesma duração do semiciclo negativo. Marque a opção correta quanto ao botão disponível no gerador de sinais, que provoca tal transformação.

Provas
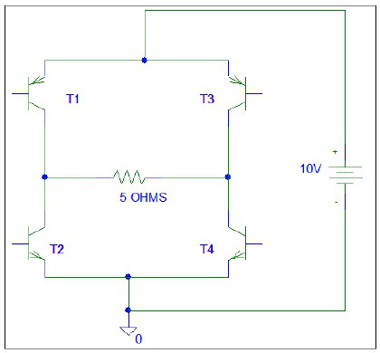
O circuito a seguir, composto por transistores dos tipos NPN e PNP, representa um arranjo, normalmente denominado de “ponte H”, utilizado para o acionamento de motores, que, neste caso, está alimentando um resistor (cujo valor está indicado). Os circuitos das bases dos transistores não estão mostrados, por simplicidade. Deseja-se preencher a coluna “Corrente” da tabela a seguir, referente à corrente no resistor mostrado, considerando-se cada situação especificada, referente aos estados dos transistores, identificados como “T1”, “T2”, “T3” e “T4”. Marque a opção correta quanto às correntes, considerando-se as situações “1”,”2” e “3”, respectivamente. Considerar que, estando saturado, cada transistor apresente uma tensão emissor-coletor com módulo igual a 0,2V.

| SITUAÇÃO | T1 | T2 | T3 | T4 | CORRENTE [A] |
| 1 | CORTE | CORTE | CORTE | CORTE | |
| 2 | SATURADO | CORTE | CORTE | SATURADO | |
| 3 | CORTE | SATURADO | SATURADO | CORTE |
Provas
Em relação ao circuito da figura da questão 41, marque a opção correta quanto às correntes aproximadas, respectivamente, da base e do emissor do transistor.

Provas
Na figura a seguir, considerem-se todos os dispositivos conectados e funcionando corretamente. Algumas tensões e correntes já estão indicadas (as tensões são referentes ao terra do circuito). Marque a opção correta quanto à tensão aproximada entre o coletor-emissor do transistor e ao estado do mesmo:

Provas
Caderno Container