Foram encontradas 50 questões.
Um sistema elétrico de potência consiste, basicamente, de estações geradoras, linhas de transmissão e sistemas de
distribuição. A figura a seguir representa um sistema elétrico de potência, no qual um gerador síncrono alimenta uma
carga através de uma linha de transmissão.

Nas condições apresentadas na figura, qual é a corrente IG no gerador?

Nas condições apresentadas na figura, qual é a corrente IG no gerador?
Provas
Questão presente nas seguintes provas
A figura a seguir mostra o circuito equivalente de um
transformador submetido a ensaios em laboratório.

Nesse circuito, a resistência do ramo magnetizante, RM , é determinada através

Nesse circuito, a resistência do ramo magnetizante, RM , é determinada através
Provas
Questão presente nas seguintes provas
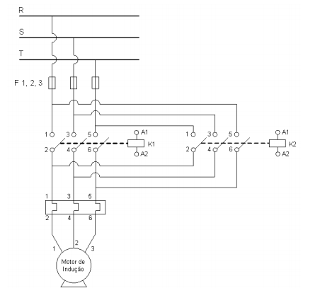
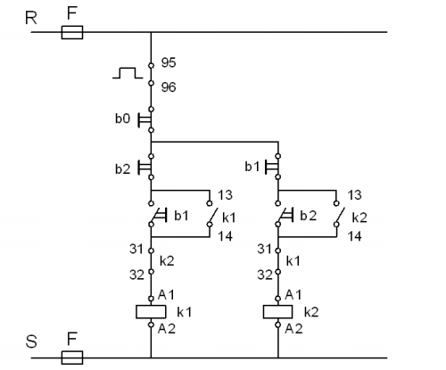
A figura a seguir deve ser usada para responder à questão. Ela representa o circuito de força e o circuito de
comando para partida de um motor de indução trifásico.

CIRCUITO DE FORÇA
CIRCUITO DE COMANDO
Provas
Questão presente nas seguintes provas
A figura a seguir deve ser usada para responder à questão. Ela representa o circuito de força e o circuito de
comando para partida de um motor de indução trifásico.

CIRCUITO DE FORÇA
CIRCUITO DE COMANDO
Provas
Questão presente nas seguintes provas
A figura a seguir representa um esquema de aterramento previsto na norma NBR 5410.

Segundo essa norma, o esquema de aterramento mostrado na figura é chamado de
Provas
Questão presente nas seguintes provas
A figura a seguir apresenta o esquema unifilar do acionamento de uma lâmpada de 100 VA por um interruptor identificado por “X”.

O interruptor necessário para o acionamento da lâmpada deve ser

O interruptor necessário para o acionamento da lâmpada deve ser
Provas
Questão presente nas seguintes provas
No esquema unifilar apresentado na figura, duas lâmpadas de 60 VA são acionadas pelos mesmos interruptores
paralelos.
No eletroduto que interliga as duas lâmpadas acionadas pelos interruptores “a”, devem estar presentes os seguintes condutores:
No eletroduto que interliga as duas lâmpadas acionadas pelos interruptores “a”, devem estar presentes os seguintes condutores:
Provas
Questão presente nas seguintes provas
Originalmente, a energia consumida mensalmente pelos
sistemas de iluminação e refrigeração de uma residência
representava 40% do consumo total. Uma ação de eficiência foi implementada na residência, como mostra a tabela
a seguir. Não houve alteração no consumo das outras cargas.

Nessas condições, qual foi o percentual de redução do consumo mensal total de energia elétrica da residência?

Nessas condições, qual foi o percentual de redução do consumo mensal total de energia elétrica da residência?
Provas
Questão presente nas seguintes provas
A geração de energia elétrica, em sistemas elétricos de
potência, é feita, na maioria das vezes, por geradores síncronos. Uma forma de analisar a operação de geradores é
feita por meio de diagramas fasoriais, como o diagrama
mostrado na figura a seguir. Vt
é a tensão nos terminais do
gerador e Ea
é a força eletromotriz gerada.

O diagrama mostrado indica que a carga alimentada pelo gerador é:

O diagrama mostrado indica que a carga alimentada pelo gerador é:
Provas
Questão presente nas seguintes provas
Na figura a seguir, há uma fonte de tensão alternada, com
valor eficaz de 200 V, que alimenta uma carga composta
pelos resistores R1, R2 e R3. A resistência do resistor R1
é de 20 ohms, a queda de tensão sobre o resistor R2 é de
120 V e a corrente eficaz que passa pelo resistor R3 é de
20 A.

Nessas condições, qual é a potência elétrica ativa total consumida pela carga?

Nessas condições, qual é a potência elétrica ativa total consumida pela carga?
Provas
Questão presente nas seguintes provas
Cadernos
Caderno Container