Foram encontradas 50 questões.

Provas
Questão presente nas seguintes provas

Provas
Questão presente nas seguintes provas

Provas
Questão presente nas seguintes provas
No aplicativo LibreOffice na versão 5.0, para formatar a
página no texto, deve-se realizar a seguinte sequencia de
comandos:
Provas
Questão presente nas seguintes provas
A Microsoft é responsável pelo sucesso do seu sistema
operacional Windows. Durante vários anos, ele sofreu alterações
por meio de suas versões. Uma de suas versões
de sucesso que inicialmente se chamava Whistler, posteriormente
foi lançada com o nome de:
Provas
Questão presente nas seguintes provas
- Modelo TCP/IPModelo TCP/IP: Camada de Transporte
- Transmissão de DadosSimplex, Half-Duplex e Full-Duplex
No nível da camada de transporte da arquitetura TCP/IP, a
comunicação nos enlaces pode ocorrer de três modos, a
saber:
Provas
Questão presente nas seguintes provas
Um navegador de rede, navegador web, navegador da internet
ou simplesmente navegador, é um programa que
habilita seus usuários a interagirem com documentos
HTML hospedados em um site da rede Um navegador
web é baseado em qual arquitetura de redes?
Provas
Questão presente nas seguintes provas
1132958
Ano: 2017
Disciplina: TI - Organização e Arquitetura dos Computadores
Banca: UFG
Orgão: IF-Goiano
Disciplina: TI - Organização e Arquitetura dos Computadores
Banca: UFG
Orgão: IF-Goiano
Provas:
O barramento é utilizado pelo computador como responsável
pela comunicação de diversas interfaces e periféricos
ligados à placa-mãe. Na arquitetura de computadores,
esta definição está exemplificando o barramento
Provas
Questão presente nas seguintes provas
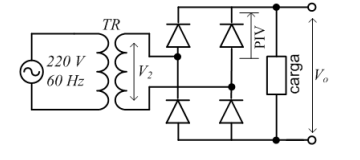
A figura a seguir deverá ser usada para responder à questão. Ela mostra um retificador em ponte, a diodo. A
tensão eficaz secundária do transformador TR é indicada por V2 e a tensão média de saída é indicada por Vo
. A tensão
de pico inversa (PIV) corresponde à tensão a que o diodo é submetido quando não está em condução.

Provas
Questão presente nas seguintes provas
A figura a seguir deverá ser usada para responder à questão. Ela mostra um retificador em ponte, a diodo. A
tensão eficaz secundária do transformador TR é indicada por V2 e a tensão média de saída é indicada por Vo
. A tensão
de pico inversa (PIV) corresponde à tensão a que o diodo é submetido quando não está em condução.

Provas
Questão presente nas seguintes provas
Cadernos
Caderno Container