Foram encontradas 50 questões.
- EletrotécnicaCircuitos de Corrente Contínua em Eletrotécnica
- EletrotécnicaCircuitos Elétricos em Eletrotécnica
O circuito mostrado na figura que segue apresenta o resistor R variável e ajustado para que a corrente no resistor
de 2 ohms seja de 4 A. Por meio desse experimento, alunos deveriam avaliar as leis de Kirchhoff e a lei de Ohm.

Com base nestas informações, o valor do resistor R é de

Com base nestas informações, o valor do resistor R é de
Provas
Questão presente nas seguintes provas
- EletrotécnicaCircuitos de Corrente Contínua em Eletrotécnica
- EletrotécnicaCircuitos Elétricos em Eletrotécnica
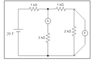
A figura a seguir ilustra uma montagem em laboratório
para o estudo da Lei de Ohm. Um amperímetro foi incluído
para a medição da corrente que passa pelo resistor de 3
kΩ e um voltímetro foi incluído para a medição da queda
de tensão sobre o resistor de 2 kΩ.

No circuito mostrado, a corrente indicada pelo amperímetro e a tensão indicada pelo voltímetro são, respectivamente:

No circuito mostrado, a corrente indicada pelo amperímetro e a tensão indicada pelo voltímetro são, respectivamente:
Provas
Questão presente nas seguintes provas
Uma carga trifásica equilibrada, conectada em delta, é alimentada por um circuito trifásico equilibrado. A tensão de
linha nos terminais da carga é de 200 V (valor eficaz). As
impedâncias das três fases da carga são resistores de 5
ohms em paralelo com indutores, cujas reatâncias são de
6 ohms. Considerando a sequência de fases positiva, qual
é a potência média total absorvida pela carga?
Provas
Questão presente nas seguintes provas
Em um experimento laboratorial, alunos mediram a potência absorvida por uma carga monofásica. O experimento
foi composto de duas partes:
Parte 1 – medida da tensão e corrente da carga, utilizando voltímetro e amperímetro, respectivamente. O produto das grandezas medidas foi anotado; Parte 2 – medida da potência, utilizando um wattímetro.
Durante o processo, os alunos observaram que os resultados obtidos nas partes 1 e 2 foram iguais. Assim, com base nessa observação, os alunos concluíram que as cargas eram compostas
Parte 1 – medida da tensão e corrente da carga, utilizando voltímetro e amperímetro, respectivamente. O produto das grandezas medidas foi anotado; Parte 2 – medida da potência, utilizando um wattímetro.
Durante o processo, os alunos observaram que os resultados obtidos nas partes 1 e 2 foram iguais. Assim, com base nessa observação, os alunos concluíram que as cargas eram compostas
Provas
Questão presente nas seguintes provas
A Norma Regulamentadora n. 10 (NR10) estabelece os requisitos e as condições mínimas, objetivando a implementação de medidas de controle e sistemas preventivos, de
forma a garantir a segurança e a saúde dos trabalhadores
que, direta ou indiretamente, interajam em instalações
elétricas e serviços com eletricidade. Na seção sobre medidas de controle, essa norma estabelece que as empresas com carga instalada de até 75 kW estão obrigadas a
manter:
Provas
Questão presente nas seguintes provas
Em conformidade com a NBR 5410, o dimensionamento
dos condutores pelo critério da capacidade de condução
de corrente, em uma instalação elétrica de baixa tensão,
leva em conta os seguintes dados:
Provas
Questão presente nas seguintes provas
Considere as seguintes informações:
IB – corrente de projeto do circuito; In – corrente nominal do dispositivo de proteção, nas condições previstas para sua instalação; Iz – capacidade de condução de corrente dos condutores, nas condições previstas para sua instalação.
A coordenação entre condutores e dispositivo de proteção é a forma adequada para assegurar a proteção dos condutores contra sobrecarga. Em parte, as características de atuação do dispositivo de proteção devem ser:
IB – corrente de projeto do circuito; In – corrente nominal do dispositivo de proteção, nas condições previstas para sua instalação; Iz – capacidade de condução de corrente dos condutores, nas condições previstas para sua instalação.
A coordenação entre condutores e dispositivo de proteção é a forma adequada para assegurar a proteção dos condutores contra sobrecarga. Em parte, as características de atuação do dispositivo de proteção devem ser:
Provas
Questão presente nas seguintes provas
Um dos motores utilizados em eletrodomésticos, denominado de motor universal, pode ser alimentado tanto em
corrente contínua quanto em corrente alternada. Essa afirmação refere-se a que tipo de motor?
Provas
Questão presente nas seguintes provas
Um motor de indução trifásico de 6 polos está operando
sob carga a uma velocidade de 760 rpm e escorregamento de 5%. Qual é a frequência elétrica de operação desse
motor?
Provas
Questão presente nas seguintes provas
Qual dos parâmetros apresentados a seguir é determinado por meio do ensaio a vazio de um motor de indução?
Provas
Questão presente nas seguintes provas
Cadernos
Caderno Container