Foram encontradas 60 questões.
Um conversor Buck real possui um indutor com resistência série equivalente (ESR) igual a 1/3 da resistência de carga e um capacitor com resistência série equivalente igual a zero. A tensão de saída desse conversor real corresponde à porcentagem da tensão de saída de um conversor Buck ideal de
Provas
Sobre os circuitos retificadores monofásicos não controlados com carga resistiva e diodo ideal, pode-se afirmar que:
Provas
Um Mosfet, usado em um conversor, tem perda na condução de 20W e perda no chaveamento dado por 10-3fS (em Watt), onde fS é a frequência de chaveamento em Hertz. A resistência térmica da junção para o encapsulamento é \( R_{\theta jc}=2°C/W \) e a máxima temperatura da junção é 120°C. Assumindo que a temperatura do encapsulamento é 20°C, qual o valor máximo permitido para a frequência de chaveamento?
Provas
Sobre as perdas de potência nas chaves semicondutoras de potência, pode-se afirmar que:
Provas
Assinale a opção em que todas as chaves semicondutoras possuem as características de disparo e desligamento controlados e a necessidade de sinal contínuo e permanente no terminal de controle.
Provas
Nas folhas de dados dos retificadores controlados de silício (SCR), encontra-se um parâmetro denominado de surge on-state current que é, normalmente, traduzido como corrente de surto em condução. Pode-se definir esse parâmetro como:
Provas
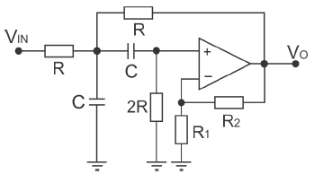
O circuito mostrado na figura abaixo é constituído por um amplificador operacional, cinco resistores e dois capacitores. Pode-se afirmar que esse circuito implementa a função de transferência de um:

Provas
A fonte de sinal VIN, aplicado na entrada do circuito mostrado na figura abaixo, possui frequência angular \( \omega \) igual a \( \dfrac {\sqrt 3} {RC} \) rad/s. Qual a defasagem sofrida por esse sinal quando for medido na saída VO?

Provas
Qual o valor da tensão de saída VO em relação ao terra no circuito mostrado abaixo?

Provas
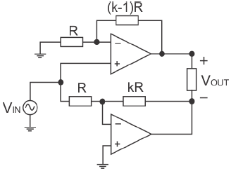
O circuito abaixo é conhecido como amplificador tipo ponte e o seu ganho é dependente do valor de k. Considerando-se os amplificadores operacionais ideais, o ganho de tensão VOUT/VIN desse circuito em função de k é igual a:

Provas
Caderno Container