Foram encontradas 60 questões.
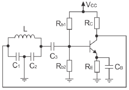
Nos anos 90, a Motorola revolucionou o mundo das telecomunicações com o desenvolvimento do PT550, um aparelho celular com display de 7 segmentos, 10 posições de memória e que funcionava no sistema analógico AMPS. O seu oscilador local, responsável pelo batimento de frequência e geração da frequência intermediária de recepção, possui a estrutura simplificada mostrada na figura abaixo. Pode-se afirmar que esse circuito é um oscilador:

Provas
Um oscilador Bubba é formado por um amplificador inversor e uma malha de realimentação constituída por 4 redes RC. Cada rede RC proporcionando 45° de defasagem, e o módulo do ganho dessa malha de realimentação é igual a 1/4. Se um amplificador inversor com amplificador operacional for aplicado na construção desse oscilador, qual deve ser seu ganho mínimo para iniciar as oscilações?
Provas
A respeito do microcontrolador 8051, pode-se afirmar que:
Provas
Um técnico em eletrônica utilizou um microcontrolador Arduino Uno para contar de 0 a 3 em um display de sete segmentos, de forma infinita, com transições de um segundo entre os números. Após a montagem, o técnico verificou que o circuito não funcionou corretamente. Avaliando o programa (sketch) desenvolvido pelo técnico, o motivo do mau funcionamento foi
1. void setup() {
2. //terminal conectado ao segmento “a”
3. pinMode(1,OUTPUT);
4. //terminal conectado ao segmento “b”
5. pinMode(2,OUTPUT);
6. //terminal conectado ao segmento “c”
7. pinMode(3,OUTPUT);
8. //terminal conectado ao segmento “d”
9. pinMode(4,OUTPUT);
10. //terminal conectado ao segmento “e”
11. pinMode(5,OUTPUT);
12. //terminal conectado ao segmento “f”
13. pinMode(6,OUTPUT);
14. //terminal conectado ao segmento “g”
15. pinMode(7,OUTPUT);
16. }
17. void loop() {
18. digitalWrite(1, HIGH);
19. digitalWrite(2, HIGH);
20. digitalWrite(3, HIGH);
21. digitalWrite(4, HIGH);
22. digitalWrite(5, HIGH);
23. digitalWrite(6, HIGH);
24. digitalWrite(7, LOW);
25. delay(1000);
26. digitalWrite(1, LOW);
27. digitalWrite(4, LOW);
28. digitalWrite(5, LOW);
29. digitalWrite(6, LOW);
30. delay(1000);
31. digitalWrite(1, HIGH);
32. digitalWrite(3, LOW);
33. digitalWrite(4, HIGH);
34. digitalWrite(5, HIGH);
35. delay(1000);
36. digitalWrite(3, HIGH);
37. digitalWrite(5, LOW);
38. digitalWrite(7, HIGH);
39. delay(1000);
40. }
Provas
O diagrama de blocos, mostrado na figura abaixo, é constituído por um comparador de tensão A1, que realiza a comparação de uma onda triangular VT(t) de amplitude e período fixos e um sinal contínuo VCC que pode ter sua amplitude variada com o tempo. O sinal de saída VO(t), desse diagrama de blocos, lembra um sinal

Provas
A modulação em amplitude tem dois sistemas de comunicação amplamente utilizados, que são o AM-DSB e o AM-SSB. Pode-se afirmar sobre esses sistemas que:
Provas
A vantagem de um determinado sistema de modulação consiste no fato de só haver dois níveis distintos para o sinal modulado, reduzindo, de forma substancial, o ruído que interfere sobre o sinal modulado. O transmissor desse sistema é constituído por uma etapa de amostragem, uma etapa de quantização e uma etapa de codificação. Qual é o sistema descrito?
Provas
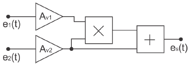
O diagrama de blocos, mostrado na figura abaixo, representa um modulador AM-DSB. O sinal \( e_1(t) = 0,1 cos (2\pi . 10^3t) \) é o sinal modulante, o sinal \( e_2(t) = 0,1 cos (2\pi . 10^6t) \) é a portadora e o sinal es(t) é o sinal modulado. Os amplificadores AV1 e AV2 possuem os ganhos de 5 e 40, respectivamente. O bloco com o sinal x é um multiplicador, e o bloco com o sinal + é um somador. Qual é o índice de modulação desse modulador?

Provas
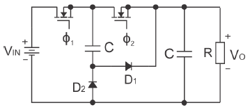
O circuito, mostrado na figura abaixo, é um conversor a capacitor chaveado de potência cujos Mosfets trabalham de forma complementar, ou seja, quando o transístor M1 está ligado, M2 está desligado e vice-versa. A tensão VO presente na carga R é dada por

Provas
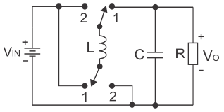
Um conversor Buck-Boost teve sua estrutura modificada pela adição de uma nova chave na parte inferior do indutor ligada conforme mostrado na figura abaixo. Essa nova topologia é conhecida como conversor Watkins-Johnson e seu ciclo de trabalho é definido por \( D = \dfrac {t_{ON}} {T_S} \) . As chaves permanecem ligadas durante um período \( t_{ON} \) na posição 1, e, durante um período \( t_{OFF} \) , na posição 2, repetidamente a cada período de chaveamento. Sabendo-se que a metodologia de análise é a mesma do conversor Buck- Boost, baseada no princípio da conservação de energia no indutor, a função de transferência de conversão VO/VIN, em função do ciclo de trabalho, em regime permanente é dada por

Provas
Caderno Container