Foram encontradas 50 questões.
Selecione a alternativa que complete corretamente a frase, considere o
circuito eletrônico representado pela Figura 3.

Trata-se de um circuito com amplificador operacional do tipo .

Trata-se de um circuito com amplificador operacional do tipo .
Provas
Questão presente nas seguintes provas
- UniãoExecutivoDecreto 1.171/1994: Código de Ética do Servidor Público Civil do Poder Executivo Federal
O Decreto nº 1.171 de 22 de junho de 1994, aprova o Código de Ética
Profissional do Servidor Público Civil, e prevê os principais deveres do
servidor público. Assinale a alternativa que não representa um desses
deveres.
Provas
Questão presente nas seguintes provas
Durante quanto tempo 10 C de carga deve atravessar a secção transversal
de um fio, para que se tenha uma intensidade de corrente elétrica de 20
mA?
Provas
Questão presente nas seguintes provas
Considere o circuito eletrônico ilustrado pela Figura 5.
Dados:
R1=470Ω
BAT1=1V
BAT2=20V
Valores de Q1:
IDSS=10mA
VGS(OFF)= - 4V
Assinale a única alternativa correta que melhor represente o valor da
tensão dreno-fonte no circuito eletrônico ilustrado pela Figura 5. Provas
Questão presente nas seguintes provas
Considere o circuito eletrônico representado pela Figura 6.

Assinale a única alternativa correta que melhor represente a equação do sinal de saída “Vo”.

Assinale a única alternativa correta que melhor represente a equação do sinal de saída “Vo”.
Provas
Questão presente nas seguintes provas
Um chuveiro elétrico dissipa 2200 W de potência quando ligado a uma
diferença de potencial de 110 V. A corrente elétrica que passa pela
resistência do chuveiro é de:
Provas
Questão presente nas seguintes provas
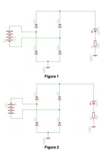
Considerando os diodos D1, D2, D3 e D4 como sendo “ideais” e os
diagramas eletrônico representado pelas “Figuras 1” e “Figura 2”. Dados:
R1 = 300Ω
VLED=1,2V (Tensão típica de trabalho LED genérico)
B1=7,2V
Assinale a única alternativa correta:
Assinale a única alternativa correta:Provas
Questão presente nas seguintes provas
Um chuveiro elétrico foi projetado para dissipar 1200 W de potência
quando ligado a uma diferença de potencial de 220 V. Se este chuveiro for
ligado num local em que a diferença de potencial é de 110 V, quanto de
energia ele irá dissipar?
Provas
Questão presente nas seguintes provas
Considere um diodo de silício que possui uma corrente de saturação de
5nA e uma corrente de fuga da superfície de 15nA quando a tensão
reversa aplicada sobre ele é de 20V.
Qual é a corrente reversa total quando a tensão reversa for dobrada para
40V?
Provas
Questão presente nas seguintes provas
Considere a expressão lógica
Assinale a única
alternativa correta que melhor represente a função lógica simplificada “Z”.
Assinale a única
alternativa correta que melhor represente a função lógica simplificada “Z”.Provas
Questão presente nas seguintes provas
Cadernos
Caderno Container