Foram encontradas 440 questões.
A respeito do problema de recalques em fundações, marque a opção correta:
Provas
Enunciado da questão: “Os elementos estruturais mistos de aço e concreto são usados principalmente como pilares, vigas e lajes”. Sobre as vigas e pilares mistos, analise as seguintes afirmativas e assinale com V as verdadeiras e com F as falsas.
( ) Nos pilares mistos, de forma similar aos elementos de concreto armado, são utilizadas armadura longitudinal, cuja contribuição também é levada em consideração na determinação da sua capacidade resistente. Porém, barras transversais (estribos) envolvendo a armadura longitudinal não são empregadas.
( ) Quando um elemento estrutural de aço, seja ele um perfil de alma cheia ou treliça, é ligado de forma mecânica a uma laje de concreto, ambos os elementos trabalham solidariamente ao momento fletor, caracterizando a denominada viga mista de aço e concreto, tendo a união mecânica entre os materiais, proporcionada pelo atrito entre as faces dos materiais.
( ) As ligações realizadas entre as vigas mistas e os pilares ou outros elementos do edifício podem ser executadas obedecendo-se às mesmas regras das ligações das vigas de aço.
( ) A soldagem dos conectores de cisalhamento, do tipo pino com cabeça, é feita, na maioria das vezes, na obra, antes que os perfis de aço das vigas mistas sejam montados e, no caso de laje mista ser usada, também antes da fôrma de aço ter sido posicionada.
( ) As vigas mistas com interação parcial, em comparação com as mesmas tendo interação completa, costumam ser mais econômicas, visto que permitem diminuir bastante o número de conectores de cisalhamento, sem reduzir de forma acentuada o momento resistente.
Assinale a alternativa que apresenta a sequência CORRETA.
Provas
Enunciado da questão: Determine a tensão atuante e o alongamento de uma barra de aço de 3 m de comprimento, submetida a uma força normal de tração de 25 tf. A barra de aço é circular e tem diâmetro igual a 3 cm e módulo de elasticidade longitudinal igual a 210 GPa.
Provas
Se tratando de modais de transporte, cada um possui suas particularidades, sendo algumas positivas, outras negativas. Referente aos sistemas de transportes, e as afirmativas a seguir:
I – O modal rodoviário é um dois mais simples, necessitando a existência de rodovias apenas, sendo ainda economicamente viável para distâncias acima de 500 km.
II – Transporte ferroviário tem um custo elevado de implantação, mas o custo operacional é mais vantajoso para distâncias longas, pois transporta grande quantidade de carga.
III – No Brasil, os órgãos responsáveis em regulamentar os transportes rodoviários e aéreos, são respectivamente, DNIT e ANAC.
Está(ão) correta(s) a(s) afirmação(ões):
Provas
Quanto às bases conceituais referentes ao reuso de água e aproveitamento de água de chuva, analise as afirmações seguintes e marque a opção correta:
I. Ambas as tecnologias constituem importantes alternativas de gestão dos recursos hídricos com vistas ao atendimento às demandas da população em relação ao uso de água para fins não potáveis.
II. Para que o reuso da água em edificações ocorra adequadamente, é indicado que o sistema seja projetado de modo a não misturar a água tratada (fornecida pela concessionária) com a água a ser reutilizada para fins não potáveis.
III. Deve ocorrer algum tipo de tratamento das águas residuárias antes que a mesma seja reutilizada para fins não potáveis
IV. A viabilidade do sistema de aproveitamento de água pluvial está relacionada a diversos parâmetros, tais como: precipitação, área de cobertura (captação) e projeção de demanda de água.
V. O fluxo inicial de água de chuva é considerado impróprio para consumo, devendo ser descartado.
Provas
Nos sistemas prediais de água fria, uma importante etapa é o dimensionamento do volume total de água a ser reservada. Suponha que estão sendo dimensionados os reservatórios – superior (RS) e inferior (RI) – de um edifício de 10 pavimentos, com 6 apartamentos por pavimento, com os seguintes parâmetros: consumo de 200 litros/dia per capita, reserva de combate a incêndio de 14000 litros, 4 pessoas por apartamento e reserva total para 2 dias de consumo. Para o dimensionamento dos reservatórios, será adotado o critério de 60% do volume total de consumo para o RI e 40% do volume total de consumo para o RS, acrescentando-se nele a reserva de incêndio. Marque a opção correta:
Provas
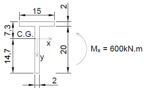
Enunciado da questão: Dado o perfil T a seguir, determine as tensões máximas de tração e compressão em torno do eixo x, quando submetido ao momento fletor indicado. Considerar o momento de inércia em torno do eixo x igual a 1,048x10-4 m4 .

Provas
Enunciado da questão: Cada vez mais presente no cotidiano dos projetistas, o BIM, (Building Information Modeling), Modelagem da Informação da Construção, este proporciona uma melhor gestão dos recursos, tais como economia de materiais e tempo. No que tange o sistema BIM, e as afirmativas a seguir:
I – A dimensão 4D é referente ao levantamento de quantitativos de materiais de um projeto.
II – A verificação de conflitos em projetos é verificada pela funcionalidade “Clash Detection”.
III – Um formato de arquivo, que permite trocar e compartilhar informações de projetos, é o IFC (Industry Foundation Classes).
Está(ão) correta(s) a(s) afirmação(ões):
Provas
Enunciado da questão: O peso específico natural de um dado solo é 17,0 kN/m3 . Considerando o peso específico seco e o peso específico das partículas sólidas com 14,5 kN/m3 e 26,8 kN/m3 , respectivamente. Qual é o grau de saturação deste solo, aproximadamente? Adotar peso específico da água como 10kN/m3 .
Provas
A respeito de conceitos básicos de sistemas hidráulicos de bombeamento e considerando a expressão de cálculo da potência da bomba (cv), marque a opção correta:

onde: y é o peso específico do líquido a ser elevado (kgf/m3 ); Q é a vazão (m3 /s);
Hman é a altura manométrica (m); η é o rendimento global do conjunto motobomba (conjunto elevatório).
Provas
Caderno Container