Foram encontradas 50 questões.
Analise a figura a seguir e assinale a alternativa CORRETA:

Fonte: Boylestad, Robert L. - Introdução à análise de circuitos -
12 ed. Editora Pearson Prentice Hall - SP - 2012, adaptada.
Provas
Sobre o circuito ilustrado a seguir, pode-se afirmar que:

Fonte: Boylestad, Robert L. - Introdução à análise de circuitos - 12 ed.
Editora Pearson Prentice Hall - SP - 2012, adaptada.
Provas
Provas
Gerenciador do computador, que tem por finalidade controlar todas as opções que alterem componentes básicos ou técnicos do Windows, tais como Data/Hora, Mouse, Teclado, Opções Regionais e de Idioma, entre outras funcionalidades.
O conceito apresentado no enunciado acima refere-se a qual das opções abaixo?
Provas
Provas
Observe a imagem abaixo e assinale a alternativa que indica a ordem CORRETA dos dispositivos:

Fonte: Apostila PRONATEC IFRN, curso FIC Informática Básica, p. 10, acessado em 20 de novembro de 2018.
Provas
Analise as afirmações a seguir sobre os Equipamentos de Proteção Individual (EPI) e os Equipamentos de Proteção Coletiva (EPC) e assinale a alternativa CORRETA:
I. Os óculos de segurança são considerados equipamentos de proteção coletiva;
II. As luvas de proteção são consideradas equipamentos de proteção individual;
III. Uma placa de sinalização é considerada um equipamento de proteção individual;
IV. Os sapatos de proteção são considerados equipamentos de proteção individual;
V. Os capacetes de proteção são considerados equipamentos de proteção coletiva.
Provas
Provas
A figura a seguir representa o circuito de iluminação de um cômodo de uma residência. Os pontos de iluminação são acionados por meio de dois interruptores Three-way e um interruptor Four-way.

Assinale a alternativa que representa, de acordo com os dados apresentados, os condutores que passam pelo eletroduto Z:
Provas
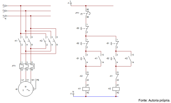
Na figura a seguir, podem ser observados os diagramas de potência e comando que se referem ao esquema de ligação de uma chave convencional de partida de motores elétricos de indução.

Considere as seguintes afirmativas em relação ao esquema de ligação e aos dispositivos de comando e de proteção da figura apresentada:
I. O esquema corresponde a uma chave de partida direta com reversão.
II. O contato auxiliar 95-96 do dispositivo FT1 tem como finalidade a interrupção da corrente no circuito de comando, após um determinado intervalo de tempo.
III. O contato auxiliar 13-14 de K1 tem a função de selo, a fim de manter o contator K1 energizado.
IV. O contato auxiliar 21-22 de K2 tem a função de intertravamento.
Está CORRETO o que se afirma em:
Provas
Caderno Container