Foram encontradas 60 questões.
Durante uma manobra, uma aeronave sobe 2000 pés de altitude. Sabendo que a aeronave estava voando a uma altitude de 10.000 pés, qual das afirmativas abaixo está CORRETA?
Provas
Segundo IAC (2002), em sistemas pneumáticos de aeronaves, qual é o nome dado ao componente utilizado para permitir que o ar flua em um sentido e impeça que o ar flua no outro sentido?
Provas
Durante a manutenção de um sistema elétrico de uma aeronave, foi cogitada a substituição de um fio cujo número da bitola era 5 por um fio cujo número da bitola era 10, de mesmo comprimento e material. Se este procedimento tivesse sido realizado, qual das afirmativas abaixo descreve o que teria ocorrido considerando que a resistência do fio é muito menor do que a resistência total do sistema elétrico no qual estava instalado? Considere a norma AWG para tamanho da bitola dos fios.
Provas
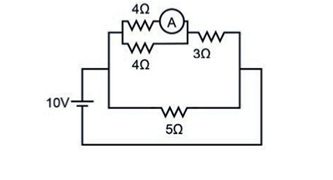
Qual é a corrente elétrica mensurada pelo amperímetro (A) instalado no circuito abaixo? Considere o amperímetro ideal.

Provas
O localizer é um dos componentes do ILS (Instrument Landing System). Segundo FAA (2012), qual das afirmativas descreve a função do localizer?
Provas
Os sistemas de comunicação e rádio navegação das aeronaves podem utilizar os dois principais métodos de modulação de sinais de rádio, AM e FM. Qual das alternativas indica o significado de AM e FM, respectivamente?
Provas
Segundo IAC (2002), qual das afirmativas abaixo sobre o compasso magnético está CORRETA?
Provas
Os sistemas Pitot estático possuem duas conexões: uma responsável por transmitir a pressão atmosférica para os instrumentos, e outra responsável por transmitir a pressão produzida pelo ar de impacto. Qual instrumento listado abaixo é conectado a ambas as conexões do sistema Pitot estático?
Provas
Sobre as superfícies primárias de controle de voo de aeronaves de asa fixa, qual das afirmativas abaixo está CORRETA?
Provas
Segundo FAA (2012), qual das afirmativas abaixo sobre estruturas de fuselagens de aeronaves está INCORRETA?
Provas
Caderno Container