Foram encontradas 50 questões.
Em face do amplo tópico de Saneamento, conforme preâmbulo extraído do próprio Executivo Federal, a Política
Federal de Saneamento Básico foi instituída no Brasil por meio da Lei 11.445 de 5/1/2007. Foi atualizada pela Lei
14.026 de 15/07/2020, sendo que ambas compõem o chamado Marco Legal do Saneamento. Trata-se de um arcabouço legal, administrativo e regulatório para que todas as esferas da administração pública e sociedade civil
somem esforços para universalizar a oferta de água potável e a coleta e tratamento de esgoto para toda a popиlação brasileira. Além disso, define diretrizes para a limpeza urbana, o manejo de resíduos sólidos e o manejo das
águas pluviais urbanas.
Referência: BRASIL. Marco Legal do Saneamento - Leis Federais n.º 11.445/2007 e n.° 14.026/2020.
Com ênfase na atualização do marco legal trazida pela Lei Federal de 2020, das alternativas ofertadas abaixo, assinale aquela que NÃO condiz com o texto legal referido:
Referência: BRASIL. Marco Legal do Saneamento - Leis Federais n.º 11.445/2007 e n.° 14.026/2020.
Com ênfase na atualização do marco legal trazida pela Lei Federal de 2020, das alternativas ofertadas abaixo, assinale aquela que NÃO condiz com o texto legal referido:
Provas
Questão presente nas seguintes provas
Dada a gleba triangular a seguir, têm-se estas informações:
i. Os alinhamentos são extremados pelos vértices "17, 18 e 19" e têm iguais dimensões lineares.
ii. O alinhamento formado pelos vértices "17 e 18" é paralelo à horizontal da folha de prova.
iii. O Norte está referenciado à folha de prova e está apontando verticalmente do topo para a base da mesma; ou seja, apontando para baixo.
Referência: ABNT NBR 13.133:2021, Conhecimentos básicos de ângulos topográficos.
De posse destes dados e seus conhecimentos, assinale a alternativa que contemple as completas e exigíveis informações dos rumos topográficos dos alinhamentos "17-18", “18-19" e "19-17", nesta ordem:
i. Os alinhamentos são extremados pelos vértices "17, 18 e 19" e têm iguais dimensões lineares.
ii. O alinhamento formado pelos vértices "17 e 18" é paralelo à horizontal da folha de prova.
iii. O Norte está referenciado à folha de prova e está apontando verticalmente do topo para a base da mesma; ou seja, apontando para baixo.
Referência: ABNT NBR 13.133:2021, Conhecimentos básicos de ângulos topográficos.
De posse destes dados e seus conhecimentos, assinale a alternativa que contemple as completas e exigíveis informações dos rumos topográficos dos alinhamentos "17-18", “18-19" e "19-17", nesta ordem:
Provas
Questão presente nas seguintes provas
Extraindo da nomenclatura taxativa das variedades de solo sob a ótica da NBR 6122/22, sobre Projeto e Execução
de Fundações, conforme integrante do setor dos Termos e Definições, tem-se:
i. Solos que apresentam brusca redução de volume quando submetidos a acréscimo de umidade, sob a ação de carga externa.
ii. Solos que apresentam deformações elevadas quando solicitados por sobrecargas pouco significativas ou mesmo por efeito de carregamento devido ao seu peso próprio.
iii. Solos que, por sua composição mineralógica, aumentam de volume quando há acréscimo do teor de umidade.
Referência: ABNT NBR 6122:2022, Item 3.
Qual alternativa contém a sequência CORRETA de definições para SOLOS COMPRESSÍVEIS, SOLOS EXPANSIVOS e SOLOS COLAPSÍVEIS?
i. Solos que apresentam brusca redução de volume quando submetidos a acréscimo de umidade, sob a ação de carga externa.
ii. Solos que apresentam deformações elevadas quando solicitados por sobrecargas pouco significativas ou mesmo por efeito de carregamento devido ao seu peso próprio.
iii. Solos que, por sua composição mineralógica, aumentam de volume quando há acréscimo do teor de umidade.
Referência: ABNT NBR 6122:2022, Item 3.
Qual alternativa contém a sequência CORRETA de definições para SOLOS COMPRESSÍVEIS, SOLOS EXPANSIVOS e SOLOS COLAPSÍVEIS?
Provas
Questão presente nas seguintes provas
Surgidos no alvorecer da globalização corporativa do pós Segunda Guerra, os ideais e ideias de padronização e
qualidade tiveram forte agrupamento de conceitos, impulso e adesão em vários segmentos da atividade humana. Em meados da década de 1990, houve normatização pela ABNT, e a vigente é a NBR ISO 9001:2015, com a
pequeníssima Emenda 1:2024.
Analise os itens a seguir sobre os Requisitos do Sistema de Gestão da Qualidade - (SGQ), com foco no tema Contexto da Organização, e identifique a alternativa em situação conforme ao regramento mais atualizado possível.
Referência: ABNT NBR 9001:2015 e Emenda 1:2024, Item 4.1 e Nota 2, p.1.
I. A organização deve determinar questões externas e internas que sejam pertinentes para o seu propósito e para seu direcionamento estratégico, e que afetem sua capacidade de alcançar o(s) resultado(s) pretendido(s) de seu SGQ.
II. A organização deve apenas monitorar, mas não analisar criticamente as informações sobre as questões externas e internas, devendo para isto contratar auditoria externa.
III. A organização deve monitorar e analisar criticamente todas as intercorrências de mudanças climáticas, sendo estas sempre consideradas pertinentes.
IV. O entendimento do contexto externo pode ser facilitado pela consideração de questões provenientes dos ambientes legal, tecnológico, competitivo, de mercado,cultural, social e econômico, tanto internacionais, quanto nacionais, regionais ou locais.
Analise os itens a seguir sobre os Requisitos do Sistema de Gestão da Qualidade - (SGQ), com foco no tema Contexto da Organização, e identifique a alternativa em situação conforme ao regramento mais atualizado possível.
Referência: ABNT NBR 9001:2015 e Emenda 1:2024, Item 4.1 e Nota 2, p.1.
I. A organização deve determinar questões externas e internas que sejam pertinentes para o seu propósito e para seu direcionamento estratégico, e que afetem sua capacidade de alcançar o(s) resultado(s) pretendido(s) de seu SGQ.
II. A organização deve apenas monitorar, mas não analisar criticamente as informações sobre as questões externas e internas, devendo para isto contratar auditoria externa.
III. A organização deve monitorar e analisar criticamente todas as intercorrências de mudanças climáticas, sendo estas sempre consideradas pertinentes.
IV. O entendimento do contexto externo pode ser facilitado pela consideração de questões provenientes dos ambientes legal, tecnológico, competitivo, de mercado,cultural, social e econômico, tanto internacionais, quanto nacionais, regionais ou locais.
Provas
Questão presente nas seguintes provas
País continente que é o Brasil, sua multiplicidade regional é imensa, bem como suas mazelas. Dentre estas dificuldades, existem muitas comunidades pouco atendidas ou mesmo desprovidas de infraestrutura de coleta e
destinação de efluentes sanitários. Admitindo haver necessidade de normatização para sistemas de tratamento
de esgoto de vazão de menor porte, houve em 2024 a publicação da Norma Brasileira ABNT 17076. Mesmo que
reconhecidamente rudimentares pelo saber técnico culto, dispositivos comuns na "roça", como "fossa e sumidouro", que antes pouco dispunham de critérios estabelecidos para dimensionamento, instalação e operação,
passaram a tê-los. Um conjunto de termos e definições, com nomenclatura técnica sinônima às já existentes ao
público, passou a ser normatizado, sob as denominações de tanque séptico, filtro anaeróbio e sumidouro, dentre
outras inclusões.
Com base na citada NBR, que ainda está em sua primeira edição e detidamente quanto aos sumidouros, analise a conformidade das assertivas propostas e assinale a alternativa dotada de conformidade normativa.
I. Na implantação de sumidouro, considerar que a distância mínima entre as paredes dos poços múltiplos deve ser de 2,0 metros e, na existência de muros ou outros obstáculos, respeitar distância mínima de 1,0 metro.
II. A distância mínima do sumidouro de taludes ou áreas com inclinação de mais de 20° deve ser de 5,0 metros, a menos que estes taludes sejam estruturados e consolidados.
III. O sumidouro deve ser locado com afastamento de três vezes o diâmetro, ou no mínimo a três metros do sistema de tratamento adotado, considerando a área de infiltração calculada.
IV. O menor diâmetro interno do sumidouro deve ser de 1,50 metro, sendo que diâmetros inferiores a esta marca devem ser justificados.
V. O número mínimo de sumidouros deve ser de dois, cada um correspondendo a 100% da capacidade total necessária. Deve ser previsto uso alternado do sistema, em um prazo máximo de seis meses para cada.
Referência: ABNT NBR 17076:2024, Anexo K, Dimensionamento de Sumidouros, K.3.1.5 até K.3.1.8, p.76.
Com base na citada NBR, que ainda está em sua primeira edição e detidamente quanto aos sumidouros, analise a conformidade das assertivas propostas e assinale a alternativa dotada de conformidade normativa.
I. Na implantação de sumidouro, considerar que a distância mínima entre as paredes dos poços múltiplos deve ser de 2,0 metros e, na existência de muros ou outros obstáculos, respeitar distância mínima de 1,0 metro.
II. A distância mínima do sumidouro de taludes ou áreas com inclinação de mais de 20° deve ser de 5,0 metros, a menos que estes taludes sejam estruturados e consolidados.
III. O sumidouro deve ser locado com afastamento de três vezes o diâmetro, ou no mínimo a três metros do sistema de tratamento adotado, considerando a área de infiltração calculada.
IV. O menor diâmetro interno do sumidouro deve ser de 1,50 metro, sendo que diâmetros inferiores a esta marca devem ser justificados.
V. O número mínimo de sumidouros deve ser de dois, cada um correspondendo a 100% da capacidade total necessária. Deve ser previsto uso alternado do sistema, em um prazo máximo de seis meses para cada.
Referência: ABNT NBR 17076:2024, Anexo K, Dimensionamento de Sumidouros, K.3.1.5 até K.3.1.8, p.76.
Provas
Questão presente nas seguintes provas
A norma brasileira que trata de projeto e execução de sistemas prediais de esgoto sanitário é elencada como
ABNT NBR 8160/1999, a qual objetiva atendimento às exigências mínimas quanto à higiene, segurança e conforto
dos usuários, tendo em vista a qualidade destes sistemas. No campo das definições, tem-se que desconector é
um dispositivo provido de fecho hídrico, destinado a vedar a passagem de gases no sentido oposto ao deslocamento do esgoto. No quesito de dimensionamento dos componentes do subsistema de coleta e transporte de
esgoto sanitário, todo desconector deve satisfazer simultaneamente as seguintes condições quanto à medida da
altura mínima do fecho hídrico e ao diâmetro do orifício da saída:
Referência: ABNT NBR 8160/1999, Item 5.
Referência: ABNT NBR 8160/1999, Item 5.
Provas
Questão presente nas seguintes provas
Com lastro nos procedimentos de execução de levantamento topográfico, conforme prescrito na ABNT NBR
13133/2021 e considerando as finalidades do levantamento, a densidade de informações a serem representadas,
as dimensões e a acurácia necessária a cada finalidade, tem-se duas classes de poligonais planimétricas, denominadas:
Referência: ABNT NBR 13.133:2021,3.
Referência: ABNT NBR 13.133:2021,3.
Provas
Questão presente nas seguintes provas
Os projetos de sistemas de tratamento de esgotamento sanitário de menor porte foram contemplados pelo aprimoramento e publicação da recente norma ABNT NBR 17076:2024, no que diz respeito a situações com vazão
diária de rejeitos até 12 000 L/dia e carga orgânica total até 3,80 kgDBO/dia em áreas que não são atendidas por
outro sistema de tratamento.
Referência: ABNT NBR 17076:2024, Anexo H, H.1 Generalidades, p.64.
Aponte a alternativa que indica a que está especificamente se referindo a "Norma 17076" no tocante aos componentes do sistema constituídos por bacia, canal ou tanque raso, preenchidos por leito de meio suporte apropriado, onde vegetação adequada é plantada e por onde o esgoto percola para ser tratado por processo predominantemente biológico.
Referência: ABNT NBR 17076:2024, Anexo H, H.1 Generalidades, p.64.
Aponte a alternativa que indica a que está especificamente se referindo a "Norma 17076" no tocante aos componentes do sistema constituídos por bacia, canal ou tanque raso, preenchidos por leito de meio suporte apropriado, onde vegetação adequada é plantada e por onde o esgoto percola para ser tratado por processo predominantemente biológico.
Provas
Questão presente nas seguintes provas
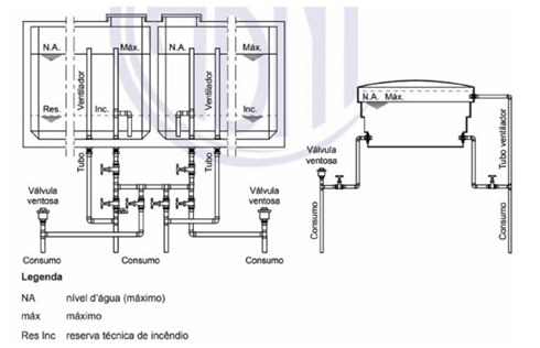
Nos sistemas prediais, especificamente no tópico normatizado que trata da proteção sanitária da água potável,
quando o abastecimento for indireto em edifícios de múltiplos pavimentos alimentados por colunas de distribuição, deve ser prevista uma proteção contra o refluxo de água de cada ramal para a respectiva coluna. Essa pode
ser substituída pela ventilação da coluna de distribuição indicada na imagem abaixo, com a extremidade do tubo
ventilador em local protegido, a exemplo da região do reservatório acima da máxima altura do nível ď'água. O
ponto de junção do tubo ventilador ou de válvula ventosa de duplo efeito com a coluna de distribuição deve ser
localizado:
Referência: ABNT NBR 5626:2020, item 6.15.2.8.
Referência: ABNT NBR 5626:2020, item 6.15.2.8.
Provas
Questão presente nas seguintes provas
- Gerenciamento, Planejamento e Controle de Obras
- Orçamento no Planejamento e Controle de Obras na Engenharia Civil
O cronograma físico-financeiro de uma obra é um importante para parâmetro para o acompanhamento da
execução das etapas previstas, assim como para a previsão orçamentária mensal do empreendimento. De acordo
com o cronograma físico-financeiro apresentado, marque a alternativa que apresenta todas as informações
CORRETAS.


Provas
Questão presente nas seguintes provas
Cadernos
Caderno Container