Foram encontradas 40 questões.
O circuito RLC série tem uma impedância que é variável em função da frequência (f) do sinal que lhe é aplicado (V).

Considerando que a frequência (f) do sinal (V) varie desde zero até valores bastante elevados, assinale o gráfico da impedância versus frequência que representa o comportamento do circuito.
Provas
Questão presente nas seguintes provas
Quando um circuito é comutado, por exemplo, pela alteração da posição de uma chave, ocorre um período em que as correntes ou tensões variam de valores iniciais para novos valores. Dados os circuitos elétricos, a posição da chave, a condição de mudança e as expressões matemáticas decorrentes da análise do circuito para a nova condição, assinale a afirmativa correta.
Em t = 0 fecha-se a chave na posição 1; considere VC = 0: equações para a nova condições!$ \begin{cases} V=Ri\dfrac{1}{C}\int i.dt \\ i=\dfrac{V}{R} \, para\, t=0\end{cases} !$
Em t = 0 fecha-se a chave na posição 1; considere a Energia em (L) = 0: equações para a nova condições !$ \begin{cases} V=L\dfrac{di}{dt}+Ri\\ i=\dfrac{V}{R} \, para\, t=0\end{cases} !$
Em t = 0 comuta-se a chave da posição 1 para a posição 2; considere VL = 0: equações para a nova condições !$ \begin{cases} V=L\dfrac{di}{dt}+Ri\\ i=0 \, para\, t=0\end{cases} !$
Em t = 0 comuta-se a chave da posição 1 para a posição 2; considere VC = V: equações para a nova condições !$ \begin{cases} 0=Ri+\dfrac{1}{C}\int i.dt \\ i=0 \, para\, t=0\end{cases} !$
Provas
Questão presente nas seguintes provas
Um transformador monofásico, que converte 220 V em 110 V, foi ensaiado com o objetivo de obter a magnitude de seus elementos passivos do circuito equivalente da figura. Para tanto, foram feitos os ensaios a vazio e de curto-circuito. Para análise, no ensaio de curto-circuito, o ramo paralelo com a tensão reduzida foi desprezado e, no ensaio a vazio, o ramo série foi desprezado. Nos ensaios, os seguintes valores foram obtidos:
I - No ensaio a vazio: Tensão de alimentação de 220 V; corrente de 1 A lida por um amperímetro; potência P1 (W) lida por um wattímetro instalado entre a fonte e o transformador.
II - No ensaio de curto-circuito: Tensão de alimentação de 22 V; corrente de 10 A lida por um amperímetro; potência P2 (W) lida por um wattímetro instalado entre a fonte e o transformador.

Considerando os dados do ensaio, é correto afirmar:
Provas
Questão presente nas seguintes provas
Um circuito lógico digital deve acionar o alarme interno de um veículo automotor, de modo a alertar o motorista nas seguintes condições: a chave do farol ( ) ligada ou o cinto de segurança ( ) não estiver afivelado ou a porta ( ) aberta, e a chave de ignição ( ) ligada.
Considere:
| Porta (P) | Fechada = 1 | Aberta = 0 |
| Cinto de Segurança (C) | Afivelado = 1 | Desafivelado = 0 |
| Chave do Farol (F) | Ligada = 1 | Desligada = 0 |
| Chave de Ignição (I) | Ligada = 1 | Desligada = 0 |
A expressão lógica mais simples da saída (AL) do circuito lógico é:
Provas
Questão presente nas seguintes provas
Língua brasileira
[...] O Brasil tem dessas coisas, é um país maravilhoso, com o português como língua oficial, mas cheio de dialetos diferentes.
No Rio de Janeiro, é “e aí merrmão ! CB, sangue bom!” Até eu entender que merrmão era “meu irmão” levou um tempo. Para conseguir se comunicar, além de arranhar a garganta com o erre, você precisa aprender a chiar como chaleira velha: “ vai roláumaschparadaschischperrtasch”.[...]
Em Mins, quer dizer, em Minas, eles engolem letras e falam Belzonte, Nossenhora, Doidemais da conta, sô! Qualquer objeto é chamado de trem. Lembrei daquela história do mineirinho na plataforma da estação. Quando ouviu um apito, falou apontando as malas: “Muié, pega os trem que o bicho tá vindo”.[...]
Mas o lugar mais interessante de todos é Florianópolis, um paraíso sobre a terra, abençoado por Nossa Senhora do Desterro. Os nativos tradicionais, conhecidos como Manezinhos da Ilha, têm o linguajar mais simpático da nossa língua brasileira. Chamam lagartixa de crocodilinho da parede. Helicóptero é avião de rosca que deve ser lido roschca. Carne moída é boi ralado. Se você quiser um pastel de carne, precisa pedir um envelope de boi ralado. Telefone público, o popular orelhão, é conhecido como poste de prosa e a ficha de telefone é pastilha de prosa. Ovo eles chamam de semente de galinha e motel é lugar de instantinho.[...]
(RAMIL, K. Tipo assim. Porto Alegre: RBS, 2003.)
Sobre o texto, analise as afirmativas.
I - O autor trata de variedades existentes na língua portuguesa do Brasil, enfocando diferenças de pronúncia e de vocabulário.
II - A pronúncia das letras r e s pelos cariocas pode ser caracterizada como pedante, pois se julgam os que falam melhor o português.
III - A descrição do linguajar dos nativos tradicionais de Florianópolis não apresenta traço de preconceito linguístico.
IV - O autor expressa ponto de vista de conotação negativa e preconceituosa sobre os falares do Rio de Janeiro e de Minas.
Está correto o que se afirma em
Provas
Questão presente nas seguintes provas
As fontes chaveadas têm sido usadas nos mais diversos aparelhos elétricos/eletrônicos, pois são mais leves e mais eficientes que as fontes lineares. Exemplos de fontes chaveadas, que utilizam conversores com modulação por largura de pulso (PWM), podem ser observados nas figuras.

A razão cíclica ou ciclo de trabalho de um conversor CC/CC PWM é normalmente representada pela letra D. O ganho estático G dos conversores CC/CC PWM é a relação da tensão de saída pela tensão de entrada. A partir do exposto, é correto afirmar que o ganho estático dos conversores apresentados na Figura 1 e na Figura 2 são respectivamente:
Provas
Questão presente nas seguintes provas
Um dos principais problemas das campanhas eleitorais é a “guerra suja” na internet. A senhora, que comandou o Tribunal Superior Eleitoral até o ano passado, acha que a justiça tem instrumentos para combatê-la? A Justiça Eleitoral manda retirar do ar conteúdos quando se demonstra abuso ou fraude. O problema é que, quando esses conteúdos são retirados, já produziram efeitos.
Pode citar um exemplo? Nestas eleições, foi criada uma página supostamente de responsabilidade da campanha de Eduardo Campos. Mas ela entrou no ar antes do início do prazo permitido para a propaganda eleitoral. Na ocasião, nossa suposição foi que havia sido criada por adversários dele porque, caso um candidato não consiga comprovar que determinada postagem não tem nada a ver com ele, isso pode configurar, por exemplo, propaganda antecipada e gerar situações de inelegibilidade. Ainda não se encontrou um marco regulatório para a internet. Outra situação possível numa eleição: se “plantarem” algo que gere uma semente de informação falsa, teremos opções falsas e, por mais livre que seja a escolha, ela já estará fraudada. Esse é o perigo desse tipo de faroeste virtual.
Sobre o uso de elementos coesivos no texto, analise as afirmativas.
I - Na primeira pergunta da revista, as duas ocorrências da palavra que funcionam como elementos coesivos referenciais, pois fazem remissão a outros elementos da superfície textual.
II - Na expressão Nestas eleições, o pronome situa o fato eleições em tempo posterior à fala da ministra.
III - A expressão Na ocasião é anafórica, faz retomada de ideia dita anteriormente: a entrada no ar de uma página supostamente de um candidato antes do início do prazo permitido.
IV - Os conectores Mas, porque e caso, na segunda resposta da ministra, exercem função coesiva referencial, estabelecendo relação de sentido com algo que os precede.
V - Os pronomes isso e esse, na segunda resposta da ministra, fazem remissão a ideias dadas anteriormente no texto; se indicassem ideias a serem dadas posteriormente, seriam isto e este.
Estão corretas as afirmativas
Provas
Questão presente nas seguintes provas
A primeira coluna apresenta as formas de onda de tensão ou corrente elétrica e a segunda, as expressões matemáticas que as descrevem. Numere as colunas correspondentes.
1 - 

2- 

3 - 

4 - 

( ) !$ f(t) = (\dfrac{V}{\pi})\omega t; !$
!$ -\pi < \omega t < \pi !$
( ) !$ f(t) = (\dfrac{V}{2\pi})\omega t; !$
!$ 0 < \omega < \pi !$ e !$ \pi < \omega t < 2\pi !$
( ) !$ f(t) = (\dfrac{V}{2\pi})\omega t; \,\, 0 < \omega t < \pi; !$
!$ f(t) = (\dfrac{V}{\pi}-\dfrac{V}{\pi})\omega t; \pi < \omega t < 2 \pi !$
( ) !$ f(t) = V-\dfrac{V}{\pi}\omega t; 0 < \omega t < \pi !$
!$ f(t) = V+(\dfrac{V}{\pi}\omega t; -\pi < \omega t < 0 !$
Assinale a sequência correta.
Provas
Questão presente nas seguintes provas
As fontes chaveadas têm sido usadas nos mais diversos aparelhos elétricos/eletrônicos, pois são mais leves e mais eficientes que as fontes lineares. Exemplos de fontes chaveadas, que utilizam conversores com modulação por largura de pulso (PWM), podem ser observados nas figuras.

Considerando as fontes chaveadas PWM, assinale a afirmativa correta.
Provas
Questão presente nas seguintes provas
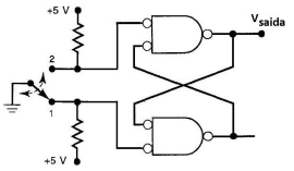
A mudança do nível lógico nas entradas dos circuitos digitais pode ser feita com o uso de chaves de contatos mecânicos. Entretanto, durante a abertura ou o fechamento da chave ocorre o fenômeno de trepidação (contact bounce), podendo provocar disparos ou estados errôneos nos circuitos que sucedem as chaves. Qual circuito lógico NÃO responde adequadamente às mudanças na sua entrada (chave) e elimina a trepidação na saída?
Provas
Questão presente nas seguintes provas
Cadernos
Caderno Container