Foram encontradas 40 questões.
A compulsão transformada em vício
Procurar exemplos, conselho e orientação é um vício: quanto mais se procura, mais se precisa e mais se sofre quando privado de novas doses da droga procurada. Como meio de aplacar a sede, todos os vícios são auto- destrutivos; destroem a possibilidade de se chegar à satisfação.
Exemplos e receitas são atraentes enquanto não- testados. Mas dificilmente algum deles cumpre o que promete – virtualmente, cada um fica aquém da realização que dizia trazer. Mesmo que algum deles mostrasse funcionar do modo esperado, a satisfação não duraria muito, pois no mundo dos consumidores as possibilidades são infinitas, e o volume de objetivos sedutores à disposição nunca poderá ser exaurido. As receitas para a boa vida e os utensílios que a ela servem têm “data de validade”, mas muitos cairão em desuso bem antes dessa data, apequenados, desvalorizados e destituídos de fascínio pela competição de ofertas “novas e aperfeiçoadas”. Na corrida dos consumidores, a linha de chegada sempre se move mais veloz que o mais veloz dos corredores; mas a maioria dos corredores na pista tem músculos muito flácidos e pulmões muito pequenos para correr velozmente. E assim, como na Maratona de Londres, pode-se admirar e elogiar os vencedores, mas o que verdadeiramente conta é permanecer na corrida até o fim. Pelo menos a Maratona de Londres tem um fim, mas a outra corrida – para alcançar a promessa fugidia e sempre distante de uma vida sem problemas –, uma vez iniciada, nunca termina: comecei, mas posso não terminar.
Então, é a continuação da corrida, a satisfatória consciência de permanecer na corrida, que se torna o verdadeiro vício – e não algum prêmio à espera dos poucos que cruzam a linha de chegada. Nenhum dos prêmios é suficientemente satisfatório para destituir os outros prêmios de seu poder de atração, e há tantos outros prêmios que acenam e fascinam porque (por enquanto, sempre por enquanto, desesperadamente por enquanto) ainda não foram tentados.
BAUMAN, Zygmunt. Modernidade líquida. Rio de Janeiro: Jorge Zahar Ed., 2001.
O núcleo temático do texto está centrado:
Provas
Questão presente nas seguintes provas
Seja uma planilha eletrônica, como por exemplo Microsoft Excel, com as células contendo, respectivamente, os seguintes valores numéricos: A1=1, A2=2, A3=3, B1=4, B2=5, B3=6, que valor seria calculado na célula A4, se ela contivesse a fórmula =SOMA(A1:B2)-SOMA(A3-B3)?
Provas
Questão presente nas seguintes provas
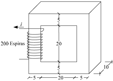
O reator, mostrado na Figura, foi construído com um material magnético de permeabilidade relativa !$ \mu_R = 4000 (H\,/\,m) !$, com as seguintes especificações: a bobina de excitação possui 200 espiras e foi considerada a permeabilidade do vácuo como sendo !$ \mu_0 !$.

Sabendo-se que todas as dimensões do reator estão em cm, os valores CORRETOS da relutância e da corrente da bobina, necessários para estabelecer o fluxo magnético de
Provas
Questão presente nas seguintes provas
A compulsão transformada em vício
Procurar exemplos, conselho e orientação é um vício: quanto mais se procura, mais se precisa(A) e mais se sofre quando privado de novas doses da droga procurada. Como meio de aplacar a sede, todos os vícios são auto- destrutivos; destroem a possibilidade de se chegar à satisfação.
Exemplos e receitas são atraentes enquanto não- testados(B). Mas dificilmente algum deles cumpre o que promete – virtualmente, cada um fica aquém da realização que dizia trazer. Mesmo que algum deles mostrasse funcionar do modo esperado, a satisfação não duraria muito(D), pois no mundo dos consumidores as possibilidades são infinitas, e o volume de objetivos sedutores à disposição nunca poderá ser exaurido. As receitas para a boa vida e os utensílios que a ela servem têm “data de validade”, mas muitos cairão em desuso bem antes dessa data, apequenados, desvalorizados e destituídos de fascínio pela competição de ofertas “novas e aperfeiçoadas”. Na corrida dos consumidores, a linha de chegada sempre se move mais veloz que o mais veloz dos corredores; mas a maioria dos corredores na pista tem músculos muito flácidos e pulmões muito pequenos para correr velozmente. E assim, como na Maratona de Londres, pode-se admirar e elogiar os vencedores(C), mas o que verdadeiramente conta é permanecer na corrida até o fim. Pelo menos a Maratona de Londres tem um fim, mas a outra corrida – para alcançar a promessa fugidia e sempre distante de uma vida sem problemas –, uma vez iniciada, nunca termina: comecei, mas posso não terminar.
Então, é a continuação da corrida, a satisfatória consciência de permanecer na corrida, que se torna o verdadeiro vício – e não algum prêmio à espera dos poucos que cruzam a linha de chegada. Nenhum dos prêmios é suficientemente satisfatório para destituir os outros prêmios de seu poder de atração(E), e há tantos outros prêmios que acenam e fascinam porque (por enquanto, sempre por enquanto, desesperadamente por enquanto) ainda não foram tentados.
BAUMAN, Zygmunt. Modernidade líquida. Rio de Janeiro: Jorge Zahar Ed., 2001.
Há correspondência entre os enunciados e a relação indicada nos parênteses em:
Provas
Questão presente nas seguintes provas
- UniãoExecutivoDecreto 1.171/1994: Código de Ética do Servidor Público Civil do Poder Executivo Federal
De acordo com o Código de Ética Profissional do Servidor Público Civil do Poder Executivo Federal, é CORRETO afirmar:
Provas
Questão presente nas seguintes provas
A compulsão transformada em vício
Procurar exemplos, conselho e orientação é um vício: quanto mais se procura, mais se precisa e mais se sofre quando privado de novas doses da droga procurada. Como meio de aplacar a sede, todos os vícios são auto- destrutivos; destroem a possibilidade de se chegar à satisfação.
Exemplos e receitas são atraentes enquanto não- testados. Mas dificilmente algum deles cumpre o que promete – virtualmente, cada um fica aquém da realização que dizia trazer. Mesmo que algum deles mostrasse funcionar do modo esperado, a satisfação não duraria muito, pois no mundo dos consumidores as possibilidades são infinitas, e o volume de objetivos sedutores à disposição nunca poderá ser exaurido. As receitas para a boa vida e os utensílios que a ela servem têm “data de validade”, mas muitos cairão em desuso bem antes dessa data, apequenados, desvalorizados e destituídos de fascínio pela competição de ofertas “novas e aperfeiçoadas”. Na corrida dos consumidores, a linha de chegada sempre se move mais veloz que o mais veloz dos corredores; mas a maioria dos corredores na pista tem músculos muito flácidos e pulmões muito pequenos para correr velozmente. E assim, como na Maratona de Londres, pode-se admirar e elogiar os vencedores, mas o que verdadeiramente conta é permanecer na corrida até o fim. Pelo menos a Maratona de Londres tem um fim, mas a outra corrida – para alcançar a promessa fugidia e sempre distante de uma vida sem problemas –, uma vez iniciada, nunca termina: comecei, mas posso não terminar.
Então, é a continuação da corrida, a satisfatória consciência de permanecer na corrida, que se torna o verdadeiro vício – e não algum prêmio à espera dos poucos que cruzam a linha de chegada. Nenhum dos prêmios é suficientemente satisfatório para destituir os outros prêmios de seu poder de atração, e há tantos outros prêmios que acenam e fascinam porque (por enquanto, sempre por enquanto, desesperadamente por enquanto) ainda não foram tentados.
BAUMAN, Zygmunt. Modernidade líquida. Rio de Janeiro: Jorge Zahar Ed., 2001.
Com a frase “Na corrida dos consumidores, a linha de chegada sempre se move mais veloz que o mais veloz dos corredores”, o autor se refere
Provas
Questão presente nas seguintes provas
- UniãoExecutivoDecreto 1.171/1994: Código de Ética do Servidor Público Civil do Poder Executivo Federal
De acordo com a Lei 1.171/94, os princípios morais são primados maiores que devem nortear o servidor público, seja no exercício do cargo ou função, ou fora dele. Dos elementos apresentados abaixo, qual NÃO representa um desses princípios?
Provas
Questão presente nas seguintes provas
O gerente de materiais de uma empresa fabricante de diversos produtos elétricos precisa decidir sobre a instalação de um dos sistemas computadorizados de controle de estoques. O primeiro deles, de custo elevado, registra, em tempo real, todas as movimentações dos produtos no estoque. O segundo registra as movimentações no estoque a cada três meses e tem custo mais modesto. Levando em conta estas considerações e as características da empresa, o gerente de materiais optou pelo primeiro sistema, apesar de mais caro, pois
Provas
Questão presente nas seguintes provas
São considerados direitos dos trabalhadores urbanos e rurais de acordo com a Constituição Federal do Brasil, EXCETO:
Provas
Questão presente nas seguintes provas
De acordo com a Lei 8.112/90, tratando das licenças, é considerado como INCORRETO conceder licença ao servidor
Provas
Questão presente nas seguintes provas
Cadernos
Caderno Container