Foram encontradas 50 questões.
O pino de saída de um microcontrolador é utilizado para acionar um motor de corrente contínua, conforme ilustrado na figura abaixo. Considere a queda de tensão nos LEDs de 2 V e que os valores de resistores estejam em ohms.

Qual é o valor aproximado da corrente I fornecida pelo microcontrolador, considerando que a tensão de saída digital pode ser igual a 0 V (nível lógico 0) e 5 V (nível lógico 1)?
Provas
Questão presente nas seguintes provas
TEXTO III
A cada nova geração, renova-se a sensação de que nas passadas se lia mais e se fazia menos sexo. Duplo engano. A rapaziada, em todos os tempos, foi com igual ímpeto ao pote. A razão POR QUE a leitura parece estar em baixa é que estamos em plena era da internet. Só parece. Pois o que se vê é a multiplicação dos jovens que gostam de LER, reconhecendo que um bom texto ainda É, para a vida pessoal e profissional, um instrumento DECISIVO.
Revista Veja, 18 de maio de 2011.
Na passagem “A rapaziada, em todos os tempos, foi com igual ímpeto ao pote”, a seleção do vocabulário:
Provas
Questão presente nas seguintes provas
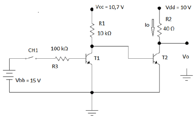
O Transistor bipolar é um dispositivo eletrônico que pode ser utilizado em diversas aplicações, tais como: amplificadores, circuitos de chaves ou como circuito de controle. No arranjo mostrado na figura abaixo, considere que os dois transistores são iguais e que a tensão base-emissor de condução é VBE = 0,7 V , que o valor da tensão base-emissor do transistor saturado é !$ VCE_{Sat} = 0 V !$ e que o ganho de corrente contínua é !$ \beta = 100 !$.

Qual é o valor da tensão !$ V_0 !$ e da corrente !$ I_0 !$, quando a chave CH1 estiver nas seguintes condições: 1 - aberta e 2 - fechada?
Provas
Questão presente nas seguintes provas
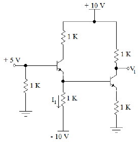
Considere o circuito apresentado na Figura abaixo, no qual os valores dos resistores estão em ohms.

Qual é o valor da corrente !$ I_1 !$ e da tensão !$ V_1 !$?
Provas
Questão presente nas seguintes provas
Amplificadores de potência utilizando transistores bipolares podem ser arranjados normalmente em três configurações. Utilizando os conceitos dessas configurações, assinale a alternativa CORRETA:
Provas
Questão presente nas seguintes provas
TEXTO I
Concertos de leitura
Penso que, de tudo o que as escolas podem fazer com as crianças e os jovens, não há nada de importância maior que o ensino do prazer da leitura. Todos falam na importância de alfabetizar, saber transformar símbolos gráficos em palavras. Concordo. Mas isso não basta. É preciso que o ato de ler dê prazer. As escolas produzem, anualmente, milhares de pessoas com habilidade de ler mas que, vida afora, não vão ler um livro sequer. Acredito piamente no dito do evangelho: "No princípio está a Palavra…". É pela palavra que se entra no mundo humano. (...)
As razões por que as pessoas não gostam de ler, eu as descobri acidentalmente muitos anos atrás. Uma aluna foi à minha sala e me disse: "Encontrei um poema lindo!". Em seguida disse a primeira linha. Fiquei contente porque era um de meus favoritos. Aí ela resolveu lê-lo inteiro. Foi o horror. Foi nesse momento que compreendi. Imagine uma valsa de Chopin, por exemplo a vulgarmente chamada "do minuto". Peço que o pianista Alexander Brailowiski a execute. Os dedos correm rápidos sobre as teclas, deslizando, subindo, descendo. É uma brincadeira, um riso. Aí eu pego a mesma partitura e peço que um pianeiro a execute. As notas são as mesmas. Mas a valsa fica um horror: tropeções, notas erradas, arritmias, confusões. O que a gente deseja é que ele pare. Pois a leitura é igual à música. Para que a leitura dê prazer é preciso que quem lê domine a técnica de ler. A leitura não dá prazer quando o leitor é igual ao pianeiro: sabem juntar as letras, dizer o que significam — mas não têm o domínio da técnica. O pianista dominou a técnica do piano quando não precisa pensar nos dedos e nas notas: ele só pensa na música. O leitor dominou a técnica da leitura quando não precisa pensar em letras e palavras: só pensa nos mundos que saem delas; quando ler é o mesmo que viajar. E o feitiço da leitura continua me espantando. Faz uns anos um amigo rico me convidou para passar uns dias no apartamento dele em Cabo Frio. Aceitei alegre, mas ele logo me advertiu: "Vão também cinco adolescentes…". Senti um calafrio. E tratei de me precaver. Fui a uma casa de armas, isto é, uma livraria, escolhi uma arma adequada, uma versão simplificada da Odisséia, de Homero, comprei-a e viajei, pronto para o combate. Primeiro dia, praia, almoço, modorra, sesta. Depois da sesta, aquela situação de não saber o que fazer. Foi então que eu, valendo-me do fato de que eles não me conheciam, e falando com a autoridade de um sargento, disse: "Ei, vocês aí. Venham até a sala que eu quero lhes mostrar uma coisa!". Eles obedeceram sem protestar. Aí, comecei a leitura. Não demorou muito. Todos eles estavam em transe. Daí para a frente foi aquela delícia, eles atrás de mim pedindo que continuasse a leitura. Ensina-se, nas escolas, muita coisa que a gente nunca vai usar, depois, na vida inteira. Fui obrigado a aprender muita coisa que não era necessária, que eu poderia ter aprendido depois, quando e se a ocasião e sua necessidade o exigisse. É como ensinar a arte de velejar a quem mora no alto das montanhas…Nunca usei seno ou logaritmo, nunca tive oportunidade de usar meus conhecimentos sobre as causas da Guerra dos Cem Anos, nunca tive de empregar os saberes da genética para determinar a prole resultante do cruzamento de coelhos brancos com coelhos pretos, nunca houve ocasião que eu me valesse dos saberes sobre sulfetos. Mas aquela experiência infantil, a professora nos lendo literatura, isso mudou minha vida. Ao ler — acho que ela nem sabia disso — ela estava me dando a chave de abrir o mundo. Há concertos de música. Por que não concertos de leitura? Imagino uma situação impensável: o adolescente se prepara para sair com a namorada, e a mãe lhe pergunta: "Aonde é que você vai?". E ele responde: "Vou a um concerto de leitura. Hoje, no teatro, vai ser lido o conto A terceira margem do rio, de Guimarães Rosa. Por que é que você não vai também com o pai?". Aí, pai e mãe, envergonhados, desligam o Jornal Nacional e vão se aprontar…
(Adaptado de: ALVES, R. Entre a ciência e a sapiência: o dilema da educação. São Paulo: Editorial
Loyola, 1996.)
“Penso que, de tudo o que as escolas podem fazer com as crianças e os jovens, não há nada de importância maior que o ensino do prazer da leitura.” A articulação entre os dois trechos destacados evidencia uma relação de:
Provas
Questão presente nas seguintes provas
Uma das etapas do circuito de condicionamento de um eletrocardiógrafo é apresentada na Figura abaixo. Pelo projeto do circuito, trata-se de um filtro passa-baixa de primeira ordem com ganho de tensão 10 V/V e com frequência de corte de 60 Hz . Considere os valores das resistências em ohms e !$ \pi !$ igual a 3.

Quais devem ser os valores dos resistores e capacitor para atender às especificações de projeto?
Provas
Questão presente nas seguintes provas
Os tiristores são dispositivos eletrônicos que possuem como função principal o controle de potência que será entregue a uma carga elétrica. Quanto ao funcionamento dos tiristores, analise as afirmativas:
I. A intensidade da corrente que atravessa um tiristor é controlada pelo nível de tensão aplicada à porta.
II. Para bloquear a condução da corrente que atravessa um tiristor é necessário apenas retirar a tensão da porta.
III. Pode-se controlar o nível de potência entregue à carga através de um tiristor apenas pelo processo de liga e desliga e jamais utilizando o controle de fase.
IV. Uma das formas para bloqueio da condução de um tiristor é através da retirada de tensão do terminal porta e anulando a corrente que o atravessa.
Está CORRETO o que se afirma em:
Provas
Questão presente nas seguintes provas
TEXTO I
Concertos de leitura
Penso que, de tudo o que as escolas podem fazer com as crianças e os jovens, não há nada de importância maior que o ensino do prazer da leitura. Todos falam na importância de alfabetizar, saber transformar símbolos gráficos em palavras. Concordo. Mas isso não basta. É preciso que o ato de ler dê prazer. As escolas produzem, anualmente, milhares de pessoas com habilidade de ler mas que, vida afora, não vão ler um livro sequer. Acredito piamente no dito do evangelho: "No princípio está a Palavra…". É pela palavra que se entra no mundo humano. (...)
As razões por que as pessoas não gostam de ler, eu as descobri acidentalmente muitos anos atrás. Uma aluna foi à minha sala e me disse: "Encontrei um poema lindo!". Em seguida disse a primeira linha. Fiquei contente porque era um de meus favoritos. Aí ela resolveu lê-lo inteiro. Foi o horror. Foi nesse momento que compreendi. Imagine uma valsa de Chopin, por exemplo a vulgarmente chamada "do minuto". Peço que o pianista Alexander Brailowiski a execute. Os dedos correm rápidos sobre as teclas, deslizando, subindo, descendo. É uma brincadeira, um riso. Aí eu pego a mesma partitura e peço que um pianeiro a execute. As notas são as mesmas. Mas a valsa fica um horror: tropeções, notas erradas, arritmias, confusões. O que a gente deseja é que ele pare. Pois a leitura é igual à música. Para que a leitura dê prazer é preciso que quem lê domine a técnica de ler. A leitura não dá prazer quando o leitor é igual ao pianeiro: sabem juntar as letras, dizer o que significam — mas não têm o domínio da técnica. O pianista dominou a técnica do piano quando não precisa pensar nos dedos e nas notas: ele só pensa na música. O leitor dominou a técnica da leitura quando não precisa pensar em letras e palavras: só pensa nos mundos que saem delas; quando ler é o mesmo que viajar. E o feitiço da leitura continua me espantando. Faz uns anos um amigo rico me convidou para passar uns dias no apartamento dele em Cabo Frio. Aceitei alegre, mas ele logo me advertiu: "Vão também cinco adolescentes…". Senti um calafrio. E tratei de me precaver. Fui a uma casa de armas, isto é, uma livraria, escolhi uma arma adequada, uma versão simplificada da Odisséia, de Homero, comprei-a e viajei, pronto para o combate. Primeiro dia, praia, almoço, modorra, sesta. Depois da sesta, aquela situação de não saber o que fazer. Foi então que eu, valendo-me do fato de que eles não me conheciam, e falando com a autoridade de um sargento, disse: "Ei, vocês aí. Venham até a sala que eu quero lhes mostrar uma coisa!". Eles obedeceram sem protestar. Aí, comecei a leitura. Não demorou muito. Todos eles estavam em transe. Daí para a frente foi aquela delícia, eles atrás de mim pedindo que continuasse a leitura. Ensina-se, nas escolas, muita coisa que a gente nunca vai usar, depois, na vida inteira. Fui obrigado a aprender muita coisa que não era necessária, que eu poderia ter aprendido depois, quando e se a ocasião e sua necessidade o exigisse. É como ensinar a arte de velejar a quem mora no alto das montanhas…Nunca usei seno ou logaritmo, nunca tive oportunidade de usar meus conhecimentos sobre as causas da Guerra dos Cem Anos, nunca tive de empregar os saberes da genética para determinar a prole resultante do cruzamento de coelhos brancos com coelhos pretos, nunca houve ocasião que eu me valesse dos saberes sobre sulfetos. Mas aquela experiência infantil, a professora nos lendo literatura, isso mudou minha vida. Ao ler — acho que ela nem sabia disso — ela estava me dando a chave de abrir o mundo. Há concertos de música. Por que não concertos de leitura? Imagino uma situação impensável: o adolescente se prepara para sair com a namorada, e a mãe lhe pergunta: "Aonde é que você vai?". E ele responde: "Vou a um concerto de leitura. Hoje, no teatro, vai ser lido o conto A terceira margem do rio, de Guimarães Rosa. Por que é que você não vai também com o pai?". Aí, pai e mãe, envergonhados, desligam o Jornal Nacional e vão se aprontar…
(Adaptado de: ALVES, R. Entre a ciência e a sapiência: o dilema da educação. São Paulo: Editorial
Loyola, 1996.)
Para o autor do Texto I, o prazer da leitura:
Provas
Questão presente nas seguintes provas
Considerando as características de transistores de efeito de campo, assinale a alternativa INCORRETA:
Provas
Questão presente nas seguintes provas
Cadernos
Caderno Container