Foram encontradas 50 questões.
A configuração de polarização de um transistor JFET é ilustrada na figura abaixo. A corrente no dreno é igual a 2 mA e todos os valores dos resistores da Figura estão em ohms.

Os valores da corrente I e das tensões !$ V_{GS} !$ e !$ V_D !$ são, respectivamente:
Provas
Questão presente nas seguintes provas
Nos circuitos elétricos de tensão alternada, os capacitores possuem uma reatância capacitiva e os indutores possuem uma reatância indutiva. Estas reatâncias dependem do valor da frequência da corrente elétrica do circuito. O circuito da Figura abaixo possui uma fonte de tensão alternada, sendo composto por resistores, capacitor e indutor.

Os valores aproximados das tensões de R1, C1 e L1 são, respectivamente:
Provas
Questão presente nas seguintes provas
Os transistores bipolares são muito utilizados como amplificadores para as mais diversas aplicações. Uma das configurações mais utilizadas é a de seguidor de emissor. Para esta configuração, analise as afirmativas abaixo:
I. O ganho de tensão do amplificador é de aproximadamente um.
II. A impedância de entrada do amplificador é muito baixa, quando comparada a outras configurações de amplificadores bipolares.
III. O ganho de corrente do circuito amplificador é bem maior que o ganho de corrente do amplificador na configuração base comum.
Está CORRETO o que se afirma apenas em:
Provas
Questão presente nas seguintes provas
Os diodos são dispositivos eletrônicos que possuem diversas aplicações nos equipamentos eletrônicos, podendo ter a função de retificador, sensor de temperatura, integrante de circuitos de controle, etc. Dois diodos fazem parte do circuito representado pela Figura abaixo.

Considerando os diodos D1 e D2 ideais, os valores das tensões nos pontos A e B são, respectivamente:
Provas
Questão presente nas seguintes provas
O diodo Zener é um componente eletrônico que, para determinadas situações, ocupa a função de manter, em seus terminais, uma tensão constante e, dessa forma, é bastante utilizado em fontes de alimentação e circuitos reguladores de tensão.

Os valores das tensões sobre os resistores R1 e R2 e a corrente no diodo Zener, no circuito da Figura acima, são, respectivamente:
Provas
Questão presente nas seguintes provas
TEXTO II

Comparando-se o Texto II com o Texto I, só NÃO se pode afirmar que:
Provas
Questão presente nas seguintes provas
TEXTO I
Concertos de leitura
Penso que, de tudo o que as escolas podem fazer com as crianças e os jovens, não há nada de importância maior que o ensino do prazer da leitura. Todos falam na importância de alfabetizar, saber transformar símbolos gráficos em palavras. Concordo. Mas isso não basta. É preciso que o ato de ler dê prazer. As escolas produzem, anualmente, milhares de pessoas com habilidade de ler mas que, vida afora, não vão ler um livro sequer. Acredito piamente no dito do evangelho: "No princípio está a Palavra…". É pela palavra que se entra no mundo humano. (...)
As razões por que as pessoas não gostam de ler, eu as descobri acidentalmente muitos anos atrás. Uma aluna foi à minha sala e me disse: "Encontrei um poema lindo!". Em seguida disse a primeira linha. Fiquei contente porque era um de meus favoritos. Aí ela resolveu lê-lo inteiro. Foi o horror. Foi nesse momento que compreendi. Imagine uma valsa de Chopin, por exemplo a vulgarmente chamada "do minuto". Peço que o pianista Alexander Brailowiski a execute. Os dedos correm rápidos sobre as teclas, deslizando, subindo, descendo. É uma brincadeira, um riso. Aí eu pego a mesma partitura e peço que um pianeiro a execute. As notas são as mesmas. Mas a valsa fica um horror: tropeções, notas erradas, arritmias, confusões. O que a gente deseja é que ele pare. Pois a leitura é igual à música. Para que a leitura dê prazer é preciso que quem lê domine a técnica de ler. A leitura não dá prazer quando o leitor é igual ao pianeiro: sabem juntar as letras, dizer o que significam — mas não têm o domínio da técnica. O pianista dominou a técnica do piano quando não precisa pensar nos dedos e nas notas: ele só pensa na música. O leitor dominou a técnica da leitura quando não precisa pensar em letras e palavras: só pensa nos mundos que saem delas; quando ler é o mesmo que viajar. E o feitiço da leitura continua me espantando. Faz uns anos um amigo rico me convidou para passar uns dias no apartamento dele em Cabo Frio. Aceitei alegre, mas ele logo me advertiu: "Vão também cinco adolescentes…". Senti um calafrio. E tratei de me precaver. Fui a uma casa de armas, isto é, uma livraria, escolhi uma arma adequada, uma versão simplificada da Odisséia, de Homero, comprei-a e viajei, pronto para o combate. Primeiro dia, praia, almoço, modorra, sesta. Depois da sesta, aquela situação de não saber o que fazer. Foi então que eu, valendo-me do fato de que eles não me conheciam, e falando com a autoridade de um sargento, disse: "Ei, vocês aí. Venham até a sala que eu quero lhes mostrar uma coisa!". Eles obedeceram sem protestar. Aí, comecei a leitura. Não demorou muito. Todos eles estavam em transe. Daí para a frente foi aquela delícia, eles atrás de mim pedindo que continuasse a leitura. Ensina-se, nas escolas, muita coisa que a gente nunca vai usar, depois, na vida inteira. Fui obrigado a aprender muita coisa que não era necessária, que eu poderia ter aprendido depois, quando e se a ocasião e sua necessidade o exigisse. É como ensinar a arte de velejar a quem mora no alto das montanhas…Nunca usei seno ou logaritmo, nunca tive oportunidade de usar meus conhecimentos sobre as causas da Guerra dos Cem Anos, nunca tive de empregar os saberes da genética para determinar a prole resultante do cruzamento de coelhos brancos com coelhos pretos, nunca houve ocasião que eu me valesse dos saberes sobre sulfetos. Mas aquela experiência infantil, a professora nos lendo literatura, isso mudou minha vida. Ao ler — acho que ela nem sabia disso — ela estava me dando a chave de abrir o mundo. Há concertos de música. Por que não concertos de leitura? Imagino uma situação impensável: o adolescente se prepara para sair com a namorada, e a mãe lhe pergunta: "Aonde é que você vai?". E ele responde: "Vou a um concerto de leitura. Hoje, no teatro, vai ser lido o conto A terceira margem do rio, de Guimarães Rosa. Por que é que você não vai também com o pai?". Aí, pai e mãe, envergonhados, desligam o Jornal Nacional e vão se aprontar…
(Adaptado de: ALVES, R. Entre a ciência e a sapiência: o dilema da educação. São Paulo: Editorial
Loyola, 1996.)
Sobre a função da escola no desenvolvimento do prazer de ler, o Texto I assim se posiciona:
Provas
Questão presente nas seguintes provas
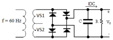
As fontes de alimentação estão presentes em quase todos os equipamentos eletrônicos. O circuito da Figura abaixo ilustra uma fonte de alimentação. As tensões VS1 e VS2 são iguais a 5Vrms e não possuem variações com a corrente de carga. Os diodos possuem uma queda de tensão de 0,7 V, quando polarizados diretamente, e o valor de C é 1000 !$ μ F !$. Adote !$ \sqrt 2 = 1,41. !$

Qual é o valor da tensão DC sobre o capacitor, sem a presença do resistor de carga R e qual é a redução da tensão máxima sobre o capacitor, com a inclusão de um resistor R, que consome uma corrente de 120 mA, respectivamente?
Provas
Questão presente nas seguintes provas
A corrente elétrica para um circuito resistivo composto, mostrado na Figura abaixo, varia apenas com a fonte de tensão e com os valores e o arranjo de interligação dos resistores.

A tensão aproximada no resistor !$ R_C !$ para o circuito em questão é:
Provas
Questão presente nas seguintes provas
Sobre o projeto de amplificadores de pequenos sinais utilizando transistores de junção bipolar, indique a alternativa INCORRETA:
Provas
Questão presente nas seguintes provas
Cadernos
Caderno Container