Foram encontradas 50 questões.
TEXTO I PARA A QUESTÃO.
CIDADANIA NO BRASIL
Discorda-se da extensão, profundidade e rapidez do fenômeno, não de sua existência. A internacionalização do sistema capitalista, iniciada há séculos mas muito acelerada pelos avanços tecnológicos recentes, e a criação de blocos econômicos e políticos têm causado uma redução do poder dos Estados e uma mudança das identidades nacionais existentes. As várias nações que compunham o antigo império soviético se transformaram em novos Estados-nação. No caso da Europa Ocidental, os vários Estados-nação se fundem em um grande Estado multinacional. A redução do poder do Estado afeta a natureza dos antigos direitos, sobretudo dos direitos políticos e sociais.
Se os direitos políticos significam participação no governo, uma diminuição no poder do governo reduz também a relevância do direito de participar. Por outro lado, a ampliação da competição internacional coloca pressão sobre o custo da mão-de-obra e sobre as finanças estatais, o que acaba afetando o emprego e os gastos do governo, do qual dependem os direitos sociais. Desse modo, as mudanças recentes têm recolocado em pauta o debate sobre o problema da cidadania, mesmo nos países em que ele parecia estar razoavelmente resolvido.
Tudo isso mostra a complexidade do problema. O enfrentamento dessa complexidade pode ajudar a identificar melhor as pedras no caminho da construção democrática. Não ofereço receita da cidadania. Também não escrevo para especialistas. Faço convite a todos os que se preocupam com a democracia para uma viagem pelos caminhos tortuosos que a cidadania tem seguido no Brasil. Seguindo-lhe o percurso, o eventual companheiro ou companheira de jornada poderá desenvolver visão própria do problema. Ao fazê-lo, estará exercendo sua cidadania.
(http://www.do.ufgd.edu.br/mariojunior/arquivos/cidadania_brasil.pdf)
No trecho “Tudo isso mostra a complexidade do problema.”, o elemento textual “isso” possui natureza de coesão
Provas
Com relação ao dimensionamento da seção condutores presentes em instalações elétricas de baixa tensão, a norma NBR 5410 da Associação Brasileira de Normas Técnicas (ABNT) destaca que seis são os critérios que, no mínimo, devem ser atendidos simultaneamente: o da seção mínima, o da capacidade de condução de corrente, o da proteção contra sobrecarga, o da proteção contra curto-circuito, o da proteção contra choques elétricos, e o de queda de tensão. A fim de determinar a seção dos condutores de modo a protege-los contra curto-circuito, calcula-se a corrente de falta em um determinado ponto de uma instalação cuja tensão de fase é de 220V (60Hz) e se encontra um valor de 4kA. Acessa-se o manual do dispositivo de proteção (o disjuntor) e se descobre que, para este valor de corrente, o tempo de atuação se dá em 250ms. Dispondo da tabela abaixo, dada pelo fabricante de condutores na qual se pode verificar a suportabilidade dos condutores com relação a correntes de falta, é correto afirmar que, de modo a garantir proteção contra curto-circuito, deve se ter condutores com seções mínimas de:

Provas
- Medidas ElétricasTransformadores para instrumentos, Transformador de potencial e Transformador de corrente
De forma simplificada, os Transformadores de Corrente (TC) são dispositivos que, através do fenômeno de conversão eletromagnética, transformam correntes elevadas que circulam no seu primário em pequenas correntes que irão circular no seu secundário. Na maioria dos casos, os TCs possuem secundários nos quais a corrente nominal é igual a 5A. Os TCs podem ser construídos de diferentes formas e para diferentes usos. Abaixo, estão dispostos três tipos de TCs (tipo 1, tipo 2, tipo 3) que se diferenciam quanto a sua forma construtiva os quais são definidos como sendo, respectivamente:

Provas
- Circuitos ElétricosLeis de Ohm e Kirchhoff
- Circuitos ElétricosPotência: Instantânea, Ativa, Reativa, Aparente e Complexa
Dado o circuito da figura seguir, calcule a potência entregue pela fonte de corrente:

Provas
Em uma instalação elétrica de baixa tensão, enumeraram-se as cargas e suas respectivas potências instaladas, conforme pode ser visto na tabela abaixo e a Figura 1 apresenta a curva de demanda diária registrada para essa instalação. Com base nessas informações, estabelece-se que o fator de demanda dessa instalação é de aproximadamente:

Provas
A figura abaixo representa um trecho de uma planta baixa no qual poderá ser visto o diagrama unifilar da instalação elétrica obedecendo a disposição dos interruptores, pontos de luz e eletrodutos já alocados.

Provas
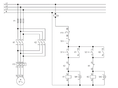
Com relação ao circuito de comando e potência apresentado na figura abaixo é correto afirmar que:

Provas
Para seu funcionamento, as máquinas CC precisam ter suas bobinas de campo energizadas. O fluxo magnético gerado nas bobinas de campo é responsável por controlar a operação desse tipo de máquina. Essas máquinas são interessantes pelas inúmeras curvas de operação possível, através da troca do método de excitação das bobinas de campo. Sobre máquinas CC, marque a alternativa correta:
Provas
- Transformadores e Máquinas ElétricasMáquinas EstáticasTransformadores Trifásicos e Autotransformadores
As subestações de transmissão precisam ter um alto desempenho pois processam montantes significativos de energia elétrica. Falhas em seus equipamentos ou instalações podem ocasionar grandes desligamentos de carga. Portanto, em geral, os transformadores de potência trifásico são formados por bancos de transformadores monofásicos, pois se alguma unidade apresentar problema é possível a substituição por uma unidade reserva. Dessa forma, além de aumentar a disponibilidade, reduz-se o custo de manter uma unidade trifásica na reserva. Sobre a ligação formação de transformadores trifásicos a partir de transformadores monofásicos, responda:
Provas
Aterramento elétrico é uma ligação à terra que representa um ponto de referência (ponto de potencial zero) ao qual todas as outras tensões são referidas. Dentre as funções do aterramento estão: segurança pessoal e do patrimônio (a conexão dos equipamentos elétricos ao sistema de aterramento deve permitir que, caso ocorra uma falha na isolação dos equipamentos, a corrente de falta passe através do condutor de aterramento ao invés de percorrer o corpo de uma pessoa que eventualmente esteja tocando o equipamento); desligamento automático (o sistema de aterramento oferece um percurso de baixa impedância de retorno para a terra da corrente de falta, permitindo assim que haja a operação automática, rápida e segura do sistema de proteção); controle das tensões de contato, de torque, dentre outras. A norma NBR 5410 da Associação Brasileira de Normas Técnicas (ABNT) admite alguns tipos de esquemas de aterramento sobre os quais é verdadeiro afirmar:
Provas
Caderno Container