Foram encontradas 40 questões.
Observe o circuito.
Para que a corrente I1 seja diferente de zero ampere é necessário que:

Provas
Questão presente nas seguintes provas
O TEXTO - serve de base para responder a questão.
O céu está limpo, não há nenhuma nuvem acima de nós. O avião, entretanto, começa a dar saltos (I), e temos de por os cintos para evitar uma cabeçada na poltrona da frente. Olho pela janela: (II) é que estamos sobrevoando de perto um grande tumulto de montanhas. As montanhas são belas, cobertas de florestas; (V) no verde-escuro há manchas de ferrugem de palmeiras, algum ouro de ipê, alguma prata de embaúba — e de súbito uma cidade linda e um rio estreito. Dizem que é Petrópolis (IV).
É fácil explicar que o vento nas montanhas faz corrente para baixo e para cima, (III) como também o ar é mais frio debaixo da leve nuvem. A um passageiro assustado o comissário diz que “isso é natural”. Mas o avião, com o tranquilo conforto imóvel com que nos faz vencer milhas em segundos, havia nos tirado o sentimento do natural (...)
(BRAGA, In, PAULINO, 2013, p.37-38)
Observe as proposições no que tange ao emprego dos sinais de pontuação.
I. Uma das funções da vírgula é separar as conjunções pospostas, como ocorre em “O avião, entretanto, começa a dar saltos”.
II. O emprego dos dois pontos tem como finalidade introduzir um enunciado de natureza explicativa.
III. A vírgula após a expressão “para baixo e para cima” poderia ser substituída por dois pontos, sem prejuízo de sentido.
IV. O ponto que separa o enunciado “Dizem que é Petrópolis” infringe a norma culta, por isso deveria ser substituído por vírgula.
V. O ponto e vírgula, após o termo “florestas”, separa as partes da descrição, levando o leitor a uma pausa mais acentuada.
Estão CORRETAS apenas as proposições que constam nos itens
Provas
Questão presente nas seguintes provas
Com relação aos princípios de eletricidade é CORRETO afirmar que:
Provas
Questão presente nas seguintes provas
Sobre os indutores e capacitores é CORRETO afirmar que:
Provas
Questão presente nas seguintes provas
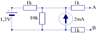
Para o circuito abaixo, pode se afirmar que a tensão Thevenin e resistência Thevenin obtida para os nós A e B são, respectivamente:

Provas
Questão presente nas seguintes provas
Considerando as relações de tensão e corrente de um transformador ideal, calcule a corrente I1, sabendo que N1=6220 espiras, N2=622 espiras e R2=1kΩ.

Provas
Questão presente nas seguintes provas
Quanto ao efeito corona comum em linhas de transmissão, é CORRETO afirmar que
Provas
Questão presente nas seguintes provas
Com relação aos circuitos retificadores com diodo e sem filtro capacitivo é CORRETO afirmar que:
Provas
Questão presente nas seguintes provas
Sobre o circuito retificador trifásico de onda completa é CORRETO afirmar que:
Provas
Questão presente nas seguintes provas
Para o circuito abaixo calcule I1 e I2.

Provas
Questão presente nas seguintes provas
Cadernos
Caderno Container