Foram encontradas 40 questões.
Leia o TEXTO 03 para responder à questão.
TEXTO 03

Disponível em: <http://pehdechinelo.blogspot.com.br/2012/06/havaianas-qual-sua.html>. Acesso em: 11 out. 2016.
Provas
Provas
Baseado nas definições dos conjuntos de pontos e de referências de nível de apoio para a realização de levantamentos topográficos, relacione a 2ª coluna de acordo com a 1ª.

Assinale a alternativa que contém a sequência CORRETA em que os números devem ser postos na 2ª coluna.
Provas
A quantidade de energia de compactação necessária para estabilizar um solo está relacionada com a natureza do solo e a função que vai desempenhar. São conhecidos quatro processos fundamentais de compactação de solos. Tomando por base as definições dos processos, relacione a 2ª coluna de acordo com a 1ª.

Assinale a alternativa que contém a sequência CORRETA em que os números devem ser postos na 2ª coluna.
Provas
Os desenhos, de maneira geral, são elaborados em alguma plataforma CAD. Os ícones abaixo são comuns a várias plataformas (AUTOCAD, InteliCad, Vcad, entre outros). Sendo assim, correlacione os ícones abaixo com a função para a qual se destinam.

A. Comando Match Properties- Faz cópias de um elemento de uma única vez, seja em uma linha, coluna, ambos ou de forma central.
B. Comando stretch- Estica ou encolhe parte de um desenho. Esse comando só aceita a seleção por crossing na extremidade que se deseja modificar.
C. Comando multiline- Desenha segmentos compostos por várias linhas paralelas.
D. Comando Trim- Corta excedentes de objetos até os limites definidos por outros objetos.
E. Comando chanfer- Executa chanfros ou concordâncias entre objetos, através da criação de uma nova linha ou segmento de polilinha.
A alternativa abaixo que associa CORRETAMENTE o símbolo à sua função é
Provas

Provas
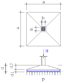
- Edificações
- Estruturas
- Patologia
- Resistência dos Materiais e Análise EstruturalEstruturas de Concreto

Provas
Provas
Provas
Provas
Caderno Container