Foram encontradas 40 questões.
Leia o TEXTO 07 para responder à questão.
TEXTO 07

No TEXTO 07, a construção do efeito de humor se baseia
Provas
I. A esperança não deveria ter pousado e pousou. – Adição. II. A emoção do meu filho foi grande, mesmo que tenha unido as duas esperanças. – Conformidade. III. Se bem que a esperança clássica verifique-se ser ilusória, nos sustenta sempre. – Concessão. IV. O inseto é tão concreto e verde que se diferencia da esperança clássica. – Comparação. V. Consoante era indubitável, a esperança causou um pequeno rebuliço. – Conformidade.
Estão CORRETAS, apenas, as proposições
Provas
I. Em “porque era totalmente desassociado das emoções” (2º parágrafo), se os vocábulos destacados fossem colocados no plural concordariam com “cálculos matemáticos”, desse modo, a correção gramatical e o sentido do trecho seriam mantidos. II. Em “os participantes [...] também usavam uma estratégia muito inteligente para controlar suas emoções” (4º parágrafo), os termos destacados têm o mesmo referente, por isso,ambos deveriam ter sido grafados no plural.
III. Em “a estratégia que usavam era muito parecida com o que psicólogos cognitivo-comportamentais chamam” (4º parágrafo), se o termo destacado fosse trocado por “a”, embora mudasse o referente, a correção gramatical do trecho seria mantida.
IV. No trecho “adaptando as emoções associadas a esse acontecimento e tornando-as mais positivas” (5º parágrafo), a variação em gênero e número das palavras destacadas mudaria o termo ao qual se referem.
V. Em “a gestão das emoções depende de três fatores” (6º parágrafo), os termos destacados poderiam ser pluralizados para concordarem com “emoções” sem que houvesse alteração de sentido do trecho.
Estão CORRETAS, apenas, as proposições
Provas
I. Em “Agora, pesquisadores encontraram as primeiras evidências” (2º parágrafo), o advérbio funciona como um articulador de discurso e indica uma sequência temporal iniciada no período anterior, o qual sugere uma constatação antecedente a que é tratada no texto.
II. No trecho “eles tinham problemas como repetir uma matéria na faculdade” (4º parágrafo), o vocábulo em destaque refere-se, anaforicamente, a “cientistas”, termo que, embora esteja no período anterior, é retomado pelo uso do pronome.
III. Em “Eles recrutaram 186 estudantes universitários” (3º parágrafo), e “eles tinham problemas como repetir uma matéria” (4º parágrafo), os pronomes pessoais em destaque possuem o mesmo referente.
IV. Em “adaptando as emoções associadas a esse acontecimento e tornando-as mais positivas” (5º parágrafo) os pronomes destacados constituem elementos coesivos e referem-se, respectivamente, a “problema” e “emoções”.
V. No trecho “usavam uma estratégia muito inteligente para controlar suas emoções” (4º parágrafo), o termo em destaque refere-se, cataforicamente, aos “participantes que tinham o córtex pré-frontal dorsolateral mais ativos”.
Estão CORRETAS, apenas, as afirmações constantes nos itens
Provas
Leia o TEXTO 04 para responder à questão.
TEXTO 04

Provas
Provas
Analise as proposições a respeito do revestimento com piso interno com placa cerâmica.
I. O assentamento de placas cerâmicas só deve ocorrer após um período mínimo de cura da base ou contrapiso. No caso de não se empregar nenhum processo de cura, o assentamento deve ocorrer 14 dias após a concretagem da base ou 7 dias após a execução do contrapiso.
II. O piso em ambientes não molháveis deve ser executado em nível ou com caimento mínimo de 0,5%.
III. O rejuntamento das placas cerâmicas deve ser iniciado, no mínimo, após 2 dias do seu assentamento.
IV. O revestimento cerâmico só deve ser submetido à limpeza final depois de transcorridas, no mínimo, duas semanas após o rejuntamento dos pisos cerâmicos.
V. O emprego da argamassa colante deve ocorrer, no máximo, duas horas e meia após o seu preparo, sendo vedada a adição de água ou outros produtos.
Estão CORRETAS as proposições
Provas
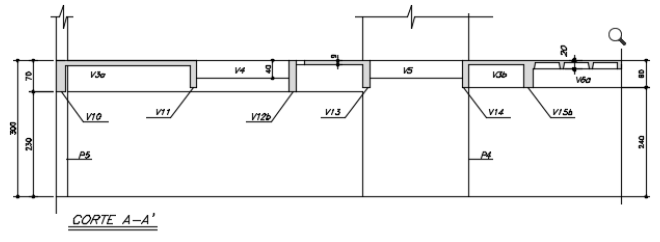
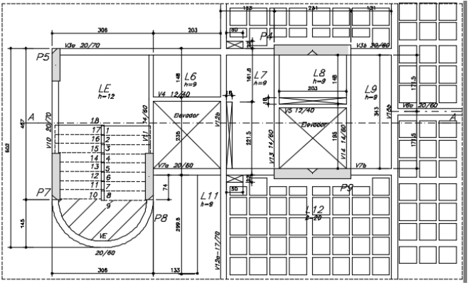
Qual dos desenhos abaixo representa corretamente a planta baixa apresentada no corte a seguir:

Provas
Provas
Leia o TEXTO 01 para responder à questão.
TEXTO 01
MÃES SURPREENDEM TORCEDORES UNIFORMIZADOS EM CLÁSSICO EM PE
Jogo entre Sport e Náutico na Arena PE teve iniciativa inédita de combate à violência
Por Daniel Gomes (08/02/2015)
Escoltados pela Polícia Militar, torcedores organizados chegam à Arena Pernambuco. Enfileiram-se e tiram o ingresso do bolso para passar pelas catracas. Entram no palco da partida e, quando começam a entoar gritos de ordem, se deparam com seguranças de rostos bem conhecidos: suas próprias mães. Foi o que aconteceu antes do clássico entre Sport e Náutico, neste domingo. A ação, inédita, logicamente pegou de surpresa os uniformizados.
A iniciativa foi idealizada por uma agência internacional como mais uma medida de combate à violência. Há uma semana, na primeira rodada do Campeonato Pernambucano, cenas lamentáveis foram registradas antes de Sport x Santa Cruz.
Cerca de 30 mães se dividiram nas seguranças do setor onde são instaladas normalmente as organizadas. Todas elas, na torcida do Sport. Cristyane dos Santos Almeida era uma delas. Mãe de Jonatas Santos da Silva, de 22 anos e membro da principal organizada do Sport.
- Acho que ele é da Torcida Jovem desde a primeira vez que foi para o campo. Não sei nem quem levou. Ele escondeu de mim durante um bom tempo que era da Torcida Jovem. Só me disse quando já estava maior de idade. Ele já se meteu em algumas fugindo de confusões... Por isso que eu acho válida esta ação.
(GOMES, Daniel. Mães surpreendem torcedores uniformizados em clássico em PE (Adaptado). Disponível em: < http://globoesporte.globo.com/pe/futebol/campeonato-pernambucano/noticia/2015/02/maessurpreendem-torcedores-uniformizados-em-classico-em-pe.html>. Acesso em: 08 out. 2016.)
I. A expressão “torcedores organizados” (1º parágrafo) mantém-se sem a necessidade do uso de pronomes pessoais do caso reto. II. Há uma relação anafórica entre “seguranças de rostos bem conhecidos” e “suas próprias mães” (1º parágrafo). III. As expressões “a ação” (1º parágrafo) e “a iniciativa” (2º parágrafo) relacionam-se ao mesmo referente. IV. O pronome relativo “onde” (3º parágrafo) foi utilizado adequadamente, pois refere-se à palavra “setor”, que constitui lugar. V. O pronome demonstrativo “isso”, presente na última frase do TEXTO 01, se relaciona à presença das mães dos torcedores nos estádios disfarçadas de seguranças.
Estão CORRETAS, apenas, as assertivas
Provas
Caderno Container