Foram encontradas 50 questões.
Na figura abaixo é mostrado um sistema de aterramento, usado em circuitos de baixa tensão, conforme a NBR 5410. L1, L2 e L3 são as fases, N é o condutor neutro e PE é o condutor de proteção.

Instalações elétricas prediais - 15ª edição
De acordo com as informações acima, o esquema de aterramento mostrado é:
Provas
Um gerador-shunt, 250V e 100KW, possui uma resistência de campo de 50Ω e uma resistência de armadura de 0,05Ω. Assim, o valor da tensão gerada na situação de plena carga é:
Provas
A figura abaixo apresenta, de forma simplificada, os esquemas dos dois principais tipos de sistemas de controle automatizados.

A respeito desses dois sistemas de controle, considere as seguintes afirmações:
1. O sistema B é classificado com malha fechada e o sistema A como malha aberta.
2. Enquanto que no sistema A o sinal de entrada é o próprio set-point, no sistema B, o sinal de entrada no controlador é a diferença entre o set-Point e o sinal do transdutor.
3. O sistema B possui menor sensibilidade a interferências e ruídos que o sistema A, uma vez que qualquer ruído no sistema B não tende a ser compensado, uma vez que é desconsiderado nesse tipo de controle.
4. Uma vantagem do sistema A é ter menor custo menor de implementação, em relação ao sistema B, para uma mesma aplicação.
5. O sistema A pode atingir a instabilidade quando o ganho do controlador for muito alto, sendo uma desvantagem em relação ao sistema B.
É correto apenas o que se afirma em:
Provas
A matriz energética brasileira é considerada “mais limpa” do que a matriz energética mundial (global). O infográfico abaixo fornece informações que ajudam a explicar essa característica da matriz brasileira.

Fonte: http://infograficos.oglobo.globo.com/economia/participacao-de-cadafonte- de-energia.html. Acesso em Ou/2015.
Segunda as informações apresentadas, as principais fontes de energia renovável que o Brasil possui em sua matriz energética e que o diferenciam do restante do mundo são:
Provas
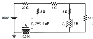
Observe o circuito a seguir:

(Adap. de Boylestad – Introdução à analise de circuitos - 8ª ed.)
Os valores das correntes I1 e I2, no regime estacionário, são respectivamente:
Provas
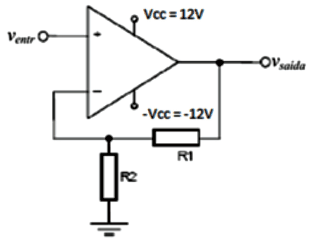
Durante uma experiência, um técnico efetua a montagem do circuito abaixo; os valores de R1 e R2 são, respectivamente, 33kΩ e 3kΩ. É aplicada então, uma tensão de 0,5 V na entrada.

A tensão na saída desse circuito será de:
Provas
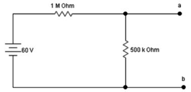
Um técnico, durante uma experiência de laboratório, utiliza um voltímetro de sensibilidade de 20kΩ/V, na escala de 50V, para efetuar a medida da tensão Vab, conforme o circuito abaixo.

O erro relativo percentual dessa medição é igual a:
Provas
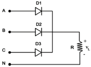
A figura abaixo mostra um circuito retificador trifásico. A tensão em cada fase é de 120VRMS.

O valor médio da tensão na carga é de aproximadamente:
Provas
Considere um transformador cujo circuito equivalente é mostrado abaixo.

Fonte: Boylestad – Introdução à analise de circuitos - 8ª edição. Adaptado.
Os valores da resistência equivalente Re e da reatância equivalente Xe são:
Provas
Uma linha coaxial de 50 Ohms é ligada a uma carga puramente resistiva. Sendo o coeficiente de reflexão igual a 0,2, o valor da carga será:
Provas
Caderno Container