Foram encontradas 160 questões.
Para responder à questão, quando necessário, considere:
π = 3,14 √2 = 1,41
Em um dispositivo semicondutor constituído de silício monocristalino, uma junção pn abrupta, na temperatura de 300 K, possui concentração de dopantes aceitadores NA= 1016 cm-3 e concentração de dopantes doadores ND= 1015 cm-3 .
Considerando kT= 26 meV, ln10= 2,3026, concentração de portadores do silício intrínseco ni= 1010 cm-3 e constante dielétrica do semicondutor εs = 1,045 pF/cm, estando a junção pn em equilíbrio e sem polarização, a altura da barreira de potencial e a largura total da região de depleção são, respectivamente,
Provas
Para responder à questão, quando necessário, considere:
π = 3,14 √2 = 1,41
Analise a figura abaixo que representa um circuito de polarização DC do amplificador fonte comum (FC),
com tensão entre a porta e a fonte (VGS) igual a 2,39 V e transistor de efeito de campo (FET) com as
seguintes características: tensão de limiar de condução Vth= 1,2 V, parâmetros de processo
e λ = 0,004V-1 .

Fonte: FUNCERN, 2017.
Para a condição de polarização estabelecida, os respectivos valores da transcondutância (gm) e do resistor de saída para pequenos sinais do FET são
Provas
Para responder à questão, quando necessário, considere:
π = 3,14 √2 = 1,41
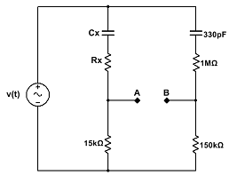
Analise a figura abaixo que representa um circuito em que a diferença de potencial medida entre os pontos A e B é igual a zero Volt.

Fonte: FUNCERN, 2017.
Para atender à condição imposta, os respectivos valores de Cx e Rx são
Provas
Para responder à questão, quando necessário, considere:
π = 3,14 √2 = 1,41
Analise a figura abaixo que projeta um circuito em que o resistor Rx representa o comportamento de um sensor piezoresistivo, cuja sensibilidade linear e positiva é S= 52 mΩ/N e sua resistência é de 615 Ω quando nenhuma força é aplicada.

Fonte: FUNCERN, 2017.
Considerando que a ponte resistiva é posta em equilíbrio pelo ajuste do potenciômetro Rv, na condição de carga nula (Força = 0 N) aplicada ao sensor, quando esse sensor é submetido a uma força de 150 N, um voltímetro DC conectado aos pontos A e B do circuito indicará o valor, em módulo, de
Provas
Para responder à questão, quando necessário, considere:
π = 3,14 √2 = 1,41
Analise a figura abaixo, que representa um circuito elétrico.

Fonte: FUNCERN, 2017.
O valor da impedância ZL, para que a potência na carga seja máxima, é de
Provas
Para responder à questão, quando necessário, considere:
π = 3,14 √2 = 1,41
Analise a figura abaixo, que representa um circuito elétrico.

Fonte: FUNCERN, 2017.
A impedância total entre os pontos B e C é
Provas
Para responder à questão, quando necessário, considere:
π = 3,14 √2 = 1,41
Considere os dados de placa nominal do motor elétrico representados na figura abaixo.

Considerando os dados da placa apresentados na figura, em condições nominais de operação, o motor
Provas
Para responder à questão, quando necessário, considere:
π = 3,14 √2 = 1,41
Analise a figura abaixo, que representa um circuito elétrico.

Fonte: FUNCERN, 2017
A expressão matemática para a tensão vC em função do tempo, depois que a chave do circuito representado for fechada em t =0, é
Provas
Para responder à questão, quando necessário, considere:
π = 3,14 √2 = 1,41
Um chopper step-up opera com uma frequência de chaveamento de 2 kHz a partir de uma fonte de alimentação DC no valor de 100 V.
Considerando a resistência da carga no valor de 2 Ω e a tensão de saída no valor de 250 V, o valor do tempo em que a chave fica ligada durante cada ciclo é, aproximadamente, de
Provas
Para responder à questão, quando necessário, considere:
π = 3,14 √2 = 1,41
A medição das características elétricas de um dispositivo sensor que utiliza o efeito fotovoltaico apresentou os seguintes resultados: tensão de máxima potência VMP = - 0,33 V; corrente de máxima potência IMP = 1,21x10-9 A; tensão de circuito aberto VOC = - 0,40 V; e corrente de curto circuito ISC = 1,31 x 10-9 A.
A partir dos parâmetros medidos, o Fator de Forma (FF) do sensor é de
Provas
Caderno Container