Foram encontradas 30 questões.
Considerar estes valores quando necessário:
√2 = 1,41
√3 = 1,73
\( s \)\( e \)\( n \)(30°) = 1/2
\( s \)\( e \)\( n \)(45°) = √2/2
\( s \)\( e \)\( n \)(60°) = √3/2
\( \pi \) = 3,14
\( c \)\( o \)\( s \)(30°) = √3/2
\( c \)\( o \)\( s \)(45°) = √2/2
\( c \)\( o \)\( s \)(60°) = 1/2
Microcontroladores utilizam diferentes formas de reset para garantir uma operação confiável. Sobre esses mecanismos, é correto afirmar que o
Provas
Considerar estes valores quando necessário:
√2 = 1,41
√3 = 1,73
\( s \)\( e \)\( n \)(30°) = 1/2
\( s \)\( e \)\( n \)(45°) = √2/2
\( s \)\( e \)\( n \)(60°) = √3/2
\( \pi \) = 3,14
\( c \)\( o \)\( s \)(30°) = √3/2
\( c \)\( o \)\( s \)(45°) = √2/2
\( c \)\( o \)\( s \)(60°) = 1/2
O circuito de sample and hold é parte fundamental de um sistema digital de aquisição de dados, atuando antes da etapa de quantização do sinal. Segundo o teorema de Nyquist-Shannon, a frequência mínima de amostragem necessária para digitalizar um sinal analógico de 800 kHz, sem perda de informação, é
Provas
Considerar estes valores quando necessário:
√2 = 1,41
√3 = 1,73
\( s \)\( e \)\( n \)(30°) = 1/2
\( s \)\( e \)\( n \)(45°) = √2/2
\( s \)\( e \)\( n \)(60°) = √3/2
\( \pi \) = 3,14
\( c \)\( o \)\( s \)(30°) = √3/2
\( c \)\( o \)\( s \)(45°) = √2/2
\( c \)\( o \)\( s \)(60°) = 1/2
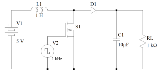
O circuito a seguir apresenta um conversor de potência CC-CC, utilizando um MOSFET (S1) como chave controlada pelo sinal V2. V1 representa a tensão CC de entrada, e a tensão de saída é observada no resistor RL.

Fonte: FUNCERN, 2025.
O sinal de controle V2, por sua vez, é periódico e se comporta tal qual o trecho gráfico apresentado a seguir.

Fonte: FUNCERN, 2025.
Assumindo que o circuito não entra em regime de descontinuidade e que a tensão de limiar (Vt) do Mosfet é suficientemente inferior à tensão máxima de V2, a tensão no resistor RL será, portanto, igual a
Provas
Considerar estes valores quando necessário:
√2 = 1,41
√3 = 1,73
\( s \)\( e \)\( n \)(30°) = 1/2
\( s \)\( e \)\( n \)(45°) = √2/2
\( s \)\( e \)\( n \)(60°) = √3/2
\( \pi \) = 3,14
\( c \)\( o \)\( s \)(30°) = √3/2
\( c \)\( o \)\( s \)(45°) = √2/2
\( c \)\( o \)\( s \)(60°) = 1/2
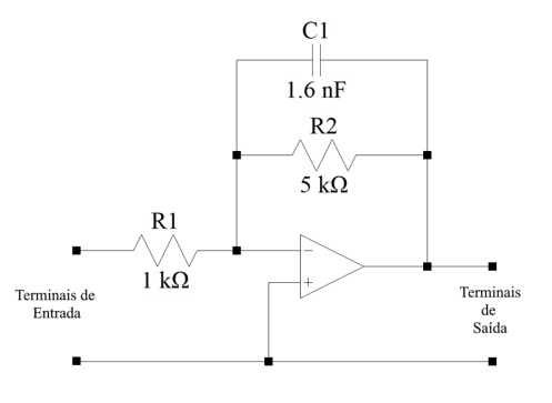
O circuito a seguir é composto por um dispositivo ativo, o amplificador operacional com alimentação simétrica (suprimida na imagem) e os elementos passivos, nomeadamente resistores e capacitor.

Fonte: FUNCERN, 2025.
Essa topologia representa um filtro
Provas
Considerar estes valores quando necessário:
√2 = 1,41
√3 = 1,73
\( s \)\( e \)\( n \)(30°) = 1/2
\( s \)\( e \)\( n \)(45°) = √2/2
\( s \)\( e \)\( n \)(60°) = √3/2
\( \pi \) = 3,14
\( c \)\( o \)\( s \)(30°) = √3/2
\( c \)\( o \)\( s \)(45°) = √2/2
\( c \)\( o \)\( s \)(60°) = 1/2
O circuito a seguir apresenta um arranjo RLC em corrente alternada. O comportamento elétrico da fonte de tensão é descrito pela equação v(t) = 311 ∙ sen(377 ∙ t).

Fonte: FUNCERN, 2025.
Em regime permanente, esse circuito terá uma corrente eficaz de, aproximadamente,
Provas
Considerar estes valores quando necessário:
√2 = 1,41
√3 = 1,73
\( s \)\( e \)\( n \)(30°) = 1/2
\( s \)\( e \)\( n \)(45°) = √2/2
\( s \)\( e \)\( n \)(60°) = √3/2
\( \pi \) = 3,14
\( c \)\( o \)\( s \)(30°) = √3/2
\( c \)\( o \)\( s \)(45°) = √2/2
\( c \)\( o \)\( s \)(60°) = 1/2
Em instalações residenciais de baixa tensão, a partir de uma determinada carga prevista na instalação, recomenda-se que se utilize o sistema trifásico de 4 fios, com distribuição equilibrada da carga entre as fases. Nesses sistemas, entretanto, a necessidade de uma proteção contra uma interrupção externa de neutro é imprescindível. No esquema a seguir, por exemplo, há três tomadas de uma instalação residencial, cuja tensão de fase é 220V. Elas são destinadas a equipamentos distintos com potências Pc1 = 10W, Pc2 = 100W e Pc3 = 1000W. Cada equipamento está ligado em uma fase diferente.

Fonte: FUNCERN, 2025.
Considerando que há uma interrupção de neutro antes do ponto de entrega dessa instalação, que não há aterramento e que os equipamentos Carga 1 e Carga 2 estão sendo usados no momento da falta,
Provas
Considerar estes valores quando necessário:
√2 = 1,41
√3 = 1,73
\( s \)\( e \)\( n \)(30°) = 1/2
\( s \)\( e \)\( n \)(45°) = √2/2
\( s \)\( e \)\( n \)(60°) = √3/2
\( \pi \) = 3,14
\( c \)\( o \)\( s \)(30°) = √3/2
\( c \)\( o \)\( s \)(45°) = √2/2
\( c \)\( o \)\( s \)(60°) = 1/2
O circuito a seguir foi montado, utilizando-se transistores NPN, resistores, capacitores e uma fonte de alimentação em corrente contínua.

Fonte: FUNCERN, 2025
Considerando que Vs é um terminal de saída e que R1 = R4, R2 = R3, C1 = C2 e Q1 = Q2, conclui-se que essa configuração representa um/uma
Provas
Considerar estes valores quando necessário:
√2 = 1,41
√3 = 1,73
\( s \)\( e \)\( n \)(30°) = 1/2
\( s \)\( e \)\( n \)(45°) = √2/2
\( s \)\( e \)\( n \)(60°) = √3/2
\( \pi \) = 3,14
\( c \)\( o \)\( s \)(30°) = √3/2
\( c \)\( o \)\( s \)(45°) = √2/2
\( c \)\( o \)\( s \)(60°) = 1/2
A Figura a seguir ilustra uma placa de identificação de um motor elétrico trifásico.

Fonte: WEG S.A.
Com base nas informações da placa, deve-se concluir que
Provas
Considerar estes valores quando necessário:
√2 = 1,41
√3 = 1,73
\( s \)\( e \)\( n \)(30°) = 1/2
\( s \)\( e \)\( n \)(45°) = √2/2
\( s \)\( e \)\( n \)(60°) = √3/2
\( \pi \) = 3,14
\( c \)\( o \)\( s \)(30°) = √3/2
\( c \)\( o \)\( s \)(45°) = √2/2
\( c \)\( o \)\( s \)(60°) = 1/2
A figura a seguir apresenta uma conversão de resistores de uma topologia em Y (ou T) para uma topologia em ∆ (ou π).

Fonte: FUNCERN, 2025
Após essa conversão, o valor do resistor Ra será
Provas
Considerar estes valores quando necessário:
√2 = 1,41
√3 = 1,73
\( s \)\( e \)\( n \)(30°) = 1/2
\( s \)\( e \)\( n \)(45°) = √2/2
\( s \)\( e \)\( n \)(60°) = √3/2
\( \pi \) = 3,14
\( c \)\( o \)\( s \)(30°) = √3/2
\( c \)\( o \)\( s \)(45°) = √2/2
\( c \)\( o \)\( s \)(60°) = 1/2
A figura a seguir apresenta um circuito misto com resistores, fontes de tensão e um instrumento de medição de corrente, o amperímetro.

Fonte: FUNCERN, 2025.
Nessas condições, a magnitude da corrente lida no amperímetro posto no circuito será, aproximadamente,
Provas
Caderno Container