Foram encontradas 30 questões.
Considerar estes valores quando necessário:
√2 = 1,41
√3 = 1,73
\( s \)\( e \)\( n \)(30°) = 1/2
\( s \)\( e \)\( n \)(45°) = √2/2
\( s \)\( e \)\( n \)(60°) = √3/2
\( \pi \) = 3,14
\( c \)\( o \)\( s \)(30°) = √3/2
\( c \)\( o \)\( s \)(45°) = √2/2
\( c \)\( o \)\( s \)(60°) = 1/2
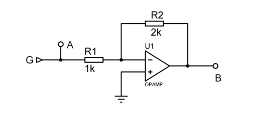
Considere que um osciloscópio foi utilizado para verificar o funcionamento do circuito a seguir.

Fonte: FUNCERN, 2025.
Considere ainda as seguintes informações:
● o gerador de sinal está localizado na entrada G do circuito e fornece um sinal senoidal com 1 V de tensão de pico e frequência de 1 kHz;
● a escala vertical dos dois canais do osciloscópio estão ajustados para 0,5 V/div;
● a medição de tensão do ponto A está representada por uma linha cheia; e
● a medição de tensão, no ponto B, está representada por uma linha tracejada.
Com base nessas informações, a leitura correta do osciloscópio está representada na opção
Provas
Considerar estes valores quando necessário:
√2 = 1,41
√3 = 1,73
\( s \)\( e \)\( n \)(30°) = 1/2
\( s \)\( e \)\( n \)(45°) = √2/2
\( s \)\( e \)\( n \)(60°) = √3/2
\( \pi \) = 3,14
\( c \)\( o \)\( s \)(30°) = √3/2
\( c \)\( o \)\( s \)(45°) = √2/2
\( c \)\( o \)\( s \)(60°) = 1/2
O código de cores é a maneira mais comum de se identificar resistores. A tabela a seguir apresenta o código resumido para resistores de 3 faixas.


Fonte: FUNCERN, 2025.
O circuito a seguir foi montado em uma matriz de contato. Conforme visualizado na figura, essa matriz de contatos possui 30 colunas, numeradas de 1 a 30, e 5 linhas, nomeadas da letra “a” até a letra “e”. Cada terminal de componente ou de instrumento de medida deve estar localizado em um par linha/coluna, conforme representado na figura a seguir.

Fonte: FUNCERN, 2025.
Os resistores utilizados possuem as seguintes sequência de cores:
● R1 (Marrom, Preto, Vermelho);
● R2 (Verde, Azul, Marrom);
● R3 (Vermelho, Vermelho, Vermelho); e
● R4 ( Marrom, Verde, Laranja).
Um multímetro digital foi utilizado para fazer a medição de resistência em escala automática. Realizou-se a medição com as ponteiras do multímetro, localizadas na coluna 9 com a linha “b” e na coluna 17 com linha “d”. Com base nas informações fornecidas, o valor de resistência indicado no multímetro foi:
Provas
Considerar estes valores quando necessário:
√2 = 1,41
√3 = 1,73
\( s \)\( e \)\( n \)(30°) = 1/2
\( s \)\( e \)\( n \)(45°) = √2/2
\( s \)\( e \)\( n \)(60°) = √3/2
\( \pi \) = 3,14
\( c \)\( o \)\( s \)(30°) = √3/2
\( c \)\( o \)\( s \)(45°) = √2/2
\( c \)\( o \)\( s \)(60°) = 1/2
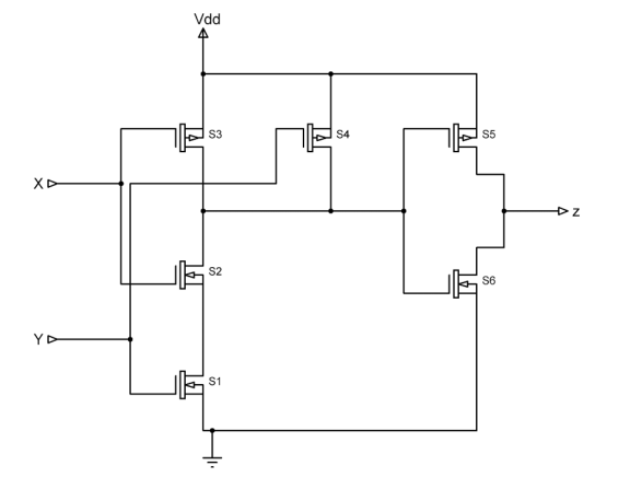
O circuito a seguir, construído com chaves elétricas controladas do tipo nMOS e pMOS, corresponde ao funcionamento de uma porta lógica.

Fonte: FUNCERN, 2025.
Considerando que a tensão de alimentação Vdd é suficiente para alimentar todo o circuito e que as entradas X e Y são alimentadas com tensões acima da tensão limiar, a porta lógica representada na figura é
Provas
Considerar estes valores quando necessário:
√2 = 1,41
√3 = 1,73
\( s \)\( e \)\( n \)(30°) = 1/2
\( s \)\( e \)\( n \)(45°) = √2/2
\( s \)\( e \)\( n \)(60°) = √3/2
\( \pi \) = 3,14
\( c \)\( o \)\( s \)(30°) = √3/2
\( c \)\( o \)\( s \)(45°) = √2/2
\( c \)\( o \)\( s \)(60°) = 1/2
A tabela a seguir apresenta as características típicas das séries TTL (Transistor - Transistor Logic).

Fonte: FUNCERN, 2025.
Quando um componente 74ALS está acionando uma entrada de um 74S, as margens de ruído são
Provas
Considerar estes valores quando necessário:
√2 = 1,41
√3 = 1,73
\( s \)\( e \)\( n \)(30°) = 1/2
\( s \)\( e \)\( n \)(45°) = √2/2
\( s \)\( e \)\( n \)(60°) = √3/2
\( \pi \) = 3,14
\( c \)\( o \)\( s \)(30°) = √3/2
\( c \)\( o \)\( s \)(45°) = √2/2
\( c \)\( o \)\( s \)(60°) = 1/2
O circuito apresentado a seguir é utilizado para medir a luminosidade de uma sala. Em destaque, encontra-se um sensor LDR (Light Dependent Resistor), cuja resistência elétrica varia conforme a intensidade da luz incidente. Considerando-se a iluminação natural do ambiente, foi realizado o ajuste de zero da tensão VAB, resultando em um valor de 2,5 kΩ para o potenciômetro P1.

Fonte: Funcern 2025.
Sendo assim, se, para uma determinada iluminação, a resistência do LDR é igual a 6 kΩ e R1 = R2 = 10 kΩ, a tensão VAB é
Provas
De acordo com a Lei nº 12772/2012, que trata da carreira do Magistério do Ensino Básico, Técnico e Tecnológico (EBTT), a progressão funcional será concedida em conformidade com
Provas
- UniãoExecutivoDecreto 1.171/1994: Código de Ética do Servidor Público Civil do Poder Executivo FederalDos Principais Deveres do Servidor Público
O Decreto nº 1171/94 aprova o Código de Ética Profissional do Servidor Público Civil do Poder Executivo Federal. Segundo esse decreto, é dever do servidor público
Provas
Segundo a Lei nº 8027/90, a conduta do servidor de se ausentar da repartição, durante o expediente, sem prévia autorização da chefia imediata, enseja a aplicação de pena de
Provas
Dentre as hipóteses de afastamento do servidor, a Lei nº 8112/90 prevê a concessão para atividade política e a licença para tratar de assuntos particulares. Sobre tais atos administrativos, é correto afirmar que
Provas
Constitui forma de provimento de cargo público, de acordo com a Lei nº 8112/90, a
Provas
Caderno Container