Foram encontradas 30 questões.
A Norma Regulamentadora – NR-10 – Segurança em Instalações e Serviços em Eletricidade preconiza que os estabelecimentos com carga instalada superior a 75 kW devem constituir e manter o Prontuário de Instalações Elétricas, contendo entre outros, no mínimo:
I. Diagramas unifilares atualizados das instalações elétricas.
II. Conjunto de procedimentos de segurança e saúde, implantados e relacionados à NR-10, e descrição das medidas de controle existentes.
III. Especificação e certificação dos equipamentos de proteção individual e coletiva.
IV. Descrição dos procedimentos para emergências.
V. Laudos das inspeções e medições do sistema de proteção contra descargas atmosféricas e aterramentos elétricos.
A alternativa que apresenta os documentos que deverão constar, no mínimo, do Prontuário de Instalações Elétricas de estabelecimentos com carga instalada superior a 75 kW é:
Provas
Questão presente nas seguintes provas
Em relação aos sistemas trifásicos, é correto afirmar:
I. Os sistemas trifásicos são preferidos em vez de sistemas monofásicos para a transmissão de energia elétrica, por possibilitar condutores de menor diâmetro para transmitir a mesma potência à mesma tensão.
II. A grande maioria dos motores de grande porte é monofásica.
III. A grande maioria dos motores de grande porte é trifásica.
Provas
Questão presente nas seguintes provas
O projeto elétrico de uma instalação elétrica predial tem significativa importância para a execução da instalação. Nesse sentido, afirma-se que:
Provas
Questão presente nas seguintes provas
Relativo à cotagem em desenho técnico, é correto afirmar:
Provas
Questão presente nas seguintes provas
Considere 4 (quatro) instrumentos de medição elétrica dos quais, distintamente:
I. Causam um acréscimo na resistência do circuito de valor igual à resistência interna do medidor ao serem inseridos em série com o circuito.
II. Absorvem uma corrente quando conectado a um circuito, sendo que esta corrente absorvida produz uma queda de tensão na resistência de sua bobina.
III. Medem valores de resistência e são constituídos por uma bateria, um galvanômetro com escala graduada e um resistor.
IV. Utilizam bobinas fixas para indicar a corrente no circuito, enquanto uma bobina móvel indica tensão.
Esses instrumentos podem ser classificados, respectivamente, como:
Provas
Questão presente nas seguintes provas
Em relação a materiais condutores e isolantes, são alternativas corretas:
I. São materiais condutores os que permitem a passagem de um fluxo intenso de elétrons com a aplicação de uma tensão elétrica relativamente pequena.
II. São materiais isolantes aqueles em que é necessária a aplicação de uma tensão elétrica muito elevada para estabelecer uma corrente mensurável.
III. O alumínio tem uma capacidade de condução elétrica superior ao cobre.
Provas
Questão presente nas seguintes provas
Analisando o circuito elétrico abaixo, assinale a alternativa CORRETA, que representa a tensão elétrica sobre o resistor de 100 ohms:

Provas
Questão presente nas seguintes provas
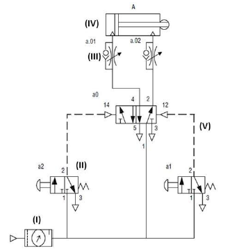
A simbologia utilizada no diagrama do circuito pneumático abaixo segue a norma DIN/ISO 1929. De acordo com essa norma, complete as lacunas com a numeração equivalente de I a V com a identificação funcional dos elementos constantes do diagrama.

( ) Válvula de controle de fluxo com retorno livre (unidirecional)
( ) Linha de comando
( ) Conjunto de condicionamento de ar
( ) Cilindro de dupla ação com haste unilateral
( ) Válvula direcional com três vias e duas posições
Marque a alternativa que representa a sequência correta de cima para baixo:
Provas
Questão presente nas seguintes provas
Assinale a alternativa CORRETA:
Provas
Questão presente nas seguintes provas
Sobre a válvula representada pelo símbolo abaixo, assinale a alternativa CORRETA a respeito das afirmativas I, II, III, IV e V:

I. Este tipo de válvula possui duas entradas de pressão, um ponto de saída e um elemento interno. Com o envio de um sinal a uma das entradas, desloca-se o elemento seletor interno e automaticamente a outra entrada fica bloqueada.
II. Essa válvula, também chamada de “elemento E”, é utilizada em funções de controle e operações lógicas.
III. Sua função é controlar o fluxo de ar que alimenta um determinado componente do circuito, como por exemplo, os atuadores pneumáticos.
IV. Este tipo de válvula possui duas entradas de pressão, um ponto de saída e um elemento interno. Com o envio de um sinal a uma das entradas, o elemento seletor interno se desloca bloqueando a própria entrada que recebeu o sinal.
V. O nome dessa válvula decorre da necessidade de existir pressão em ambas as entradas para que haja passagem de fluxo.
Provas
Questão presente nas seguintes provas
Cadernos
Caderno Container