Foram encontradas 30 questões.
Considere as afirmativas I, II e III a respeito da NR-10. Assinale a alternativa que contém a(s) afirmativa(s) CORRETA(S):
I O projeto de instalações elétricas não é objeto e campo de aplicação da NR-10.
II. O empregado que faz o corte da grama do pátio de uma subestação precisa ter o curso obrigatório de NR-10.
III. As instalações elétricas desenergizadas não são objeto, nem tem campo de aplicação da NR-10.
Provas
Questão presente nas seguintes provas
Osciloscópios podem ser utilizados para medir a defasagem entre um sinal de entrada e um sinal de saída. Acerca desse processo de medição, é INCORRETO afirmar que:
Provas
Questão presente nas seguintes provas
Considere as afirmativas I, II e III a respeito da NR-6. Assinale a alternativa que contém a(s) afirmativa(s) CORRETA(S):
I Meia de segurança é um tipo de EPI.
II. Creme protetor de segurança é um tipo de EPI.
III. A recorrência da não utilização do EPI não pode ser motivo de demissão do empregado por justa causa.
Provas
Questão presente nas seguintes provas
Considere as afirmativas I, II e III a respeito da NR-10. Assinale a alternativa que contém a(s) afirmativa(s) CORRETA(S):
I O impedimento de reenergização é procedimento que não está sob o controle dos trabalhadores não autorizados.
II. Extra baixa tensão é determinada pela NR-10 como sendo 50 volts para corrente contínua e 120 volts para corrente alternada, já que a corrente contínua é mais letal que a alternada.
III. A NR-10 estabelece zonas no entorno das instalações elétricas energizadas, onde só é permitida a aproximação de profissionais autorizados, dependendo da faixa de tensão nominal da instalação elétrica.
Provas
Questão presente nas seguintes provas
No circuito abaixo a tensão de alimentação nominal da lâmpada é 40V e sua resistência é Rlâmpada=80Ω. Quais os valores para R1 e R2 respectivamente para que se tenha 40V na lâmpada:

Provas
Questão presente nas seguintes provas
Considere as afirmativas I, II e III a respeito do circuito dimmer. Assinale a alternativa que contém a(s) afirmativa(s) INCORRETA(S):
I. O circuito dimmer é utilizado para controlar a intensidade luminosa de uma lâmpada incandescente e efetua este controle através do controle de amplitude.
II. O circuito dimmer é utilizado para controlar a intensidade luminosa de uma lâmpada incandescente e efetua este controle através do controle de fase.
III. O circuito dimmer é utilizado para controlar a intensidade luminosa de uma lâmpada incandescente e efetua este controle através do controle de amplitude e de fase simultaneamente.
Provas
Questão presente nas seguintes provas
Considere as afirmativas I, II e III a respeito da NR-10. Assinale a alternativa que contém a(s) afirmativa(s) CORRETA(S):
I É um direito do trabalhador se recusar a executar qualquer atividade onde constatar evidências de risco grave e iminente para a sua segurança e saúde.
II. .O Prontuário de Instalações Elétricas é item obrigatório para TODOS os estabelecimentos que utilizam energia elétrica.
III. Aplicação de respiração artificial e massagem cardíaca são partes integrantes do currículo mínimo do curso de NR-10.
Provas
Questão presente nas seguintes provas
Considere as afirmações abaixo sobre resistências elétricas:
I. Entre os fatores que afetam a resistência observada em um condutor, podemos citar a resistividade do material do condutor, o comprimento do condutor e a área da seção transversal do condutor.
II. Todas as resistências elétricas obedecem à lei de Ohm.
III. Num circuito aberto entre dois pontos, A e B, a resistência observada entre os pontos A e B é zero.
IV. Num curto-circuito entre dois pontos, A e B, a resistência observada entre os pontos A e B é zero.
Dadas as afirmações I, II, III e IV, são INCORRETAS as afirmações:
Provas
Questão presente nas seguintes provas
Sobre os conversores Análogo-Digitais (A/D) é CORRETO afirmar que:
Provas
Questão presente nas seguintes provas
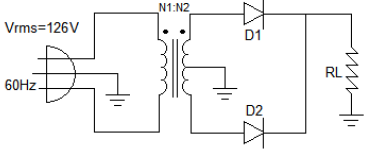
Considerando que N1=90 e N2=30 e que Vp=Vrms/0,7 e D1 e D2 diodos ideais. Quais são as tensões de pico na carga RL e de pico reversa no diodo D1 respectivamente?

Provas
Questão presente nas seguintes provas
Cadernos
Caderno Container