Foram encontradas 30 questões.
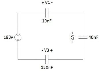
Considerando o circuito abaixo, assinale a alternativa CORRETA correspondendo às tensões aproximadas (V1, V2 e V3) que seriam observadas sobre cada um dos capacitores:

Provas
Questão presente nas seguintes provas
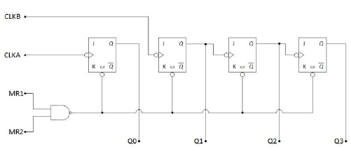
O circuito 74LS93, cujo esquemático pode ser visto abaixo, é um circuito integrado que permite a implementação de contadores assíncronos. Num experimento laboratorial, pretende-se implementar um contador de década usando esse circuito (desprezando eventuais glitches). Considerando as opções abaixo e sabendo que o circuito já está corretamente alimentado e que existe uma fonte externa de sincronismo (chamada CLOCK), assinale a alternativa CORRETA correspondendo à conexão adequada dos sinais para implementar o contador pretendido:

Provas
Questão presente nas seguintes provas
O circuito abaixo, considerando os seus componentes, é um(a):

Provas
Questão presente nas seguintes provas
Considere o experimento abaixo, onde desejamos que a tensão observada sobre a resistência Rx seja de 10V. Para que isso ocorra, assinale a opção CORRETA correspondendo ao valor de Rx:

Provas
Questão presente nas seguintes provas
Considere as afirmativas I, II e III a respeito do circuito da figura abaixo. Assinale a alternativa que contém a(s) afirmativa(s) CORRETA(S):

I – O potenciômetro POT é ajustado para que, na presença de luz, o transistor corte, já que a tensão no LDR diminui.
II - Na ausência de luz (escuro) a resistência do LDR diminui, aumentando a tensão nele, o que faz o transistor saturar, ligando o relé.
III – O divisor resistivo formado por R2, POT e LDR permitem que o relé ligue quando não há presença de luz.
Provas
Questão presente nas seguintes provas
Considere as afirmativas I, II e III a respeito do circuito da figura abaixo. Assinale a alternativa que contém a(s) afirmativa(s) CORRETA(S):

I. O circuito é um filtro passivo que rejeita altas frequências.
II. Trocando o indutor L por um capacitor, o filtro passa a ser um filtro passa baixas.
III. O circuito é um filtro passivo do tipo passa altas.
Provas
Questão presente nas seguintes provas
Foram feitas as seguintes afirmações sobre capacitores e indutores:
I. A indutância de uma bobina aumenta proporcionalmente ao aumento do comprimento da bobina.
II. A indutância de uma bobina aumenta proporcionalmente ao aumento da área da seção transversal da bobina.
III. Capacitores não permitem a variação abrupta da corrente passando por eles.
IV. Indutores não permitem a variação abrupta de corrente passando por eles.
V. A capacitância de um capacitor de placas paralelas aumenta proporcionalmente à diminuição da distância entre as placas.
Pode-se afirmar que são CORRETAS as afirmações:
Provas
Questão presente nas seguintes provas
Observando os conceitos de corrente e potencial elétricos, em relação a dois nós A e B de um circuito elétrico, é CORRETO afirmar que:
Provas
Questão presente nas seguintes provas
Considere as afirmativas I, II e III a respeito do circuito da figura abaixo. Assinale a alternativa que contém a(s) afirmativa(s) CORRETA(S):

I. O circuito é um retificador controlado de meia onda que utiliza o SCR para controlar a tensão RMS na carga RL.
II. A potência fornecida na carga RL é controlada através do controle do ângulo de fase.
III. O ângulo de disparo é controlado através do potenciômetro POT, este ângulo pode determinar a amplitude da tensão aplicada na carga RL.
Provas
Questão presente nas seguintes provas
Considere as afirmativas I, II e III a respeito do circuito da figura abaixo. Assinale a alternativa que contém a(s) afirmativa(s) CORRETA(S):

I. Considerando o Amplificador Operacional Ideal e que R1=R2; V1=5*V2, a tensão entre os pontos A e B será diferente de zero.
II. Retirando Rf do circuito, podemos perceber tensão diferente de zero entre os pontos A e B.
III. Considerando o Amplificador Operacional Ideal, uma leitura de tensão entre os pontos A e B diferente de zero indica falha no circuito.
Provas
Questão presente nas seguintes provas
Cadernos
Caderno Container