Foram encontradas 30 questões.
Queremos construir um voltímetro analógico utilizando um galvanômetro com corrente de fundo de escala de 5mA e uma resistência interna (Ri) de 5Ω, conforme o circuito a seguir. Determinar o valor das resistências R1, R2 e R3, para que as mesmas correspondam, respectivamente, às escalas de 5V e 50V e 200V do voltímetro:

Provas
Questão presente nas seguintes provas
Considerando os procedimentos possíveis de serem realizados para o teste e verificação de problemas com circuitos integrados (CI) de portas lógicas, as seguintes afirmações são feitas:
I. Quando for realizado o teste de portas E (AND), é sempre importante colocar os pinos que não estão sendo utilizados em nível alto, a fim de permitir a verificação da operação da porta pulsando um dos pinos da mesma e verificando a saída gerada através de um osciloscópio.
II. Quando for realizado o teste de portas OU (OR), é sempre importante colocar os pinos que não estão sendo utilizados em nível alto, a fim de permitir a verificação da operação da porta pulsando um dos pinos da mesma e verificando a saída gerada através de um osciloscópio.
III. A fim de verificar se o problema de uma porta lógica está associado à saída da porta estar aberta (ou seja, desconectada do pino do CI), para o caso de uma porta NÃO-OU (NOR), basta colocar uma das entradas em nível baixo e pulsar a outra entrada. Caso a saída não apresente pulsação no osciloscópio, podemos afirmar que o problema trata-se da desconexão da saída.
IV. Caso um pino de entrada de um CI da família TTL seja deixado flutuando (desconectado), o efeito perante o restante do circuito será como se essa entrada estivesse conectada a um nível lógico 1 (alto).
Considerando as afirmativas I, II, III e IV, quais estão CORRETAS?
Provas
Questão presente nas seguintes provas
Considere as afirmativas I, II e III a respeito da NR-6. Assinale a alternativa que contém a(s) afirmativa(s) CORRETA(S):
I. Somente o empregado é o responsável pela guarda e conservação do Equipamento de Proteção Individual (EPI).
II. Fica a critério do empregado utilizar ou não o EPI, pois é o empregado quem avalia o seu próprio risco.
III. Ambos, empregado e empregador são os responsáveis pela guarda e conservação do EPI.
Provas
Questão presente nas seguintes provas
O circuito 74LS154 é conhecido como um decodificador de 4 linhas para 16 linhas, ou seja, com 4 entradas de decodificação (identificadas como A3 – mais significativa – até A0 – menos significativa) e 16 saídas possíveis (de Y15 – mais significativa – até Y0 – menos significativa). Duas características especialmente importantes desse decodificar são: a habilitação dele ocorre quando as entradas G1 e G2 estão ambas em nível baixo e a única saída ativada pelo decodificador também fica em nível baixo. Levando em consideração a operação de um decodificador e as características especiais informadas, considere o circuito esquemático abaixo e assinale a alternativa CORRETA que corresponde a função lógico-combinacional associada ao mesmo:

Provas
Questão presente nas seguintes provas
Considere um voltímetro operando com uma incerteza de 2% do fundo de escala. O voltímetro foi configurado para operar na escala de 10V a fim de medir uma tensão de 8V. Assinale a alternativa correspondendo à tensão medida e sua incerteza:
Provas
Questão presente nas seguintes provas
Considere o circuito abaixo, e assinale a alternativa CORRETA:

Provas
Questão presente nas seguintes provas
Considere o circuito abaixo e os valores indicados para as entradas A, B, C e D. Em qual das alternativas o led assinalado como LD0 NÂO irá acender?

Provas
Questão presente nas seguintes provas
Sabendo que a corrente do circuito abaixo está em fase com a resistência e tem valor !$ i=20mA !$ !$ Φ=0° !$ e os valores de !$ |VR|=12V !$; !$ |VL|=24V !$; !$ |VC|=40V !$ a tensão V da fonte alternada e o seu ângulo de fase são, respectivamente:

Provas
Questão presente nas seguintes provas
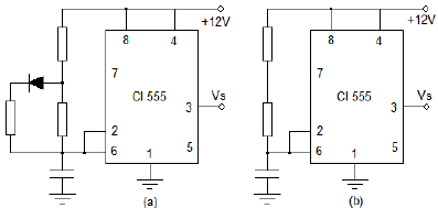
Considere as afirmativas I, II e III a respeito do circuito da figura abaixo. Assinale a alternativa que contém a(s) afirmativa(s) CORRETA(S):

I. O circuito (a) faz o CI 555 operar na configuração Astável.
II. O circuito (b) faz o CI 555 operar no modo Monoestável.
III. Ambos os circuitos (a) e (b) operam no mesmo modo, Astável.
Provas
Questão presente nas seguintes provas
No tocante aos microcontroladores, assinale a opção INCORRETA dentre as afirmativas abaixo:
Provas
Questão presente nas seguintes provas
Cadernos
Caderno Container