Foram encontradas 30 questões.
A partir das vistas de desenho técnico logo
abaixo, assinale a alternativa que representa
corretamente o corte indicado na vista
anterior:
Provas
Questão presente nas seguintes provas
A partir da vista anterior (VA) indicada logo
abaixo, determine a alternativa correta quanto
à representação no 1° diedro das vistas
anteriores e sua respectiva lateral esquerda:
Provas
Questão presente nas seguintes provas
Considerando um processo de furação, identifique os elementos da broca apresentada.

Provas
Questão presente nas seguintes provas
Observe a figura que representa as direções
possíveis de aplicação do fluído de corte,
indicadas pelas letras A, B e C, e escolha a
opção que completa CORRETAMENTE as
lacunas das sentenças.
A direção ___ é recomendada quando o fluído é aplicado sob elevada pressão, enquanto que a direção ___ reduz o desgaste de flanco e contribui para a melhor qualidade da superfície usinada. Finalmente, a direção ___ mostra-se inadequada quando são produzidos cavacos tipo “emaranhado".
A direção ___ é recomendada quando o fluído é aplicado sob elevada pressão, enquanto que a direção ___ reduz o desgaste de flanco e contribui para a melhor qualidade da superfície usinada. Finalmente, a direção ___ mostra-se inadequada quando são produzidos cavacos tipo “emaranhado".
Provas
Questão presente nas seguintes provas
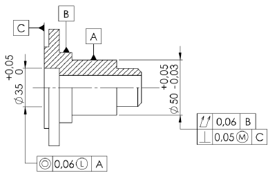
Selecione a alternativa VERDADEIRA no que diz respeito às tolerâncias dimensionais e geométricas padrão ISO indicadas no respectivo desenho técnico do eixo a seguir:

Provas
Questão presente nas seguintes provas
A figura abaixo mostra uma leitura de um
relógio comparador com uma resolução de
um centésimo de milímetro e uma capacidade
de dez milímetros. Selecione a alternativa que
contenha a leitura CORRETA, sabendo-se que o ponteiro maior girou no sentido anti-horário
e o ponteiro menor no horário e que a
medição iniciou no zero dos respectivos
ponteiros:
Provas
Questão presente nas seguintes provas
Qual das alternativas abaixo corresponde à
leitura correta do micrômetro interno com
resolução de um milésimo de milímetro, a seta
indica a coincidência da escala, conforme
figura a seguir:


Provas
Questão presente nas seguintes provas
Escolha a alternativa que contenha o valor CORRETO lido no paquímetro convencional da figura a seguir, sabendo-se que a seta indica a coincidência da escala fixa localizada na parte superior da figura com o nônio:

Provas
Questão presente nas seguintes provas
Uma peça cilíndrica com diâmetro de 150 mm
é usinada em um processo de torneamento
com uma rotação de 200 RPM, profundidade
de corte de 1,2 mm e uma largura de corte de
1,2 mm. Sabendo que o material da peça
nestas condições apresenta uma pressão
específica de corte de 2100 N/mm^2,
determine a potência de corte.
Provas
Questão presente nas seguintes provas
A respeito dos procedimentos de trabalho dos
softwares CAD/CAM na indústria está
CORRETO afirmar que:
Provas
Questão presente nas seguintes provas
Cadernos
Caderno Container