Foram encontradas 40 questões.
- Proteção de Sistemas ElétricosProteção em Média Tensão
- Sistemas Elétricos de PotênciaDistribuição de Energia Elétrica
Com base no gráfico da curva C de um disjuntor, determine o tempo, em média, para
o acionamento do dispositivo de proteção, se a carga estiver ligada em um circuito AC em um disjuntor
de corrente nominal de 10 A e houver uma sobrecarga de 40 A.


Provas
Questão presente nas seguintes provas
De acordo com o gráfico da curva C de um disjuntor, determine o tempo mínimo para
o acionamento do dispositivo de proteção se a carga estiver ligada em um circuito AC em um disjuntor
de corrente nominal de 10 A e houver uma sobrecarga de 20 A.


Provas
Questão presente nas seguintes provas
Qual o tipo de ligação do motor do diagrama elétrico abaixo?

Provas
Questão presente nas seguintes provas
Qual o significado do símbolo a seguir utilizado em diagrama unifilar de instalações elétricas?

Provas
Questão presente nas seguintes provas
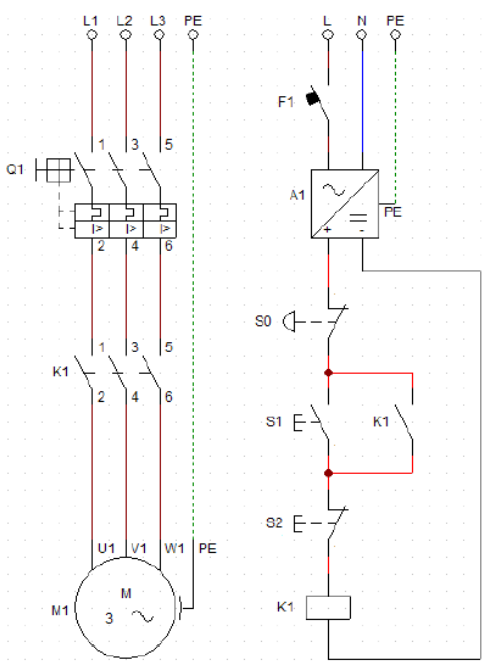
Para o diagrama elétrico de acionamento da contatora K a seguir, determine a
expressão que representa a lógica de acionamento.


Provas
Questão presente nas seguintes provas
Para a fábrica do problema anterior, o diretor de produção solicitou um estudo para
reduzir o consumo de energia. Foi orientado que a reflexão da parede fosse alterada para 50% e
substituída a lâmpada por uma de 2.500 lm e a luminária com este novo fator de utilização, conforme
tabela. Nesse sentido, determine o número mínimo de lâmpadas para esta nova configuração. O
ambiente requer o mesmo fluxo luminoso e se mantém limpo com manutenção a cada 7.500h.

Tabela do fator de depreciação

Tabela do fator de utilização


Tabela do fator de depreciação

Tabela do fator de utilização

Provas
Questão presente nas seguintes provas
Determine o número mínimo de lâmpadas necessárias para um ambiente classe c
que requer 3.500 lux pelo método dos lumens, possui pé direito de 3,5 m e sabe-se que as lâmpadas
ficarão no teto. Para o projeto, será adotada uma lâmpada TLD 16 W que possui 1.500 lm. Considere
que a reflexão do teto é de 70%, da parede 30% e do piso 10% para definir o fator de utilização. Para
o fator de depreciação, considere o ambiente limpo com manutenção a cada 7.500h.
Tabela do fator de depreciação
Tabela do fator de utilização

Tabela do fator de depreciação
Tabela do fator de utilização

Provas
Questão presente nas seguintes provas
Identifique o símbolo a seguir utilizado em diagrama unifilar de instalações elétricas.

Provas
Questão presente nas seguintes provas
Dimensione o disjuntor para o circuito 1, que apresenta potência na carga de 4 KW.
O condutor de cobre com isolação em PVC foi instalado na maneira B2, sendo o valor da corrente
conforme tabela de corrente do condutor. Tensão de fase de 127 V.


Provas
Questão presente nas seguintes provas
Determine a provável demanda para um apartamento que apresenta as potências nominais a seguir. Considere a tabela abaixo para o cálculo do fator de demanda.
Iluminação: 1,5KVA (FP = 1).
Tomadas de uso geral: 5KVA (FP = 1).
Tomadas para uso específico: 20KVA (FP = 0,87).

Iluminação: 1,5KVA (FP = 1).
Tomadas de uso geral: 5KVA (FP = 1).
Tomadas para uso específico: 20KVA (FP = 0,87).

Provas
Questão presente nas seguintes provas
Cadernos
Caderno Container