Foram encontradas 40 questões.
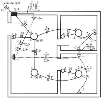
Determine o diâmetro do eletroduto de PVC para o trecho entre as caixas de
passagem (CP) 1 e 2 de acordo com a tabela de eletrodutos. Os condutores do tipo cabo do circuito
estão descritos com a seção nominal conforme tabela anexa. Deverá ser feita a devida compensação,
conforme previsto para o problema em questão.

Circuito 1: 2 x 6 mm2 Circuito 2: 3 x 6 mm2 Circuito 3: 2 x 10 mm2


Circuito 1: 2 x 6 mm2 Circuito 2: 3 x 6 mm2 Circuito 3: 2 x 10 mm2

Provas
Questão presente nas seguintes provas
Determine o diâmetro do eletroduto de PVC para o trecho entre as caixas de
passagem (CP) 1 e 2 de acordo com a tabela de eletrodutos. Os condutores do tipo fio do circuito
estão descritos com a seção nominal conforme tabela anexa. Deverá ser feita a devida compensação,
conforme previsto para o problema em questão.

Circuito 1: 2 x 4 mm2
Circuito 2: 3 x 6 mm2


Circuito 1: 2 x 4 mm2
Circuito 2: 3 x 6 mm2

Provas
Questão presente nas seguintes provas
Com base na tabela abaixo, sobre queda de tensão para uma carga ligada em 110V,
determine a seção para o condutor do circuito 1 do diagrama unifilar para uma queda de tensão na
carga de 1%.


Provas
Questão presente nas seguintes provas
Pode-se afirmar que o esquema de aterramento TN-S se caracteriza por:
Provas
Questão presente nas seguintes provas
A potência de iluminação prevista para o ambiente da sala a seguir é:

Provas
Questão presente nas seguintes provas
Determine a potência para os tomadores previstos para o ambiente da sala a seguir.

Provas
Questão presente nas seguintes provas
Qual(is) circuito(s) apresenta(m) erro no diagrama unifilar de acordo com o diagrama abaixo?

Provas
Questão presente nas seguintes provas
Com base no sistema de aterramento, pode-se afirmar que o sistema a seguir é um:

Provas
Questão presente nas seguintes provas
De acordo com o diagrama unifilar a seguir, é possível afirmar que são circuitos, EXCETO:

Provas
Questão presente nas seguintes provas
Segundo Valente (2018), as metodologias ativas consistem em uma série de
técnicas, procedimentos e processos utilizados pelos professores, durante as aulas, a fim de auxiliar
a aprendizagem dos alunos. O fato de elas serem ativas está relacionado com a realização de
práticas pedagógicas para envolver os alunos, engajá-los em atividades práticas nas quais eles
sejam protagonistas da sua aprendizagem. Assinale a alternativa que NÃO apresenta uma
metodologia ativa.
Provas
Questão presente nas seguintes provas
Cadernos
Caderno Container