Foram encontradas 40 questões.
- EletromagnetismoElétricaCircuitos Elétricos Especiais: Leis de Kirchhoff e Ponte de Wheatstone
- EletromagnetismoElétricaEletricidade
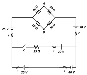
No circuito representado na figura abaixo, todas as resistências internas apresentam
um mesmo valor r. Inicialmente, com a chave C na posição aberta, a diferença de potencial entre os
pontos A e B é de 13 V.
Quando a chave C for fechada, qual será a nova diferença de potencial entre os pontos A e B?
Quando a chave C for fechada, qual será a nova diferença de potencial entre os pontos A e B?
Provas
Questão presente nas seguintes provas
Considere uma situação hipotética envolvendo 25 mols de um gás ideal monoatômico
que passa por um processo reversível de expansão isobárica. O gás inicialmente está a uma
temperatura de 150 K e ocupa um volume de 2 m3. Durante esse processo, a temperatura cai para
100 K e o volume aumenta para 3 m3. Admitindo que esse gás apresenta um calor específico molar a
volume constante de 4,1 J/molK, qual é, aproximadamente, a variação de entropia desse gás para
essa situação hipotética? Considere R = 8,31 j/molK In
= 0,41 e In
= −0.41.
Provas
Questão presente nas seguintes provas
Os toroides são dispositivos fundamentais em indutores utilizados em filtros e transformadores de alta potência. Esses componentes consistem em bobinas dispostas em forma de círculo fechado, ou seja, em um formato cilíndrico, e são amplamente empregados para armazenar e controlar o fluxo de energia na forma de campo magnético em sistemas elétricos. Imagine um toroide circular com 1.500 voltas, um raio interno de a = 5 cm e um raio externo de b = 9 cm. Uma corrente elétrica de 140 mA percorre esse toroide. Qual é a intensidade do campo magnético no ponto em que r = 7 cm? Utilize µ0 = 4π × 10-7 Tm/A.
Provas
Questão presente nas seguintes provas
A luz proveniente de estrelas distantes é observada na Terra com comprimentos de onda alterados devido ao efeito Doppler, causado pelo movimento relativo entre as estrelas e nosso planeta. Nessa situação, considere uma fonte luminosa localizada na origem do referencial S e emitindo luz em direção a um detector localizado em um referencial S'. A origem do referencial S se encontra a uma distância y, em relação ao eixo y, da origem do referencial S'. Além disso, o referencial S está se deslocando com uma velocidade de 0,55c na direção do eixo ' em relação ao referencial S'. A luz emitida por essa fonte possui um comprimento de onda λ = 500 nm, e essa luz é detectada no referencial S'. Para determinar a cor da luz observada no referencial S', consulte a tabela a seguir, que relaciona as cores percebidas com seus respectivos intervalos de comprimento de onda.
Dado: c = 3 × 108 m/s.
Assinale a alternativa que corresponde à cor da luz detectada no referencial S'.
Dado: c = 3 × 108 m/s.
Assinale a alternativa que corresponde à cor da luz detectada no referencial S'.
Provas
Questão presente nas seguintes provas
Um corpo com massa de 0,5 kg parte do repouso na posição x = 0 m em um plano horizontal. A partir de t = 0 s, uma força resultante variável, cujo módulo é dado por F = 37 −
, é aplicada ao corpo. Qual é a velocidade aproximada do corpo quando alcança x = 4 m?
Provas
Questão presente nas seguintes provas
Em uma balança de pratos que está travada para evitar movimentos, são colocados
dois béqueres idênticos, cada um preenchido com a mesma quantidade de água. Em seguida, duas
esferas de igual volume são mergulhadas nesses líquidos, assim como mostra a figura abaixo. A esfera
à esquerda tem uma massa específica que corresponde à metade da massa específica do líquido. Para
manter-se completamente submersa, ela é presa ao fundo do béquer com o auxílio de uma corda de
massa desprezível. A esfera à direita, por sua vez, tem uma densidade igual ao dobro da densidade
do líquido. Para manter-se completamente submersa, ela é suspensa por uma corda de massa
desprezível.
Agora, quando a balança de pratos for liberada, o que acontece?
Agora, quando a balança de pratos for liberada, o que acontece?
Provas
Questão presente nas seguintes provas
Considere um balão meteorológico, constituído de um filme plástico expansível e
preenchido com hidrogênio, que se comporta de maneira aproximada a um gás ideal, deslocando-se
verticalmente na atmosfera devido exclusivamente às forças de empuxo e peso. Suponha que o balão
seja liberado do nível do mar, em um dia cuja temperatura ambiente é de 27°C, com um raio
aproximado de 1,5 m. À medida que o balão sobe até uma altitude de 45 km, onde a temperatura
ambiente diminui em 40°C, a pressão no interior do balão reduz-se a 1/10 da pressão inicial. Nessas
condições, o raio aproximado do balão, ao atingir a altitude máxima descrita, será de:
Provas
Questão presente nas seguintes provas
- EletromagnetismoElétricaEletricidade
- EletromagnetismoElétricaForça Elétrica, Campo Elétrico e Eletrização
Uma casca esférica com raios interno a e externo b possui uma distribuição de densidade de carga definida como p =
na região delimitada por a ≤ r ≤ b. Qual é a expressão que descreve o campo elétrico na região em que a < r < b?
Provas
Questão presente nas seguintes provas
Um tubo de raios catódicos é utilizado para investigar o efeito fotoelétrico. Nesse
experimento, uma diferença de potencial é aplicada aos terminais do tubo, com o ânodo do tubo sendo
iluminado por uma fonte de luz cuja potência e comprimento de onda podem ser ajustados. Um
galvanômetro é conectado ao circuito para analisar a corrente elétrica resultante da incidência de
radiação. O gráfico da corrente elétrica em relação à diferença de potencial aplicada ao tubo é
fornecido abaixo.

Analise as assertivas a seguir:
I. Ao reduzir a potência da fonte luminosa, a corrente I0 permanece inalterada.
II. Se o material do ânodo for substituído por um material com uma função trabalho menor, a voltagem V0 não se altera.
III. Diminuir o comprimento de onda da radiação incidente leva a um aumento na corrente I0 e a uma diminuição na voltagem V0.
Quais estão corretas?

Analise as assertivas a seguir:
I. Ao reduzir a potência da fonte luminosa, a corrente I0 permanece inalterada.
II. Se o material do ânodo for substituído por um material com uma função trabalho menor, a voltagem V0 não se altera.
III. Diminuir o comprimento de onda da radiação incidente leva a um aumento na corrente I0 e a uma diminuição na voltagem V0.
Quais estão corretas?
Provas
Questão presente nas seguintes provas
- EletromagnetismoElétricaEletricidade
- EletromagnetismoElétricaForça Elétrica, Campo Elétrico e Eletrização
O efeito túnel é um dos fenômenos mais intrigantes da física moderna. Uma das
aplicações para tal efeito é a descrição do comportamento de uma partícula alfa tentando escapar da
ação de uma barreira de potencial Coulombiana, onde sua energia é menor do que a energia da
barreira. Ao resolver a equação de Schrödinger para esse sistema, é possível mostrar que há uma
probabilidade não nula de a partícula, mesmo com energia menor do que o potencial, ser encontrada
após a região delimitada pela barreira. Considere uma barreira de potencial V0 , que se estende
de x = 0 a x = a . A representação gráfica da solução independente do tempo da equação de
Schrödinger para a densidade de probabilidade dessa barreira de potencial é:
Provas
Questão presente nas seguintes provas
Cadernos
Caderno Container