Foram encontradas 40 questões.
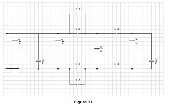
Determine a capacitância equivalente: Ceq, do circuito da Figura 11.

Provas
Questão presente nas seguintes provas
Observe a Figura 10 e determine a tensão sobre o resistor de 1k Ohms (V1k ).

Provas
Questão presente nas seguintes provas
Sobre o circuito digital apresentado na Figura 9, analise as assertivas abaixo sobre
circuito lógico e assinale a alternativa correta.

I. Sequencial. II. Completo de uma unidade lógica aritmética. III. Utiliza flip-flops tipo D. IV. De um registrador de deslocamento bidirecional.

I. Sequencial. II. Completo de uma unidade lógica aritmética. III. Utiliza flip-flops tipo D. IV. De um registrador de deslocamento bidirecional.
Provas
Questão presente nas seguintes provas
- Protocolos e ServiçosInternet e EmailHTTP: Hyper Text Transfer Protocol
- Protocolos e ServiçosInternet e EmailIMAP: Internet Message Access Protocol
- Protocolos e ServiçosInternet e EmailSMTP: Simple Mail Transfer Protocol
Em relação aos protocolos utilizados em redes de computadores, relacione
adequadamente os itens da Coluna 1 à Coluna 2.
Coluna 1
1. SMTP 2. HTTP 3. IMAP 4. FTP
Coluna 2
( ) Protocolo padrão de transferência de e-mail. ( ) Protocolo padrão de transferência de arquivos. ( ) Protocolo padrão que especifica como o navegador interage com o servidor web para transferir dados. ( ) Protocolo de acesso a e-mails via Internet.
A ordem correta de preenchimento dos parênteses, de cima para baixo, é:
Coluna 1
1. SMTP 2. HTTP 3. IMAP 4. FTP
Coluna 2
( ) Protocolo padrão de transferência de e-mail. ( ) Protocolo padrão de transferência de arquivos. ( ) Protocolo padrão que especifica como o navegador interage com o servidor web para transferir dados. ( ) Protocolo de acesso a e-mails via Internet.
A ordem correta de preenchimento dos parênteses, de cima para baixo, é:
Provas
Questão presente nas seguintes provas
3094427
Ano: 2023
Disciplina: TI - Organização e Arquitetura dos Computadores
Banca: FUNDATEC
Orgão: IF-RS
Disciplina: TI - Organização e Arquitetura dos Computadores
Banca: FUNDATEC
Orgão: IF-RS
Considerando uma Fonte retificadora com regulador 78XX, assinale a alternativa
correta para a representação hexadecimal do número binário: 1011111010100111000111100101
Provas
Questão presente nas seguintes provas
Determine a potência aparente S e a corrente I, ambos em módulo e fase, de um
motor que consome 34,64 kW com FP = 0,8660 (fator de potência) para a tensão de 220 V ângulo
0º .
Provas
Questão presente nas seguintes provas
De acordo com a NBR 14565, assinale a alternativa que NÃO corresponde a um
subsistema de cabeamento estruturado.
Provas
Questão presente nas seguintes provas
Analise o diagrama esquemático da Figura 8 (diagrama elétrico à esquerda e controle
e acionamento lógico à direita).
Assinale a alternativa que indica o tipo de partida apresentado no diagrama.
Assinale a alternativa que indica o tipo de partida apresentado no diagrama.
Provas
Questão presente nas seguintes provas
Na Figura 7 a seguir, determine qual esquema de codificação digital apresenta a
melhor BER, bem como o valor aproximado da BER para uma relação sinal/ruído (E0/N0) de 7dB.


Provas
Questão presente nas seguintes provas
Com referência ao funcionamento de máquinas elétricas de CA e CC, e, em especial,
os modos de partida e controle dessas máquinas, relacione a Coluna 1 à Coluna 2.
Coluna 1 1. Partida estrela-triângulo. 2. Inversores de frequência. 3. Partida com rotor de anéis. 4. Inversão do sentido de rotação.
Coluna 2
( ) Aplica-se a motor de indução trifásico com rotor em gaiola.
( ) Alteração da sequência das fases de alimentação do motor de indução trifásico.
( ) Aplica-se a motor de indução trifásico com o rotor bobinado.
( ) Acionamento e controle da velocidade por variação de amplitude e frequência de alimentação do motor CA.
A ordem correta de preenchimento dos parênteses, de cima para baixo, é:
Coluna 1 1. Partida estrela-triângulo. 2. Inversores de frequência. 3. Partida com rotor de anéis. 4. Inversão do sentido de rotação.
Coluna 2
( ) Aplica-se a motor de indução trifásico com rotor em gaiola.
( ) Alteração da sequência das fases de alimentação do motor de indução trifásico.
( ) Aplica-se a motor de indução trifásico com o rotor bobinado.
( ) Acionamento e controle da velocidade por variação de amplitude e frequência de alimentação do motor CA.
A ordem correta de preenchimento dos parênteses, de cima para baixo, é:
Provas
Questão presente nas seguintes provas
Cadernos
Caderno Container