Foram encontradas 180 questões.
Analise o circuito apresentado na Figura 8 abaixo:

Sabendo-se que a leitura do voltímetro V1 é de 20 V e a leitura do amperímetro A1 é de 667 mA, determine a leitura do amperímetro A2 e do voltímetro V2. Considere os instrumentos como ideais.
Provas
- Instalações ElétricasAterramentos
- Normas TécnicasNBRsNBR 5419: Sistema de Proteção contra Descargas Atmosféricas
Sobre o diagrama apresentado, assinale a alternativa correta.
Provas
- Instalações ElétricasAterramentos
- Normas TécnicasNBRsNBR 5410: Instalações Elétricas de Baixa Tensão
Considerando o diagrama apresentado, assinale a alternativa correta.
Provas
Com base na tabela trigonométrica apresentada na Tabela 1 abaixo, determine a potência aparente S e a corrente total I de uma carga de potência ativa de P = 4 kW, potência reativa de Q = 3 kVAr, e tensão alternada de V = 100 V/0°. Considere arredondamento a partir da segunda casa decimal.
|
Ângulo (Graus) |
Seno |
Cosseno |
|
30° |
0,5 |
0,866 |
|
36,87° |
0,6 | 0,8 |
|
53,13° |
0,8 | 0,6 |
|
60° |
0,866 | 0,5 |
Provas
Analise a Figura 5 abaixo:

Com base nas informações apresentadas, determine o indutor equivalente entre os pontos A e B.
Provas
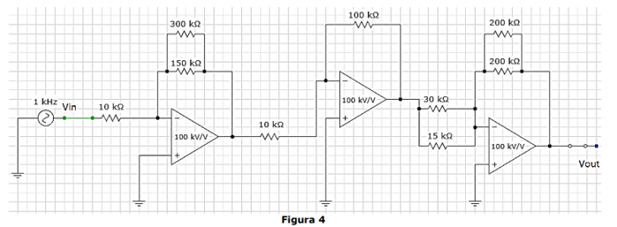
Analise o circuito apresentado na Figura 4 abaixo:

Com base nas informações apresentadas, determine a relação de Vout em função de Vin do circuito.
Provas
I. É um documento que apresenta uma série de planos de ação voltados prioritariamente para o desenvolvimento econômico dos países da América Latina.
II. Trata-se de um documento abrangente que visa à participação de todas as esferas da sociedade e a colaboração entre os países.
III. Por ser voltada para aspectos do desenvolvimento econômico e social, não aborda questões relacionadas ao meio ambiente.
IV. Seu objetivo é a implementação de medidas locais, regionais e globais, que demandam a ação em conjunto e isolada, para garantir um novo modelo de desenvolvimento.
Quais estão corretas?
Provas
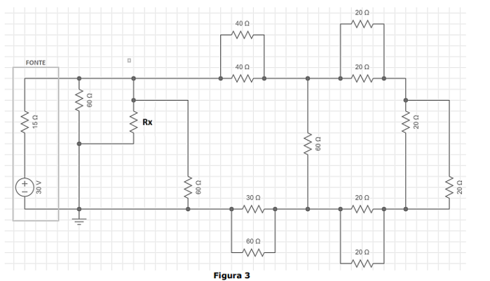
Considerando as informações apresentadas, determine o valor do resistor Rx para uma situação de Máxima Transferência de Potência (MTP).
Provas
Considerando as informações apresentadas, o diagrama apresentado trata-se de um:
Provas

Provas
Caderno Container