Foram encontradas 40 questões.
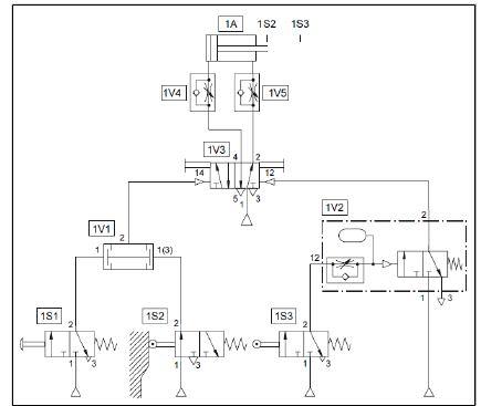
O diagrama abaixo representa, de maneira didática e técnica, um circuito de uma aplicação pneumática, aplicação esta que se vale de vários elementos do universo da pneumática industrial.

Baseado na figura acima, marque com (V) as afirmações que forem verdadeiras e com (F) as afirmações que forem falsas.
( ) O avanço do cilindro 1A se dá pelo acionamento manual da válvula direcional 1S1 e pelo acionamento da válvula direcional 1S2, ou seja, se o cilindro 1A estiver recuado.
( ) O avanço do cilindro 1A se dá pelo acionamento manual da válvula direcional 1S1 ou pelo acionamento da válvula direcional 1S2 quando o cilindro 1A recuar.
( ) O dispositivo 1V2 funciona, neste circuito, como um temporizador pneumático.
( ) O dispositivo 1V2 funciona, neste circuito, como um acumulador de pressão.
( ) 1V4 e 1V5 são reguladores de pressão e que, neste circuito, funcionam como reguladores das velocidades de avanço e de recuo do cilindro 1A.
Assinale a alternativa que apresenta a sequência CORRETA de cima para baixo.
Provas
Sobre tolerância geométrica de batimento de forma para elementos isolados e associados, verifique o acerto das afirmações abaixo. Coloque (V) para verdadeiro e (F) para falso.
( ) São tolerâncias de linha, a retilineidade, a circularidade e a forma de linha qualquer.
( ) São tolerâncias de superfície, a planeza, o paralelismo, a cilindricidade.
( ) São tolerâncias de orientação, a forma de superfície qualquer, o perpendicularismo e a inclinação.
( ) São tolerância de posição, a localização, a concentricidade, a simetria.
( ) São tolerâncias de batimento, radial e planeza.
Assinale a alternativa que apresenta a sequência CORRETA de cima para baixo.
Provas
Para aumentar a vida útil, as ferramentas de corte de metal duro podem ser revestidas por uma camada de outro metal. Leia com atenção as afirmações a seguir e marque com (V) as verdadeiras e com (F) as falsas, quanto à função dos revestimentos das ferramentas, utilizadas na operação de fresamento com cabeçote de fresar.
( ) Redução da velocidade de corte da ferramenta.
( ) Redução de atrito na interface cavaco/ferramenta.
( ) Redução da dureza na superfície da ferramenta.
( ) Condução rápida do calor para longe da região de corte.
( ) Isolamento térmico do material de base da ferramenta.
Assinale a alternativa que contém a sequência CORRETA de cima para baixo.
Provas
No 1º diedro, na épura de um cone, estando sua base paralela ao plano horizontal, temos como resultado uma das opções abaixo. Analise-as e coloque (V) para a(s) verdadeira(s) e (F) para a(s) falsa(s).
( ) Uma circunferência na vista superior.
( ) Um triângulo na vista frontal.
( ) Um retângulo na vista lateral direita.
( ) Um triângulo na vista lateral esquerda.
( ) Uma circunferência na vista inferior
Assinale a alternativa que apresenta a sequência CORRETA de cima para baixo.
Provas
A figura abaixo mostra a atuação do IFSC em Santa Catarina.

Fonte: www.ifsc.edu.br. Acesso em 07/10/2015
Assinale a alternativa que contém a assertiva CORRETA.
Provas
Assinale as afirmações verdadeiras com (V) e as falsas com (F), sobre os conceitos básicos sobre unidades físicas.
( ) A unidade de comprimento no Sistema Internacional de unidades (SI) é o metro (m). Com certa frequência, utiliza-se o múltiplo quilômetro (1 km = 10³ m) e os submúltiplos centímetro (1 cm = 10-2 m) e milímetro (1 mm = 10-3 m).
( ) A unidade de tempo no Sistema Internacional de unidades (SI) é a hora (h), sendo normalmente utilizadas as unidades submúltiplas minuto (1 h = 60 min) e segundos (1 h = 3.600 s).
( ) Um aluno do PROEJA – Integrado foi calcular a distância da Terra ao Sol e percebeu que a mesma é de aproximadamente 150.000.000 km. Em notação científica e com dois algarismos significativos, o valor dado é 1,5 x 108 km.
( ) Os formandos do curso de Engenharia Civil do IFSC perceberam que o tempo para um projétil atravessar uma placa de chumbo é de um milionésimo de segundo, ou seja, 10-6s.
( ) O tempo decorrido entre duas batidas sucessivas das asas de uma mosca foi calculado em uma atividade do Projeto Integrador do Curso Técnico em Saneamento do IFSC. Verificouse que esse tempo é de 0,001s, ou seja, 10-3s.
Assinale a alternativa que apresenta a sequência CORRETA de cima para baixo.
Provas
“O Campus Geraldo Werninghaus recebeu, em 28/09/2015, a entrega e início da instalação do container tipo High Cube, que servirá como espaço para funcionamento de Centro Acadêmico e sede do Grêmio Estudantil. O container, que custa em torno de R$ 49 mil, foi um investimento feito pela Reitoria do IFSC, que forneceu a aquisição e instalação do equipamento.”
(http://gw.ifsc.edu.br/site. Acesso em 07/10/2015)

Fonte: http://gw.ifsc.edu.br/site/index.php?option=com_
content&view=article&id=532:2015-09-28-20-38-04. Acesso em 07/10/2015
O container tem o formato de um prisma retangular, cujas dimensões estão dispostas na tabela a seguir:
|
Externa |
Comprimento |
12,192 m |
| Largura |
2,438 m |
|
| Altura |
2,896 m |
|
|
Interna |
Comprimento |
12,033 m |
| Largura |
2,352 m |
|
| Altura |
2,694 m |
|
|
Porta |
Largura |
2,340 m |
| Altura |
2,580 m |
Com base nas afirmações acima, assinale a alternativa CORRETA.
Provas
“O Campus Geraldo Werninghaus recebeu, em 28/09/2015, a entrega e início da instalação do container tipo High Cube, que servirá como espaço para funcionamento de Centro Acadêmico e sede do Grêmio Estudantil. O container, que custa em torno de R$ 49 mil, foi um investimento feito pela Reitoria do IFSC, que forneceu a aquisição e instalação do equipamento.”
( http://gw.ifsc.edu.br/site. Acesso em 07/10/2015)

Fonte: http://gw.ifsc.edu.br/site/index.php?option=com_
content&view=article&id=532:2015-09-28-20-38-04. Acesso em 07/10/2015
O container tem o formato de um prisma retangular, cujas dimensões estão dispostas na tabela a seguir:
|
Externa |
Comprimento |
12,192 m |
| Largura |
2,438 m |
|
| Altura |
2,896 m |
|
|
Interna |
Comprimento |
12,033 m |
| Largura |
2,352 m |
|
| Altura |
2,694 m |
|
|
Porta |
Largura |
2,340 m |
| Altura |
2,580 m |
Com base nas afirmações acima, assinale a alternativa CORRETA.
Provas
- GeometriaGeometria PlanaCircunferências e CírculosÁrea do círculo, do setor circular e do segmento circular
Na figura abaixo, considere que cada um dos nove quadrados possui lado medindo 3 cm e que o círculo possui raio igual a 1,5 cm.

Fonte: www.ifsc.edu.br. Acesso em 07/10/2015
De acordo com a figura e as informações acima, assinale a alternativa que contém a assertiva CORRETA (considere π (pi)=3,14).
Provas
Avalie como verdadeiras (V) ou falsas (F) as assertivas a seguir que tratam do funcionamento da comissão interna de prevenção de acidentes – CIPA, conforme estabelecido na norma regulamentadora 05.
( ) As reuniões ordinárias da CIPA serão realizadas fora do expediente normal da empresa e em local apropriado.
( ) As decisões da CIPA serão preferencialmente por consenso.
( ) O membro titular perderá o mandato, sendo substituído por suplente, quando faltar a mais de quatro reuniões ordinárias sem justificativa.
( ) Reuniões extraordinárias deverão ser realizadas quando houver denúncia de situação de risco grave e iminente, ocorrer acidente do trabalho grave ou fatal, ocorrer diminuição da produtividade dos trabalhadores ou houver solicitação por consenso de todas as representações.
( ) No caso de afastamento definitivo do presidente, o empregador indicará o substituto em dois dias úteis, preferencialmente entre os membros da CIPA.
Assinale a alternativa que contém a sequência CORRETA, de cima para baixo.
Provas
Caderno Container