Foram encontradas 40 questões.
Assinale a alternativa que responde CORRETAMENTE à questão acima.
Provas
O assistente de laboratório deve procurar conhecer as propriedades toxicológicas das substâncias com que trabalha, visto que alguns gases ou vapores tóxicos nem sempre apresentam odor forte ou repugnante. Assim, ele deve tomar os cuidados necessários para evitar eventuais intoxicações. Todas as alternativas abaixo são gases e vapores nocivos, EXCETO UMA, assinale-a.
Provas
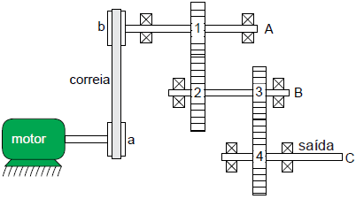
O sistema de transmissão da ilustração abaixo é acionado por um motor elétrico síncrono, com potência de 20 CV (~14,7kW) e rotação de 1750 rpm, para movimentar um maquinário para olaria que produz durante 24h/dia. A potência do motor é transmitida ao eixo 'A' por uma correia que conecta a polia 'a' (diâmetro 108 mm) à polia 'b' (diâmetro 270 mm). O eixo 'A' transmite a potência ao eixo 'B' pelo par de engrenamento 1 e 2 (28 e 40 dentes, respectivamente) que, por sua vez, transmite a potência ao eixo 'C' (saída) pelo par de engrenamento 3 e 4 (19 e 38 dentes, respectivamente). Considere a eficiência da transmissão por correia 0,97 sem haver escorregamento, a eficiência de cada par de engrenamento 0,94, os mancais como ideais e o valor constante π=3,14.

Assinale a alternativa que corresponde CORRETAMENTE aos valores do torque (em N.m) e da rotação (em RPM) na saída do sistema no eixo C.
Provas
Um elevador de carga para construção civil dispõe de um sistema de polias, conforme a ilustração abaixo, e tem capacidade para transportar no máximo 1.500 kg. Considerando que um motor elétrico com potência de 5250 W e n = 1750 rpm será utilizado para movimentar o elevador a uma altura máxima de 122,5 m, qual deve ser o diâmetro da polia do motor e tempo total de subida?
* considere g = 10 m/s2 e o valor constante !$ \pi =3 !$.

Assinale a alternativa que responde CORRETAMENTE à questão acima.
Provas
Associe as grandezas mecânicas às unidades baseadas no Sistema Internacional de Unidades.
(1) rad/s2
(2) Pa
(3) bar
(4) radianos
(5) m/s
(6) N.m
(7) W
(8) rad/s
(9) N
(10) Hz
(11) m
(12) N/m
(13) CV
(14) m/s
(15) ºC
(16) J
(17) m/s2
(18) K
(19) graus
(20) s
( ) Força
( ) Aceleração
( ) Velocidade angular
( ) Torque
( ) Período
( ) Ângulo
( ) Temperatura
( ) Frequência
( ) Tensão de cisalhamento
( ) Potência
Assinale a alternativa que contém a ordem CORRETA de associação, de cima para baixo.
Provas
Pode-se afirmar que uma rede industrial é um sistema interligado de equipamentos que são utilizados para monitorar e controlar processos em ambientes industriais. Os equipamentos presentes na rede industrial diferem de forma bastante significativa a partir dos requisitos das redes deste o nível corporativo até o chão de fábrica. Devido a esses requisitos específicos de funcionamento, existem tecnologias mais apropriadas a cada nível hierárquico.

Assinale a alternativa que contém a sequência CORRETA de 1 até 5 das tecnologias apropriadas a cada nível hierárquico.
Provas
Um eixo tem o seu diâmetro especificado no projeto em 20 ± 0,05 mm. Com base nisso, assinale, dentre as alternativas abaixo, aquela que apresenta um tipo de calibrador "passa-nãopassa" adequado para essa peça e as suas dimensões nominais no lado “passa” e lado “não passa”.
TIPO DE CALIBRADOR LADO PASSA LADO NÃO PASSA
Provas
Analise as escalas do paquímetro e do micrômetro a seguir, ambas em mm, e calcule:

I. Resolução do paquímetro
II. Resolução do micrômetro
III. Indicação da escala do paquímetro
IV. Indicação da escala do micrômetro
Assinale a alternativa abaixo que apresenta os valores CORRETOS da esquerda para a direita dos itens I até IV:
Provas
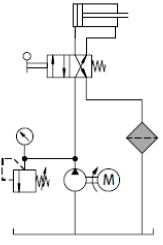
As figuras abaixo – A, B e C – representam instalações de um componente essencial para as unidades de provimento de energia hidráulica (unidades hidráulicas) nos sistemas hidráulicos industriais, esse componente é o filtro. São apresentadas, a seguir, três formas de instalação desses filtros:
| A | B | C |
|
|
|
Analise as afirmativas abaixo relativas às três formas de instalação dos filtros hidráulicos.
I. Instalações do tipo A têm a capacidade de verificar impurezas antes de passarem pelos elementos do circuito.
II. Instalações do tipo A são as mais econômicas e de simples manutenção.
III. Instalações do tipo B são indicadas para proteger a bomba de contaminação.
IV. Instalações do tipo B são de difícil manutenção e podem provocar cavitação.
V. Instalações do tipo C são as mais caras, do ponto de vista da filtragem.
Assinale a alternativa que contém TODAS as afirmações CORRETAS.
Provas
As aplicações de sistemas pneumáticos no cotidiano, por questões de praticidade, não consideram o preciosismo das diferenças centesimais nos cálculos de áreas, volumes, conversões de medidas e nas conversões entre as diversas unidades de medida da pressão. Desse modo, convenciona-se usar a seguinte relação entre essas unidades: 1 ATM = 1 B = 1 kgf/cm2 = 14,5 PSI = 10 mca = 100.000 Pa.
Tome-se, agora, o seguinte atuador pneumático linear de duplo efeito e cujo atuador possui as seguintes características:
- diâmetro interno do cilindro: 100 mm;
- diâmetro da haste: 25 mm;
- curso da haste: 125 mm;
Esse atuador está instalado em um sistema com pressão de 4 B (quatro bares).
Considerando aspectos práticos do cotidiano, como citado, qual é a carga máxima que mais se aproxima da carga teórica que esse atuador linear pode puxar, isto é, durante o movimento de recuo?
Assinale a alternativa que responde CORRETAMENTE à questão acima.
Provas
Caderno Container